相关习题
0 83393 83401 83407 83411 83417 83419 83423 83429 83431 83437 83443 83447 83449 83453 83459 83461 83467 83471 83473 83477 83479 83483 83485 83487 83488 83489 83491 83492 83493 83495 83497 83501 83503 83507 83509 83513 83519 83521 83527 83531 83533 83537 83543 83549 83551 83557 83561 83563 83569 83573 83579 83587 235360
科目:
来源:2009-2010学年苏科版九年级(上)期末物理试卷03(解析版)
题型:填空题
小明的教室在五楼(每层楼高3m),通常他上楼需1.5min,有一次他跑步上楼只花了40s.以上两种情况,小明上楼做功
(相同/不相同).如果小明的体重480N,则他跑步上楼的功率为
W.

查看答案和解析>>
科目:
来源:2009-2010学年苏科版九年级(上)期末物理试卷03(解析版)
题型:填空题
暑期持续的“桑拿天”,居民家里的空调、电扇都闲不住,导致电路火灾时有发生.调查发现,起火原因如出一辙:电线超负荷使电线内的金属导线发热引燃了外面的绝缘皮.根据学过的物理知识回答:
(1)“超负荷”是指电路中的 (电流/电阻)过大.
(2)电线超负荷使电线内的金属导线发热的原因是 .(写公式)
(3)请你提出一条预防这类火灾发生的措施: .
查看答案和解析>>
科目:
来源:2009-2010学年苏科版九年级(上)期末物理试卷03(解析版)
题型:填空题
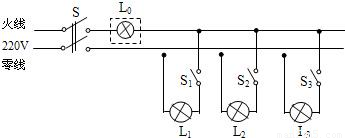
电工师傅常用一只额定电压为220V的灯泡L
(检验灯泡)取代保险丝来检查新安装的照明电路中每个支路的情况,如图所示.当S闭合后,再分别闭合S
1、S
2、S
3(每次只能闭合其中之一)时,可能出现以下三种情况,试判断(选填:“短路”、“断路”或“正常”):
(1)L
不亮,说明该支路
.
(2)L
正常发光,说明该支路
.
(3)L
发光呈暗红色,说明该支路
.

查看答案和解析>>
科目:
来源:2009-2010学年苏科版九年级(上)期末物理试卷03(解析版)
题型:填空题
由一个挂有小球的细线组成的单摆,如图,小球初始位置在A处,自由摆动经过B、C处,再来回摆动.小球由C运动到B的过程中,
能转化为
能:在实际做这个实验时,小球最终将停在
处,其原因是
.

查看答案和解析>>
科目:
来源:2009-2010学年苏科版九年级(上)期末物理试卷03(解析版)
题型:填空题
如图是直流电动机提升重物的示意图和电动机工作时的能量转化情况.电源电压为110V且保持不变,电路中的电流是5A,重500N的物体在电动机带动下以0.9m/s的速度匀速上升,不计各处摩擦,则1min里电动机产生的内能为
J,电动机线圈的电阻是
?.

查看答案和解析>>
科目:
来源:2009-2010学年苏科版九年级(上)期末物理试卷03(解析版)
题型:解答题
(1)请在图甲中标出螺线管的磁极并画出磁感线的方向.
(2)如图乙所示,方框内是由两个相同的电阻和一个开关组成的电路,当闭合开关时,电流表示数变为原来的两倍,画出方框内电路连接的情况.(电源电压保持不变)
(3)如图丙所示的曲棒ABC可绕A点的转动,请画出使曲棒ABC在图中位置保持平衡时所需最小力F和力F的力臂L.

查看答案和解析>>
科目:
来源:2009-2010学年苏科版九年级(上)期末物理试卷03(解析版)
题型:解答题
小刚用图示电路探究“电流与电阻的关系”,在实验中,当AB两点间接5Ω的电阻时,电流表示数为0.4A,现在将5Ω电阻换成的10Ω电阻,电压表的示数将______(变大/变小/不变).实验的下一步操作是将变阻器的滑片向______(左/右)移动,直至电压表的示数为______V时读出此时电流表的示数为______A.

查看答案和解析>>
科目:
来源:2009-2010学年苏科版九年级(上)期末物理试卷03(解析版)
题型:解答题
夏天,水泥马路的温度往往比湖水高得多,这是由于______.为此,市政部门经常派出洒水车向路面洒水降温,若某辆洒水车洒水时做匀速直线运动,则洒水车的动能将______(增大/减小/不变).
查看答案和解析>>
科目:
来源:2009-2010学年苏科版九年级(上)期末物理试卷03(解析版)
题型:解答题
如图所示为家庭电路常用的两种墙壁开关,其按钮可绕面板内某轴转动.根据你的生活经验,你认为______较易损坏,这是因为按动这种开关的______较小,按动需要的力较大.墙壁开关应与所控制的电灯______联.

查看答案和解析>>
科目:
来源:2009-2010学年苏科版九年级(上)期末物理试卷03(解析版)
题型:解答题
如图是一台电冰箱的铭牌.如果按照额定功率100W和工作24h计算,则消耗的电能是 ______kW?h,这个计算结果与冰箱铭牌上提供的相关参数差异较大,是由于冰箱具有 ______工作的特点而造成的.

查看答案和解析>>