相关习题
 0  83557  83565  83571  83575  83581  83583  83587  83593  83595  83601  83607  83611  83613  83617  83623  83625  83631  83635  83637  83641  83643  83647  83649  83651  83652  83653  83655  83656  83657  83659  83661  83665  83667  83671  83673  83677  83683  83685  83691  83695  83697  83701  83707  83713  83715  83721  83725  83727  83733  83737  83743  83751  235360 

科目: 来源:2009-2010学年苏科版九年级(上)期末物理试卷13(解析版) 题型:填空题

家庭电路中各盏照明灯是    联的;如图所示,人们用测电笔辨别火线和零线的两种使用方法中,正确的是   

查看答案和解析>>

科目: 来源:2009-2010学年苏科版九年级(上)期末物理试卷13(解析版) 题型:填空题

如图所示是一把既能吹冷风,又能吹热风的电吹风的简化电路,图中A是吹风机,B是电热丝.将插头插入插座,若只闭合开关Sl,电吹风吹出的是    风;若将开关Sl、S2都闭合,电吹风吹出的是    风.(热/冷)

查看答案和解析>>

科目: 来源:2009-2010学年苏科版九年级(上)期末物理试卷13(解析版) 题型:填空题

早晨小威的妈妈用豆浆机打豆浆,从开始加热到豆浆煮熟的过程中豆浆的内能    (填“增大”、“减小”或“不变”),小威在边吃早餐边听天气预报时发现北京比苏州的昼夜温差大,是因为水的    大.

查看答案和解析>>

科目: 来源:2009-2010学年苏科版九年级(上)期末物理试卷13(解析版) 题型:填空题

电流表越精密,其内部电阻就越小,这样,当电流表    联接入电路中时,电路的总电阻和电流都不会有明显的变化,可以忽略.但是,电流表的接入毕竟使电路有所变化,因此,测量是有误差的,由此引起电流的测量值应该比真实值略    (填“大”、“小”).

查看答案和解析>>

科目: 来源:2009-2010学年苏科版九年级(上)期末物理试卷13(解析版) 题型:填空题

由于光照而产生电压的现象叫光伏效应.单晶硅太阳能电池就是根据光伏效应设计的.已知某一单片单晶硅太阳能电池在正常太阳光照射下,光电转换效率可达25%,产生的电压为0.6 V,用它给电阻为6Ω的用电器供电时,电流是    A;每秒钟照射到该单片单晶硅太阳能电池上的太阳光的能量是    J.

查看答案和解析>>

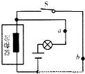
科目: 来源:2009-2010学年苏科版九年级(上)期末物理试卷13(解析版) 题型:填空题

恐怖分子在公共场所安装了定时炸弹,其引爆装置如图所示,起爆前定时开关S是闭合的,当设定起爆时间一到,定时开关S会自动断开.为使引爆装置停止工作,拆弹专家应在图中    (填“a”或“b”)处剪断导线.拆除前起爆器上    (填“有”或“没有”)电流通过.

查看答案和解析>>

科目: 来源:2009-2010学年苏科版九年级(上)期末物理试卷13(解析版) 题型:填空题

图甲是安装在木板正面的部分电路,其中a、b、c、d是穿越木板的接线柱,两个灯座的两端分别接在两个接线柱上,安装两个相同的小灯泡Ll、L2.木板背面的部分接线柱之间有导线相连着,从而使木板正背两面的电路组成一个完整的电路.闭合开关通电后,两灯都能正常发光.
(1)小明说出了判断两灯是串联还是并联的正确方法:用手将其中一个小灯泡取掉,若另一灯泡仍发光,则说明两灯的连接方式是    ,否则是另一种连接方式.
(2)小丽在电源和开关之间串联接入电流表,闭合开关,两灯亮,电流表示数如图乙所示,可初步判断通过灯L的电流可能是    A,也可能是    A、若电流大小是后一填空的值,则表明两灯的连接方式是   

查看答案和解析>>

科目: 来源:2009-2010学年苏科版九年级(上)期末物理试卷13(解析版) 题型:填空题

一架数码相机,用的锂电池电压为3.6V,容量为1000mA?h(相当于用1000mA的电流释放可放电1h,用500mA的电流释放可放电2h,以此类推).若关闭液晶屏时可拍摄照片400张左右,则每拍一张照片所消耗的电能约为    J;若打开液晶屏时可拍摄照片150张左右,则每拍一张照片液晶屏消耗的电能约为    J.

查看答案和解析>>

科目: 来源:2009-2010学年苏科版九年级(上)期末物理试卷13(解析版) 题型:填空题

如图所示的电路中,L1和L2是两只标有“6V 6W”字样的小灯泡,电源电压6V.闭合开关两灯正常工作.则a是    表,b    表,a表的示数是   

查看答案和解析>>

同步练习册答案