相关习题
0 83585 83593 83599 83603 83609 83611 83615 83621 83623 83629 83635 83639 83641 83645 83651 83653 83659 83663 83665 83669 83671 83675 83677 83679 83680 83681 83683 83684 83685 83687 83689 83693 83695 83699 83701 83705 83711 83713 83719 83723 83725 83729 83735 83741 83743 83749 83753 83755 83761 83765 83771 83779 235360
科目:
来源:2008-2009学年江苏省泰州市兴化市九年级(上)期末物理试卷(解析版)
题型:解答题
如图所示,斜面长5m,高3 m,小明用绳子沿斜面将重为300N的木块由斜面底端匀速拉到顶端,拉力大小为240N,绳重不计.求:
(1)小明做的有用功;
(2)斜面的机械效率.
(3)木块与斜面间的摩擦力.

查看答案和解析>>
科目:
来源:2008-2009学年江苏省泰州市兴化市九年级(上)期末物理试卷(解析版)
题型:解答题
如图所示的电路,电源电压为12 V保持不变,R
1=4Ω,R
2=6Ω,闭合开关S,调节滑动变阻器,当电流表A
2的示数如图所示,则电流表A
1的示数是多少?

查看答案和解析>>
科目:
来源:2008-2009学年江苏省泰州市兴化市九年级(上)期末物理试卷(解析版)
题型:解答题
学校实践活动小组的同学想检测一只电能表是否准确,电能表表盘如图所示,接入电路中的用电器功率为500W,甲同学打算让用电器连续工作5h,通过计算可知;而乙同学认为甲同学用的时间太长,于是他用3min测出表盘转过80转.请你求解下列问题:

(1)如电能表准确,则该用电器连续工作5h后,该电能表的示数.
(2)如电能表准确,则按照乙同学测得的数据,结合电能表表盘上示数,则接入电路的用电器实际功率应为多大?
查看答案和解析>>
科目:
来源:2008-2009学年江苏省泰州市兴化市九年级(上)期末物理试卷(解析版)
题型:解答题
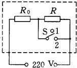
CFXR型“220V 1100W”电饭煲的原理图如图所示,它有高温烧煮和焖饭、保温两挡,通过单刀双掷开关S进行调节,R
为电热丝,当开关S接高温烧煮挡时,电路的功率为1100W,当开关S接焖饭、保温挡时,电路的总功率为22W.
(1)电饭煲在高温烧煮挡时,开关S应与哪个触点连接?
(2)电热丝R
的阻值多大?
(3)当电饭煲在正常焖饭、保温时电路中的电流多大?焖饭、保温10min,电热丝R
产生的热量为多少?

查看答案和解析>>
科目:
来源:2008-2009学年江苏省泰州市兴化市实验中学九年级(上)期末物理试卷(解析版)
题型:选择题
马路上的灯总是一齐亮,一齐熄,如果它们其中一盏灯的灯丝断了,其它灯仍能正常发光,由此可知路灯( )
A.是串联的
B.是并联的
C.可能是串联的,也可能是并联的
D.不能确定
查看答案和解析>>
科目:
来源:2008-2009学年江苏省泰州市兴化市实验中学九年级(上)期末物理试卷(解析版)
题型:选择题
关于电流表的使用,下列说法中不正确的是( )
A.使用前如果电流表的指针没有指在表盘上的“0”点,要先进行调零
B.电流表要并联在被测电路中
C.当电路中的电流不估计时,要用试触的方法来选定合适的量程
D.绝不允许不经过用电器把电流表接线柱接到电源的两极上
查看答案和解析>>
科目:
来源:2008-2009学年江苏省泰州市兴化市实验中学九年级(上)期末物理试卷(解析版)
题型:选择题
如图所示的电路中,当开关S合上时,电压表测的是( )

A.灯L
2两端电压
B.电源的电压
C.灯L
l两端的电压
D.灯L
2和电源两端的电压
查看答案和解析>>
科目:
来源:2008-2009学年江苏省泰州市兴化市实验中学九年级(上)期末物理试卷(解析版)
题型:选择题
楼道里,夜间只是偶尔有人经过,电灯总是亮着会浪费电能.科研人员利用光敏材料制成“光控开关”,天黑时自动闭合;天亮时自动断开.利用声敏材料制成“声控开关”,当有人走动发出声音时,自动闭合;无人走动时,自动断开.若将这两个开关配合使用(如图),就可以使楼道灯变得“智能化”,这种“智能”电路正确的是( )
A.

B.

C.

D.

查看答案和解析>>
科目:
来源:2008-2009学年江苏省泰州市兴化市实验中学九年级(上)期末物理试卷(解析版)
题型:选择题
关于滑动变阻器和电阻箱的下列说法中,正确的是( )
A.它们都能任意连续改变接入电路的电阻大小
B.它们都能显示接入电路的电阻大小
C.它们都是靠改变导线的粗细来改变电阻的
D.它们都能逐渐改变所在电路的电流大小
查看答案和解析>>
科目:
来源:2008-2009学年江苏省泰州市兴化市实验中学九年级(上)期末物理试卷(解析版)
题型:选择题

如图所示的电路中,电源电压和灯泡电阻保持不变,闭合开关S,将滑动变阻器的滑片P向右移动,则( )
A.电流表示数增大,电压表示数减小
B.电流表示数减小,电压表示数增大
C.电流表示数增大,电压表示数增大
D.电流表示数减小,电压表示数减小
查看答案和解析>>