相关习题
0 83632 83640 83646 83650 83656 83658 83662 83668 83670 83676 83682 83686 83688 83692 83698 83700 83706 83710 83712 83716 83718 83722 83724 83726 83727 83728 83730 83731 83732 83734 83736 83740 83742 83746 83748 83752 83758 83760 83766 83770 83772 83776 83782 83788 83790 83796 83800 83802 83808 83812 83818 83826 235360
科目:
来源:2009-2010学年重庆市渝中区巴蜀中学九年级(上)期末物理试卷(解析版)
题型:选择题
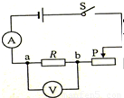
在研究“一定电压下,电流与电阻的关系”时,电路如图所示.电源电压恒为3V,滑动变阻器上标有“15Ω 1A”字样.在a、b间先后接入不同阻值的定值电阻,移动滑片P,使电压表示数为1.5V,读出电流表的示数.当20Ω的电阻接入a、b间时,电压表示数始终无法达到1.5V,其原因可能是( )

A.滑动变阻器阻值太小
B.电源电压3V太高
C.20Ω的阻值太小
D.控制的电压1.5V太高
查看答案和解析>>
科目:
来源:2009-2010学年重庆市渝中区巴蜀中学九年级(上)期末物理试卷(解析版)
题型:选择题
电位器和滑动变阻器都是变阻器,它们的原理都是通过改变导体的长度从而改变接入电路中的电阻.如图是某电位器的结构示意图,电阻片R的两端分别与接线端A、C相连,滑动片P的一段通过转轴O与接线端B相连,另一端与电阻片R接触良好,并能绕转轴O在电阻片R上滑动.已知电阻片R的总电阻为10Ω,将电位器A、B两个接线柱分别接在电压为2.4V的电源两端.当滑动片P位于如图所示的位置时,接线端B、C间的电阻为6Ω.则下列说法中正确的是( )

A.接线端B、C间的电压为2.4V
B.电位器消耗的电功率为1.44W
C.通过A、B间电阻的电流为0.4A
D.滑动片P逆时针向C端滑动的过程中,接入电路中的电阻变小
查看答案和解析>>
科目:
来源:2009-2010学年重庆市渝中区巴蜀中学九年级(上)期末物理试卷(解析版)
题型:填空题
如图所示,是我国选手在第24届世界大学生冬运会女子冰壶比赛中夺冠的一个场景.比赛时两名队员在冰壶前方“刷冰”,通过
的方式改变冰的内能,使表面的冰
成薄薄的一层水(填物态变化名称),这样就能够减小冰壶与冰面之间的
,使冰壶按照运动员预计的运动快慢和方向运动.

查看答案和解析>>
科目:
来源:2009-2010学年重庆市渝中区巴蜀中学九年级(上)期末物理试卷(解析版)
题型:填空题

如图所示是一把既能吹冷风,又能吹热风的电吹风的简化电路,图中A是吹风机,B是电热丝.将插头插入插座,若只闭合开关S
l,电吹风吹出的是
风;若将开关S
l、S
2都闭合,电吹风吹出的是
风.(热/冷)
查看答案和解析>>
科目:
来源:2009-2010学年重庆市渝中区巴蜀中学九年级(上)期末物理试卷(解析版)
题型:填空题
人体安全电压不高于36V,当通过人体的电流接近30mA时就会有生命危险.据此可以推断,人体是 (填“导体”或“绝缘体”),人体电阻约 Ω.
查看答案和解析>>
科目:
来源:2009-2010学年重庆市渝中区巴蜀中学九年级(上)期末物理试卷(解析版)
题型:填空题
如图所示,虚线框内有两个阻值分别为5Ω、10Ω的电阻,小明同学想了解其连接方式,于是用3V的电源、电流表和开关进行了检测,闭合开关后,测得电流表的读数为0.2A.则两个电阻的连接方式是
.若要增大电流表的读数,可以采取的措施有
.

查看答案和解析>>
科目:
来源:2009-2010学年重庆市渝中区巴蜀中学九年级(上)期末物理试卷(解析版)
题型:填空题
微波炉是效率很高的家用电器,一个标有“220V,880W”的微波炉,正常使用时,其电阻是 Ω,通过它的电流是 A,若用它煮一餐饭花15分钟的时间,则煮一餐饭用 度电.
查看答案和解析>>
科目:
来源:2009-2010学年重庆市渝中区巴蜀中学九年级(上)期末物理试卷(解析版)
题型:填空题
学校的路灯经常烧坏,更换十分不便,电工师傅用“挑担灯’’解决了这个问题,即将“220V 100W”和“220V 60W”的甲乙两盏规格相同的白炽灯串联接入照明电路.上述两盏灯相比较,灯丝较粗的是 灯,两灯工作时,较亮的是 灯.(填“甲”或“乙”)
查看答案和解析>>
科目:
来源:2009-2010学年重庆市渝中区巴蜀中学九年级(上)期末物理试卷(解析版)
题型:填空题
用丝绸摩擦过的玻璃棒靠近不带电的验电器金属球时,金属箔片会张开,此时金属球上带的是 电,金属箔片上带的是 电;但如果用玻璃棒去接触验电器金属球,金属箔片也会张开,此时金属球上带的是 电,金属箔片上带的是 电.
查看答案和解析>>
科目:
来源:2009-2010学年重庆市渝中区巴蜀中学九年级(上)期末物理试卷(解析版)
题型:填空题
学习了电学知识以后,好学的李明仔细观察了家中电热水壶的铭牌(如表所示),电热水壶正常工作时的功率为
W.他将电热水壶中装满水,通电1.5min后,测出水温从20℃上升到40℃.在此过程中,水吸收热量
J[c
水=4.2×10
3J].
| 型号 | HB-3022 |
| 容量 | 1kg |
| 额定电压 | 220V |
| 额定功率 | 1kw |
查看答案和解析>>