相关习题
 0  84072  84080  84086  84090  84096  84098  84102  84108  84110  84116  84122  84126  84128  84132  84138  84140  84146  84150  84152  84156  84158  84162  84164  84166  84167  84168  84170  84171  84172  84174  84176  84180  84182  84186  84188  84192  84198  84200  84206  84210  84212  84216  84222  84228  84230  84236  84240  84242  84248  84252  84258  84266  235360 

科目: 来源:2007-2008学年江苏省苏州市高新区九年级(上)期末物理试卷(解析版) 题型:解答题

为迎接2008年北京奥运会,我国体育健儿在紧张地备战.如图所示,该运动员在一次训练中,用0.7s的时间将140kg的杠铃举高2 m,请你算一算(g取10N/kg)
(l)杠铃所受的重力为多少N?
(2)该运动员这一次举起杠铃的过程中至少做了多少J的功?
(3)该运动员举起杠铃的功率至少是多少W?

查看答案和解析>>

科目: 来源:2007-2008学年江苏省苏州市高新区九年级(上)期末物理试卷(解析版) 题型:解答题

如图所示,电源电压U保持12V不变,标有“10V 4W”字样的灯L与滑动变阻器R串联接入电路.求:
(1)灯丝电阻RL(设灯丝电阻不变);
(2)当L的实际功率为2.25W时,滑动变阻器R的接入电阻多大?

查看答案和解析>>

科目: 来源:2007-2008学年江苏省苏州市高新区九年级(上)期末物理试卷(解析版) 题型:解答题

如图所示,滑动变阻器R2的滑片在某两点间移动时,电流表示数范围在1A至2A之间变化,电压表示数相应在6V至9V之间变化,则定值电阻R的阻值是______Ω;电源电压为______V.

查看答案和解析>>

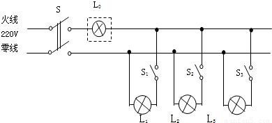
科目: 来源:2007-2008学年江苏省苏州市高新区九年级(上)期末物理试卷(解析版) 题型:解答题

电工师傅常用一只额定电压为220V的灯泡L(检验灯泡)取代保险丝来检查新安装的照明电路中每个支路的情况,如图所示.当S闭合后,再分别闭合S1、S2、S3(每次只能闭合其中之一)时,可能出现以下三种情况,试判断(选填:“短路”、“断路”或“正常”):

(1)L不亮,说明该支路______.
(2)L正常发光,说明该支路______.
(3)L发光呈暗红色,说明该支路______.

查看答案和解析>>

科目: 来源:2007-2008学年江苏省苏州市高新区九年级(上)期末物理试卷(解析版) 题型:解答题

现有两只定值电阻R1和R2(R1=2R2),一个电压恒定的电池组及若干导线.试在图中的虚线框内把这些器材连接在A、B、C、D四个接线柱上,使它们组成一个完整的电路,并能满足以下要求:当开关S断开时,电流表有一定示数;当S闭合时,电流表的示数为S断开时的3倍.

查看答案和解析>>

科目: 来源:2007-2008学年江苏省苏州市高新区九年级(上)期末物理试卷(解析版) 题型:解答题

某中学物理课外小组同学做电学实验时经常发现,电路开关闭合后,电路仍没工作,分析发现电路中可能由于接触不良而造成开路,为了判断开路故障发生在哪里,小明和课外活动小组的同学将二节干电池串联后和两根导线及小灯泡连在一起,设计制作了如图A所示的“测通器”.
(1)如果需要检测开关是否完好,可把“测通器”ab两端分别接在电路中的开关两端的接线柱上,如图B所示,若不论开关是闭合还是断开,小灯泡都不亮,则表明______.
(2)小明用这个“测通器”检测家庭照明电路的故障,他用闸刀开关使进户线的火线和零线断开,将“测通器”ab两端插在双孔插座两孔内,发现小灯泡发光,这说明家庭电路中可能出现了______故障.
(3)他们用“测通器”探究电位器的内部结构,当连成如图C所示电路时,用取子沿顺时针方向旋动电位器的旋钮,发现灯泡亮度不变.当连成如图D所示电路时,用取子顺时针旋动旋钮,灯变暗;若连成如图E所示电路,当沿顺时针旋动旋钮时,灯的亮度将______.(选填“不变”、“变亮”、“变暗”)

查看答案和解析>>

科目: 来源:2007-2008学年江苏省苏州市高新区九年级(上)期末物理试卷(解析版) 题型:解答题

有一电源和电阻连接组成的装置,只有M、N两个接线柱可供使用,如图所示,装置内电源的电压和电阻的阻值均未知,现要求测定此装置内电阻的阻值R.

(1)下列器材中:
a、一个未知最大阻值的滑动变阻器;
b、一个标有额定电压的灯泡;
c、一个已知阻值为R的定值电阻;
d、一个量程合适的电流表;
e、一个单刀双掷开关:“
根据你设计的方法,必须选用的器材是______(填字母).
(2)简要说明测量方法,并写出需要测量的物理量(用字母表示),并画出电路图.
(3)写出计算电阻阻值的表达式:R=______.

查看答案和解析>>

科目: 来源:2009-2010学年苏科版九年级(上)期中物理试卷(4)(解析版) 题型:选择题

如图所示的用具中,属于省力杠杆的是( )
A.
B.
C.
D.

查看答案和解析>>

科目: 来源:2009-2010学年苏科版九年级(上)期中物理试卷(4)(解析版) 题型:选择题

在不计机械自重和摩擦的情况下,能用10N拉力刚好提起重20N物体的简单机械有( )
A.一个动滑轮
B.一个定滑轮
C.杠杆
D.一个定滑轮和一个动滑轮组成的滑轮组

查看答案和解析>>

科目: 来源:2009-2010学年苏科版九年级(上)期中物理试卷(4)(解析版) 题型:选择题

一个人先后用同样大小的水平推力,使同一个木箱在光滑和粗糙两种不同的水平地面上运动相等的距离,则( )
A.在粗糙的地面上,人做的功多
B.在光滑的地面上,人做的功多
C.两种情况下做的功一样多
D.条件不足,无法比较

查看答案和解析>>

同步练习册答案