精英家教网> 2024年计算机机械图形绘制 > 第24页 参考答案

2024年计算机机械图形绘制

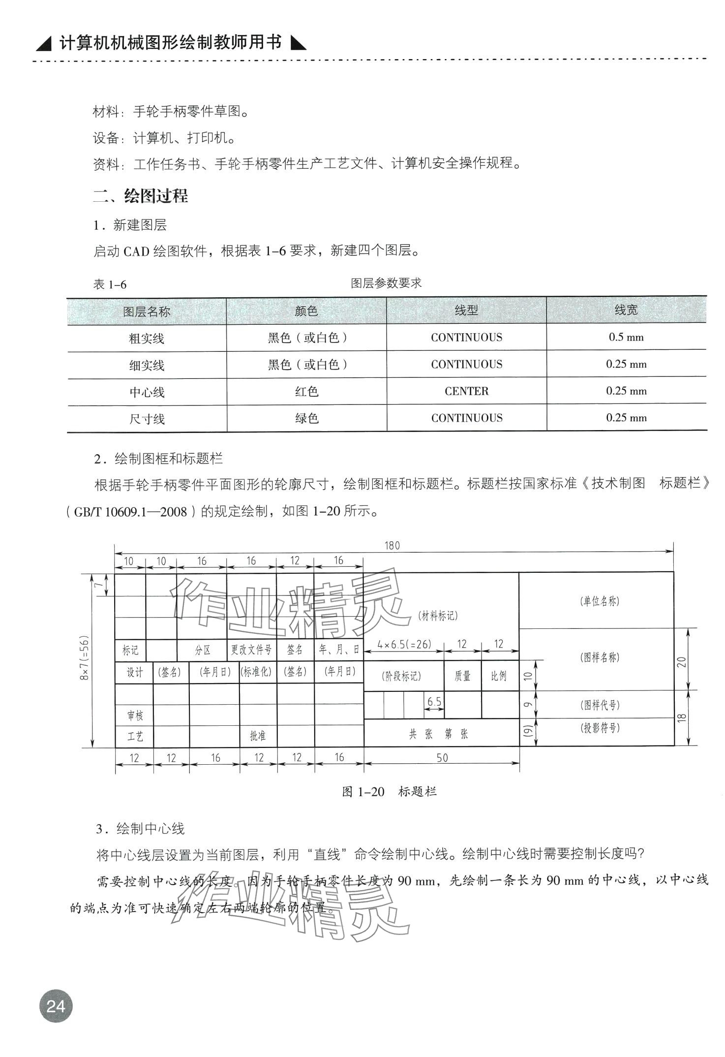
注:目前有些书本章节名称可能整理的还不是很完善,但都是按照顺序排列的,请同学们按照顺序仔细查找。练习册2024年计算机机械图形绘制答案主要是用来给同学们做完题方便对答案用的,请勿直接抄袭。

2024年计算机机械图形绘制 第24页