题目列表(包括答案和解析)

 0  120752  120760  120766  120770  120776  120778  120782  120788  120790  120796  120802  120806  120808  120812  120818  120820  120826  120830  120832  120836  120838  120842  120844  120846  120847  120848  120850  120851  120852  120854  120856  120860  120862  120866  120868  120872  120878  120880  120886  120890  120892  120896  120902  120908  120910  120916  120920  120922  120928  120932  120938  120946  447348 

22.如图甲所示,abcd为导体做成的框架,其平面与水平面成θ角。质量为m的导体棒PQad、bc接触良好,回路的总电阻为R。整个装置放在垂直于框架平面的变化磁场中,磁场的磁感应强度B随时间t变化情况如图乙所示(设图甲中B的方向为正方向)。若PQ始终静止,关于PQ与框架间的摩擦力在 0~t1时间内的变化情况,有如下判断


 

 
 
 

①一直增大  

②一直减小   

③先减小后增大  

④先增大后减小

以上对摩擦力变化情况的判断可能的是

A.①④          B.①③             C.②③             D.②④

第Ⅱ卷(非选择题   共168分)

试题详情

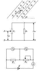
21.如图所示,R1为定值电阻,R2为滑动变电阻器,电源E内阻不计。现有如下判断

①当R2为定值时,电压表V1的示数与电流表A的示数之比为R1

②当R2为定值时,电压表V2的示数与电流表A的示数之比为 R1

③当R2的阻值发生变化时,电压表V2示数变化的数值与电流表A示数变化的数值之比为R1

④当R2的阻值发生变化时,电压表V1示数变化的数值与电流表A示数变化的数值之比为R1

以上判断全部正确的组合是

A.①④          B.②③          C.①③④               D.②③④

试题详情

20.如图所示,输入电压UAB=200 V,变阻器R1标有

“150 Ω、3 A”字样,负载电阻R2标有“50 Ω、2 A”字样,在电路允许的情况下,则输出电压Uab

A.最大值为200 V,最小值为0

B.最大值为100 V,最小值为0

C.最大值为200 V,最小值为75 V

D.最大值为100 V,最小值为75 V

试题详情

19.如图所示,实线表示在竖直平面内匀强电场的电场线,电场线与水平方向成α角,水平方向的匀强磁场与电场正交,有一带电液滴沿斜向上的虚线l做直线运动,l与水平方向成β角,且αβ,则下列说法中错误的是

A.液滴一定做匀速直线运动

B.液滴一定带正电

C.电场线方向一定斜向上

D.液滴有可能做匀变速直线运动

试题详情

18.如图所示,是一列简谐横波在某时刻的波形图象。已知波沿着x轴的负方向传播,波的频率为2.5 Hz,a为介质中某一质点,下列判断正确的是

A.经过0.1 s,a点的位移为正的最大值

B.经过0.1 s,a点移动到b

C.经过0.2 s,a点的振动方向向上

D.经过0.2 s,a点的速度最小

试题详情

17.将两节相同的电池分别以串联或并联两种方式与同一个外电阻R相连接,组成闭合电路,每节电池的电动势为E、内阻为r,并且r=R。当电池串联时,电路的路端电压为U1,通过电阻的电流为I1;当电池并联时,电路的路端电压为U2,通过电阻的电流为I2,则下列关系正确的是(提示:两节相同电池并联使用时,总电动势等于每节电池的电动势,总电阻的计算与并联电阻的计算方法相同)

A.U1U2   I1I2

B.U1=U2   I1=I2

C.U1U2   I1I2

D.U1U2   I1=I2

试题详情

16.如图所示,矩形线圈abcd的一部分在匀强磁场内,水平磁场B的方向与线圈平面垂直,磁场的边界与ab边平行,在线圈运动的过程中bc边受到的安培力方向竖直向下,则线圈的运动情况是

A.向左平动

B.向右平动

C.向上平动

D.向下平动

试题详情

15.下列说法中正确的是

A.布朗运动实验中看到的小颗粒的运动就是液体分子的无规则运动

B.只要温度相同,任何物体分子运动的平均速率都相等

C.当物体的温度升高时,分子的平均动能增大

D.当物体的机械能发生变化时,内能一定发生变化

试题详情

14.为了探究金属腐蚀的条件和快慢,某课外学习小组用不同的细金属丝将三根大小相同的普通铁钉分别固定在下图所示的三个装置内,并将这些装置在相同的环境中放置相同的一段时间,下列对实验结果的描述不正确的是

A.实验结束时,装置1左侧的液面一定会下降

B.实验结束时,装置1一定比装置2左侧的液面低

C.实验结束时,铁钉b腐蚀最严重

D.实验结束时,铁钉c几乎没有被腐蚀

试题详情

13.某有机物的结构简式如下,关于它性质的叙述正确的是

A.酸性条件下可以发生水解反应,且产物只有一种

B.1 mol该有机物与足量氢氧化钠溶液共热,最多消耗7 mol NaOH

C.1 mol该有机物最多能和含2 mol溴的溴水反应

D.该有机物与新制氢氧化铜或高锰酸钾酸性溶液都不能反应

试题详情


同步练习册答案