精英家教网 > 初中物理 > 题目详情
(2008?石景山区二模)实验桌上有如下实验器材:同种材料制成的长度相同、不同横截面积(粗细均匀)的导体若干,符合实验要求的电源一个、滑动变阻器一个、电流表和电压表各一只、开关一个、导线若干.科技小组的同学们猜想:在电压一定时,通过这些导体的电流可能与它们的横截面积成正比.为了验证以上猜想,请你从实验桌上选择适当器材,画出实验电路图,并写出实验步骤.
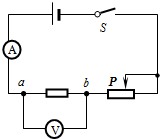
(1)实验电路图:
(2)实验步骤:
①按电路图,将横截面积为S1的导体接入电路.
分析:要使通过电阻的电压保持不变,必须把这几个电阻和电流表串联起来,然后利用滑动变阻器的调节保持电压表的示数不变,依次测出通过同种材料制成的长度相同、不同横截面积导体中的电流,从而得出这些导体的电流是否与它们的横截面积成正比.
解答:解:(1)用导线把合金丝、电源、电流表、滑动变阻器串联起来,电压表的与金属丝并联.电路图如下图所示:

(2)步骤:①按电路图,将横截面积为S1的导体接入电路;
②闭合开关S,调节滑动变阻器,使电压表示数为一定值U,记录电流表示数I1
③断开开关S,换横截面积为S2的导体接入电路中,闭合开关S,调节滑动变阻器,使电压表示数仍为U,记录电流表示数I2
④重复步骤③4次,分别依次记录接入横截面积分为S3、S4、S5、S6的导体时电流表的示数I3、I4、I5、I6
点评:本题考查学生根据题意画电路图的能力,并学会要用所画的电路图设计实验步骤和进行实验的能力.
练习册系列答案
相关习题

科目:初中物理 来源: 题型:

(2008?石景山区二模)我们能从各个方向看到本身不发光的物体,是由于光在物体表面发生了
反射的缘故.(填“漫”或“镜面”)

查看答案和解析>>

科目:初中物理 来源: 题型:

(2008?石景山区一模)在国际单位制中,热量的单位是(  )

查看答案和解析>>

科目:初中物理 来源: 题型:

(2008?石景山区一模)下列自然现象中,属于凝华现象的是(  )

查看答案和解析>>

科目:初中物理 来源: 题型:

(2008?石景山区一模)如图所示的四种现象中,由于光的折射形成的是(  )

查看答案和解析>>

科目:初中物理 来源: 题型:

(2008?石景山区一模)下列数据中最接近实际的是(  )

查看答案和解析>>

同步练习册答案