精英家教网 > 高中物理 > 题目详情
为了研究一个“2.5V  0.2W”小灯泡的伏安特性,现有4V蓄电池1只,电键1个,导线若干,其他可选择的器材如下:?
A.量程为0-3A,内阻约为0.025Ω的电流表1只;?
B.量程为0-0.6A,内阻约为0.2Ω的电流表1只;?
C.量程为0-100mA,内阻约为5Ω的电流表1只;?
D.量程为0-3V,内阻约为10kΩ的电压表1只;?
E.量程为0-15V,内阻约为50kΩ的电压表1只;?
F.额定电流为1A,阻值为0-5Ω的滑动变阻器1只.?
(1)要正确完成这个实验,电流表应选______,电压表应选______(选填相应器材的代号)
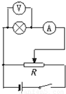
(2)在线框内画出实验的电路原理图.

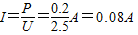
【答案】分析:器材选取的原则是安全、精确.通过灯泡的额定电压和额定电流选择电流表和电压表的量程.测量伏安特性电压和电流需从零开始测起,滑动变阻器需采用分压式接法.求出灯泡电阻,分析其是大电阻还是小电阻,从而确定电流表的内外接.
解答:解:(1)因为灯泡的额定电压为2.5V,所以电压表的量程选择0-3V,灯泡的额定电流,所以电流表的量程选择0-100mA,故选C、D.
(2)由于电压电流需从零开始测起,所以滑动变阻器采用分压式接法,正常工作时灯泡的电阻.远小于电压表的内阻,属于小电阻,电流表采用外接法.电路图如图所示.
故答案为:(1)C; D?(2)实验电路图如图所示,变阻器采用分压式接法,电流表应采用外接法?.
点评:解决本题的关键掌握器材选取的原则,以及知道滑动变阻器分压式和限流式接法的区别,电流表内外接的区别.
练习册系列答案
相关习题

科目:高中物理 来源: 题型:

为了研究一个“2.5V  0.2W”小灯泡的伏安特性,现有4V蓄电池1只,电键1个,导线若干,其他可选择的器材如下:?
A.量程为0-3A,内阻约为0.025Ω的电流表1只;?
B.量程为0-0.6A,内阻约为0.2Ω的电流表1只;?
C.量程为0-100mA,内阻约为5Ω的电流表1只;?
D.量程为0-3V,内阻约为10kΩ的电压表1只;?
E.量程为0-15V,内阻约为50kΩ的电压表1只;?
F.额定电流为1A,阻值为0-5Ω的滑动变阻器1只.?
(1)要正确完成这个实验,电流表应选
C
C
,电压表应选
D
D
(选填相应器材的代号)
(2)在线框内画出实验的电路原理图.

查看答案和解析>>

科目:高中物理 来源: 题型:

为了研究一个“2.5V,1W”的小灯泡的伏安特性,现有蓄电池一组,电键一个,导线若干,0-5Ω、额定电流为1A的滑动变阻器一个,其他可供选择的器材如下:
A.量程为0-3A,内阻为0.025Ω的电流表; B.量程为0-0.6A,内阻为0.2Ω的电流表;
C.量程为0-l00mA,内阻为5Ω的电流表;
D.量程为0-3V,内阻为10KΩ的电压表;  E.量程为0-15V,内阻为50kΩ的电压表;
(1)要正确地完成这个实验,电流表应选
B
B
,电压表应选
D
D
(填代号)
(2)请在答题卷相应位置画出电路原理图:分压外接.

查看答案和解析>>

科目:高中物理 来源: 题型:

为了研究一个“2.5 V  0.2 W”小灯泡的伏安特性,现有4 V蓄电池1只,电键1个,导线若干,其他可选择的器材如下:

A.量程为0-3 A,内阻为0.025 Ω的电流表1只

B.量程为0-0.6 A,内阻为0.2 Ω的电流表1只

C.量程为0-100 mA,内阻为5 Ω的电流表1只

D.量程为0-3 V,内阻为10 kΩ的电压表1只

E.量程为0-15 V,内阻为50 kΩ的电压表1只

F.额定电流为1 A,阻值为0-5 Ω的滑动变阻器1只

(1)要正确完成这个实验,电流表应选_____________,电压表应选_____________(选填相应器材的代号)

(2)在虚线框内画出实验的电路原理图.

查看答案和解析>>

科目:高中物理 来源:2012-2013学年江西省上高二中高二上学期第二次月考物理试卷(带解析) 题型:实验题

为了研究一个“2.5 V  0.2 W”小灯泡的伏安特性,现有4 V蓄电池1只,电键1个,导线若干,其他可选择的器材如下:

A.量程为0—0.6 A,内阻为0.2 Ω的电流表1只;
B.量程为0—100 mA,内阻为5 Ω的电流表1只;
C.量程为0—3 V,内阻为10 kΩ的电压表1只;
D.量程为0—15 V,内阻为50 kΩ的电压表1只
E.额定电流为1 A,阻值为0—5 Ω的滑动变阻器1只.
(1)要正确完成这个实验,电流表应选______,电压
表应选______(选填相应器材的代号)
(2)在虚线框内画出实验的电路原理图.

查看答案和解析>>

科目:高中物理 来源:2014届江西省高二上学期第二次月考物理试卷(解析版) 题型:实验题

为了研究一个“2.5 V  0.2 W”小灯泡的伏安特性,现有4 V蓄电池1只,电键1个,导线若干,其他可选择的器材如下:

A.量程为0—0.6 A,内阻为0.2 Ω的电流表1只;

B.量程为0—100 mA,内阻为5 Ω的电流表1只;

C.量程为0—3 V,内阻为10 kΩ的电压表1只;

D.量程为0—15 V,内阻为50 kΩ的电压表1只

E.额定电流为1 A,阻值为0—5 Ω的滑动变阻器1只.

(1)要正确完成这个实验,电流表应选______,电压

表应选______(选填相应器材的代号)

(2)在虚线框内画出实验的电路原理图.

 

查看答案和解析>>

同步练习册答案