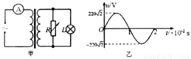
19.如图9所示.理想变压器的原线圈接交流高压电.降压后通过一段电阻不可忽略的线路接用电器.开关S原来闭合.且R1=R2.现将S断开.若输入电压不变.那么接在R1两端的理想交流电压表的示数U.理想交流电流表的示数I和用电器R1上的功率P1的变化情况将分别是 A.U增大.I增大.P1增大 B.U增大.I减小.P1增大 C.U减小.I减小.P1减小 D.U减小.I增大.P1减小 查看更多

 

题目列表(包括答案和解析)

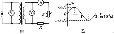
精英家教网如图甲所示,理想变压器原、副线圈的匝数比为55:9,电压表和电流表均为理想电表,原线圈接如图乙所示的正弦交变电流,图中R′为可变电阻,R为定值电阻.下列说法正确的是(  )
A、电压表V2的示数为36V
B、原线圈两端电压的瞬时值表达式为u=220
2
sin50πt
(V)
C、R′减小时,电流表的示数变大,电压表V2的示数变大
D、变压器原线圈的输入功率和副线圈的输出功率之比为55:9

查看答案和解析>>

如图甲所示,理想变压器原、副线圈的匝数比为55:9,副线圈接有一定值电阻R热敏电阻Rt(电阻随温度升高而减小),原线圈所接电源电压按图乙所示规律变化,则下列说法正确的是(  )精英家教网
A、原线圈两端电压的瞬时值表达式为u=220
2
sin100πtV
B、电压表示数为36
2
V
C、热敏电阻RT周围环境温度升高,电流表的示数减小
D、热敏电阻RT周围环境温度升高,变压器的输入功率增大

查看答案和解析>>

如图甲所示,理想变压器原、副线圈的匝数比为55:9,电压表和电流表均为理想电表,原线圈接如图乙所示的正弦交变电流,图中R′为可变电阻,R为定值电阻,下列说法中正确的是(  )
A、原线圈两端电压的瞬时值表达式为u=220
2
sin50πt
(V)
B、电压表V2的示数为36 V
C、R′减小时,电流表的示数变大,电压表V2的示数变大
D、R′减小时,变压器原线圈的输人功率减小

查看答案和解析>>

如图甲所示,理想变压器原、副线圈的匝数比为559,副线圈接有一灯泡L和一电阻箱R,原线圈所接电源电压按图乙所示规律变化,此时灯泡消耗的功率为40W,则下列说法正确的是

A.副线圈两端输出电压为36V

B原线圈中电流表示数为A

C.当电阻R增大时,变压器的输入功率减小

D.原线圈两端电压的瞬时值表达式为V

 

查看答案和解析>>

如图甲所示,理想变压器原、副线圈的匝数比为55 : 9 ,副线圈接有一灯泡L和一电阻箱R,原线圈所接电源电压按图乙所示规律变化,此时灯泡消耗的功率为40W,则下列说法正确的是(?? )

A.副线圈两端输出电压为36 V

B. 原线圈中电流表示数为A

C.当电阻R增大时,变压器的输入功率减小

D.原线圈两端电压的瞬时值表达式为

 

查看答案和解析>>


同步练习册答案