1.写出两种情况下.即K1.K2均开启或均闭合时流经电流表的电流方向 查看更多

 

题目列表(包括答案和解析)

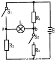
(2003?徐州一模)如图所示的电路中,R1=3Ω,R1=9Ω,R1=6Ω,电源电动势E=24V,内阻不计.当电键S1、S2均开启或均闭合时,灯泡L都正常发光.
(1)写出两种情况下流经灯泡的电流方向;
(2)求灯泡正常发光时的电阻R和其两端电压U.

查看答案和解析>>

下图所示的电路中,R1=3 Ω,R2=9 Ω,R3=6 Ω,电源电动势E=24 V,内阻不计.当电键S1、S2均开启和均闭合时,灯泡L都同样正常发光.

(1)写出两种情况下流经灯泡的电流方向:

S1、S2均开启时;S1、S2均闭合时.

(2)求灯泡正常发光时的电阻R和电压U.

查看答案和解析>>

(10分)如图所示的电路中,,电源电动势E=24V,内阻不计,当开关均开启和闭合时,灯泡L均正常发光。

(1)写出两种情况下流经灯泡的电流方向:均开启时;均闭合时.

(2)求灯泡正常发光时的电阻和电压

 

查看答案和解析>>

如图14-94-1所示的电路中,R1=3 Ω,R2=9性Ω,?R3=6 Ω,电源电动势E=24 V,内阻不计.当开关S1、S2均闭合时,灯泡L都同样正常发光.

图14-94-1

(1)写出两种情况下流经灯泡的电流方向:

?  S1、S2均开启时:                    ?                           

?  S1、S2均闭合时:                    ?                           

(2)求灯泡正常发光的电阻R和电压U.

查看答案和解析>>

如图所示的电路中,R1=3Ω,R1=9Ω,R1=6Ω,电源电动势E=24V,内阻不计.当电键S1、S2均开启或均闭合时,灯泡L都正常发光.
(1)写出两种情况下流经灯泡的电流方向;
(2)求灯泡正常发光时的电阻R和其两端电压U.

查看答案和解析>>


同步练习册答案