题目列表(包括答案和解析)

 0  121332  121340  121346  121350  121356  121358  121362  121368  121370  121376  121382  121386  121388  121392  121398  121400  121406  121410  121412  121416  121418  121422  121424  121426  121427  121428  121430  121431  121432  121434  121436  121440  121442  121446  121448  121452  121458  121460  121466  121470  121472  121476  121482  121488  121490  121496  121500  121502  121508  121512  121518  121526  447348 

20.横波波源做间歇性简谐运动,周期为0.05s,波的传播速度为20m/s,波源每振动一个周期,停止运动0.025s,然后重复振动,在t=0时刻,波源开始从平衡位置向上振动,则下列说法中正确的是

A.在前1.7秒内波传播的距离为17m    

B.若第1.7 秒末波传播到P点,则此时P点的振动方向向下

C.在前1.7秒时间内所形成的机械波中,共有23个波峰

D.在前1.7秒时间内所形成的机械波中,共有23个波谷

试题详情

19.如图所示为一台发电机的结构示意图,其中N、S是永久磁铁的两个磁极,它们的表面呈半圆柱面形状。M是圆柱形铁芯,它与磁极的柱面共轴,铁芯上有一矩形线框,可绕与铁芯M共轴的固定转轴旋转。磁极与铁芯之间的缝隙中形成方向沿半径、大小近似均匀的磁场。若从图示位置开始计时,当线框绕固定轴匀速转动时,下列说法正确的是

A.穿过线圈的磁通量始终为零

B.穿过线圈的磁通量的变化率不为零

C.线圈中将产生稳恒电流

D.线圈中将产生交变电流,大小不变,方向每转一周改变两次

试题详情

18.原子核静止在匀强磁场中的a点,某一时刻发生衰变,

产生如图所示的1和2两个圆轨迹,由此可以判断

a
 
A.发生的是衰变

B.衰变后新核的运动方向向右

C.轨迹1是衰变后新核的轨迹

D.两圆轨迹半径之比为R1:R2=90:1

试题详情

17.两束单色光A、B同时由空气射到某介质的界面MN上,由于折射而合成一复色光C,如图所示,下列说法正确的有

A.A光光子的能量大于B光光子的能量

B.两种光照射同一种金属,B光更容易使金属发生光电效应

C.若A、B光从同种介质射向空气,则A光的临界角大于B光临界角

D.用同样的装置做光的双缝干涉实验,A光比B光得到的干涉条纹间距大

试题详情

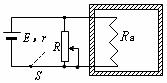
15.启动卫星的发动机使其速度增大,待它运动到距离地面的高度比原来高的位置,再定位使它绕地球做匀速圆周运动成为另一轨道的卫星,该卫星在后一轨道与前一轨道相比                       A.速率增大   B.周期减小 C.加速度增大  D.机械能增大 16. 如图所示,电路与一绝热密闭气缸相连,Ra为电阻丝,电

源有内阻,气缸内有一定质量的理想气体,电键S闭合,现将

变阻器的滑动片向下移动的过程中,下列说法正确的是

A.气缸内气体压强减小

B.气体分子平均动能减小

C.气缸内气体的内能增大

D.气体分子单位时间内对器壁单位面积的撞击次数减少

试题详情

14.如图所示,弹簧秤外壳质量为m0,弹簧及挂钩的质量忽略不计,挂钩吊着一重物质量为m,现用一方向竖直向上的外力F拉着弹簧秤,使其向下做匀加速直线运动,则弹簧秤的读数为            

    A.mg           B.F

C.   D.

试题详情

13.下列关于实验问题处理方法不正确的是

A.实验结束后将所有的废液倒入下水道排出实验室,以免污染实验室

B.制氧气时排水法收集氧气后出现倒吸现象,立即松开试管上的橡皮塞

C.给试管中的液体加热时不时移动试管或加入碎瓷片,以免暴沸伤人

D.配制浓硫酸时,可先在烧杯中加一定体积的水,再边搅拌边加入浓硫酸

试题详情

12.有一种名叫L-多巴的药物可用于治疗帕金森综合症,其结构简式为:

下列关于L-多巴的说法不正确的是 

A.该有机物中所有碳原子可能处于同一个平面

B.该有机物既可以与盐酸反应,又可以与氢氧化钠溶液反应

 

   C.该有机物与         互为同分异构体

   D.该有机物属于芳香烃类

试题详情

11.A、B混合气体在密闭容器中发生如下反应:x A(g) + yB(g)   zC(g),ΔH<0;达到化学平衡后测得A气体的浓度为0.5mol/ L;当恒温下将密闭容器的容积扩大一倍并再次达到平衡时,测得A气体的浓度为0.3 mol/ L。则下列叙述正确的是

   A.平衡向右移动        B.x + yz

C.B的转化率提高       D.C的体积分数增加

试题详情

10.25℃时,体积为Va、pH=a的某一元强酸溶液与体积为Vb、pH=b的某一元强碱溶液均匀混合后,溶液的pH=7,已知b=6a,Va<Vb。下列有关a的说法正确的是

   A.a可能等于1   B.a一定大于2   C.a一定小于2   D.a一定等于2

试题详情


同步练习册答案