题目列表(包括答案和解析)

 0  123667  123675  123681  123685  123691  123693  123697  123703  123705  123711  123717  123721  123723  123727  123733  123735  123741  123745  123747  123751  123753  123757  123759  123761  123762  123763  123765  123766  123767  123769  123771  123775  123777  123781  123783  123787  123793  123795  123801  123805  123807  123811  123817  123823  123825  123831  123835  123837  123843  123847  123853  123861  447348 

19.如图所示,abcd是某匀强电场中的四个点,它们正好是一个矩形的四个顶点,电场线与矩形所在平面平行。 已知a点电势为16V,b点电势为20V,d点电势为8V。下列判断正确的是

A.c点电势高于a点电势

B.场强的方向由b指向d

C.c点的电势为12V

D.若一电子从b运动到c,电场力做功为-4eV

试题详情

18.一列波长大于3.6m的简谐横波沿直线方向由ab传播ab相距6m, a b两质点的振动图象如图所示。由此可知

A.3 s末ab两质点的位移相同

B. 该波的波速为2 m/s

C. 该波的波长为4m

D.该波由a传播到b历时1.5s

试题详情

17.如图所示,为一半圆形的玻璃砖,C为AB的中点,ab两束不同频率的单色可见细光束垂直AB边从空气射入玻璃砖,且两束光在AB面上入射点到C点的距离相等,两束光折射后相交于图中的P点,以下判断正确的是

A.在真空中,a光的传播速度大于b光的传播速度

B.在真空中,a光的波长大于b光的波长

C.a光通过玻璃砖的时间大于b光通过玻璃砖的时间

D.若ab两束光从同一介质射入真空过程中,a光发生全反射的临界角大于b光发生全反射的临界角

试题详情

16. 观察研究发现,“581C”行星是太阳系外发现的第一颗温度和尺寸都与地球类似,可能适合生命居住的行星。它的直径是地球直径的1.5倍,表面的重力加速度是地球表面重力加速度的2倍。若某一飞船绕“581C”行星做匀速圆周运动,其轨道半径等于该行星的直径,运动周期为T1.在地球表面附近绕地球沿圆轨道运行的人造卫星周期为T2,则T1/T2最接近的值为

A.0.58     B.0.87      C.1.1              D.2.4

试题详情

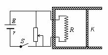
15.如图所示电路与一绝热汽缸相连,R为电热丝,汽缸内封闭着一定质量的理想气体,外界大气压强恒定,闭合电键后,绝热活塞K缓慢且无摩擦地向右移动,则下列说法正确的是

A.气体的内能增大

B.气体分子平均动能不变

C.电热丝放出的热量等于气体对外所做的功

D.单位时间内碰撞到器壁单位面积上的分子数减少

试题详情

14.原子核X衰变为原子核Y,再衰变为原子核Z的过程为:,下述各关系中正确的是

A.        B.         C.         D.

试题详情

13.在体积一定的密闭容器中给定物质A、B、C的量,在一定条件下发生反应建立的化学平衡:aA(g)+bB(g) xC(g),符合下图甲所示的关系(c%表示平衡混合气体中产物C的百分含量,T表示温度,p表示压强)。则图乙中y轴是指

 

A.C的转化率              B.平衡混合气中B的百分含量

C.平衡混合气的平均相对分子质量     D.平衡混合气的密度

试题详情

12. 快乐是什么?精神病学专家通过实验发现:在大脑的相应部位--“奖赏中心”,给予柔和的电击,便会处于似乎极度快乐的状态。人们已经将“奖赏中心”部分的脑电图绘制出来,并认为,在各区域之间传递信息的化学物质是多巴胺,所以“奖赏中心”又称为多巴胺系统。多巴胺结构如右图,下列说法错误的是

A. 多巴胺分子式为C8H11NO2

B. 多巴胺可以发生加成、取代、氧化反应

C. 和溴水反应时,1mol多巴胺可以消耗6mol溴单质

D. 多巴胺既可与强酸反应,又可以与强碱反应

试题详情

11. 著名化学家徐光宪获得2008年度“国家最高科学技术奖”,以表彰他在稀土串级萃取理论方面作出的贡献。稀土元素铈(Ce)主要存在于独居石中,金属铈在空气中易氧化变暗,受热时燃烧,遇水很快反应。

已知:铈常见的化合价为+3和+4,氧化性:Ce4+>Fe3+>I2。下列说法正确的是

A. 铈溶于氢碘酸的化学方程式可表示为:Ce + 4HI  CeI4 + 2H2

B. 在一定条件下,电解熔融状态的CeO2制Ce,在阴极获得铈

C. 用Ce(SO4)2溶液滴定硫酸亚铁溶液,其离子方程式为:Ce4+ + 2Fe2+ == Ce3+ + 2Fe3+

D. 四种稳定的核素136  58Ce、138  58Ce、140  58Ce、142  58Ce,它们互称为同系物

试题详情

10.下列在限定条件溶液中的各组离子,能够大量共存的是

A.pH=3 的溶液:Na+、Cl-、Fe2+、ClO-

B.与Al能产生氢气的溶液:K+、SO、CO、NH4+

C.使酚酞试液变红的溶液:Na+、Cl-、SO、Al3+

D.水电离的H+浓度为1×10-12mol·L-1的溶液:K+、Ba2+、Cl-、Br-

试题详情


同步练习册答案