题目列表(包括答案和解析)

 0  134034  134042  134048  134052  134058  134060  134064  134070  134072  134078  134084  134088  134090  134094  134100  134102  134108  134112  134114  134118  134120  134124  134126  134128  134129  134130  134132  134133  134134  134136  134138  134142  134144  134148  134150  134154  134160  134162  134168  134172  134174  134178  134184  134190  134192  134198  134202  134204  134210  134214  134220  134228  447348 

18.将一体积为4×10-3米3的球浸没在水中时,球受到的浮力大小为________牛。若该球的重力为10牛,则浮力与重力的合力大小为________牛。

试题详情

17.一架直升飞机匀速下降的过程中,不考虑其他因素,螺旋桨举力的大小     飞机的重力(选填“大于”、“等于”或“小于”),飞机的重力势能      (选填“增大”、“不变”或“减小”)。以    为参照物,地面是运动的。

试题详情

16.正常的眼睛可以使远近物体的像都成在视网膜上。而近视眼将物体的像成在视网膜      (选填“前”或“后”),必须在眼睛前加一个      透镜来矫正。

试题详情

15.小强用焦距一定的照相机拍摄景物。若他将照相机远离被拍摄的景物,景物在底片上所成的清晰的像将      (选填“变大”、“变小”或“不变”)。

试题详情

14.常用温度计玻璃泡里的液体通常选用酒精、煤油、水银等,但从未见过温度计的玻璃泡里装水的。制造温度计不选用水的原因是         、       

试题详情

13.飞船中除舱内电池组外,在飞船外还装有太阳能电池板,它的作用是将太阳能转化为     能来提供能量。太空是非常寒冷的,需要靠电热器产生热量来保持舱内的温度,电热器利用了电流的    效应原理。一个“220V,1000W”的电热器连续工作5小时可产生     J的热量,相当于     kg酒精完全燃烧放出的热量(酒精的热值为3.0×107J/kg)

试题详情

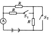
12.如图所示,若使电路中所接电流表的示数最大,则下列方法中正确的是(  )

A.S1,S2都断开       B.S1闭合,S2断开      C.S1断开,S2闭合       D.S1,S2都闭合

试题详情

11.如图所示的四个电路中,电压U都相等,并且电阻R1>R2,电流表示数最小的是(  )

试题详情

10.小强在北京将一根质量分布均匀的条形磁铁用一条线悬挂起来,使它平衡并呈水平状态,悬线系住磁体的位置应在(  )

A.磁体的重心处

B.磁体的某一磁极处

C.磁体重心的北侧

D.磁体重心的南侧

试题详情

9.用手握住酒瓶,使其瓶口朝上竖直静止在手中,则下列说法正确的是(  )

A.酒瓶能静止在手中,是由于手对酒瓶的握力等于酒瓶的重力

B.酒瓶能静止在手中,是由于手对酒瓶的握力大于酒瓶的重力

C.手握酒瓶的力增大,瓶子所受的摩擦力不变

D.手握酒瓶的力增大,瓶子所受的摩擦力也增大

试题详情


同步练习册答案