题目列表(包括答案和解析)

 0  134232  134240  134246  134250  134256  134258  134262  134268  134270  134276  134282  134286  134288  134292  134298  134300  134306  134310  134312  134316  134318  134322  134324  134326  134327  134328  134330  134331  134332  134334  134336  134340  134342  134346  134348  134352  134358  134360  134366  134370  134372  134376  134382  134388  134390  134396  134400  134402  134408  134412  134418  134426  447348 

3.电动机通电后线圈会在磁场中转动(如图所示),在线圈运动的过程中     (填“会”或“不会”)产生感应电流.

              第2题图            第3题图

试题详情

2.如图所示,当电源开关接通后.会发现小磁针的北极向     (填“左”或“右”)偏转,这说明通电螺线管周围存在     ,同时发现可移动的A、B两螺线管相互     (填“靠近”或“远离”).

试题详情

1.在奥斯特发现“电生磁”的启发下,许多科学家利用逆向思维的方法思考:磁能否产生电?法拉第经过十年的探索终于发现了     现象,后来人们利用这个原理制成了     机.

试题详情

31.小明在探究通电直导线周围的磁场方向与电流方向的关系后,想进一步探究影响通电直导线周围磁场强弱的因素.经老师指导及查阅资料知,磁场的强弱可用物理量“B”来表示(单位为“T”),其大小与直导线中的电流I、测试点到直导线的距离r有关.小明通过实验所测得的两组实验数据如下:

表1 r=0.02m时B与I的实验数据

I/A
2.5
5
10
20
B/T
2.5×10-5
5×10-5
10×10-5
20×10-5

(1)分析表1中的实验数据,你能得到什么结沦?

                                           

表12 I=5A时B与r的实验数据

r/m
0.02
0.04
0.06
0.08
B/T
5×10-5
2.5×10-5
1.67×10-5
1.25×10-5

(2)分析表2中的实验数据,你能得到什么结沦?

                                           

拓展提升

试题详情

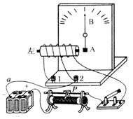
30.如图所示是小明探究“影响电磁铁磁性强弱因素”的装置图,它是由电源、滑动变阻器、开关、带铁芯的螺线管和门制的针式刻度板组成的.通过观察指针B偏转角度的大小来判断电磁铁磁性的强弱.在指针下方固定一物体A,当用导线a与接线柱2相连,闭合开关后.指针B发生偏转.

(1)指针下方的物体A应由什么材料制成?   (  )

A.铜    B.铁    C.铝     D.塑料            第30题图

(2)当开关闭合后.电磁铁左端应为磁极的     极.

(3)实验发现:

①当滑动变阻器的滑片P向    滑动时(填“左”或“右”),指针B偏转的角度将会     (填“变大”或“变小”).

②保持滑片P位置不变,当导线a由接线柱2改为与接线柱l相连,闭合开关后,可发现指针B偏转的角度将会     (填“变大”或“变小”).

(4)经过对电磁铁的研究,可得出的结沦是:当线圈匝数一定时,通过电磁铁的电流越大,电磁铁磁性     ;当通过电磁铁的电流一定时,电磁铁线圈的匝数越     ,磁性越     ·

试题详情

29.小明设计了一种“自动限重器”,如图甲所示,该装置由控制电路和工作电路组成,其主要元件有电磁继电器、货物装载机(实质是电动机)、压敏电阻R1和滑动变阻器R2等.压敏电路R1的阻值随压力F变化的关系如图乙所示.当货架承受的压力达到限定值,电磁继电器会自动控制货物装载机停止向货架上摆放物品,已知控制电路的电源电压U=6V,电磁继电器线圈的阻值忽略不计.请你解答下列问题:

                    第29题图

(1)由图乙中的图象可知.随着压力F的增大,压敏电阻Rl的阻值将    

(2)用笔画线代替导线将图甲的电路连接完整.

(3)随着控制电路电流的增大,电磁铁的磁性将      ,当电磁继电器线圈中的电流大小为30mA时,衔铁被吸下,若货架能承受的最大压力为800N,则所选滑动变阻器R2的最大阻值至少为

     Ω.

试题详情

28.如图所示是一个限流装置的示意图,图中P是电磁铁,S是开关,Q是衔铁,可绕O转动,请你叙述该装置的工作过程:                          

试题详情

27.在图中标出通电螺线管A端和永磁体B端的磁极极性,并标出磁感线方向.

第27题图

试题详情

26.如图所示,根据通电螺线管的磁感线方向,              第25题图

标出电源的正极和小磁针的N极.

试题详情

25.如图所示是某同学连接的电铃电路,开关闭合

后,电路中始终有电流,但电铃只响一声就不再响了,原因是  (  )

A.电磁铁始终没有磁性

B.衔铁没有向下运动

C.衔铁一直被电磁铁吸着不能回弹

D.电池正、负极接反了

试题详情


同步练习册答案