题目列表(包括答案和解析)

 0  136660  136668  136674  136678  136684  136686  136690  136696  136698  136704  136710  136714  136716  136720  136726  136728  136734  136738  136740  136744  136746  136750  136752  136754  136755  136756  136758  136759  136760  136762  136764  136768  136770  136774  136776  136780  136786  136788  136794  136798  136800  136804  136810  136816  136818  136824  136828  136830  136836  136840  136846  136854  447348 

3.如图(a)、(b)所示,当图中ab两端与e、f两端分别加上220 V的交流电压时,测得cd间与g、h间的电压均为110 V.若分别在cd两端与gh两端加上110 V的交流电压,则ab与e、f间的电压为B

A.220 V,220 V    B.220 V,110 V   C.110 V,110 V    D.220 V,0

试题详情

1如图所示,在绕制变压器时,某人误将两个线圈绕在图示变压器铁芯的左右两个臂上,当通以交流电时,每个线圈产生的磁通量都只有一半通过另一个线圈,另一半通过中间的臂,已知线圈1、2的匝数比为N1N2=2∶1,在不接负载的情况下BD

A.当线圈1输入电压220 V时,线圈2输出电压为110 V

B.当线圈1输入电压220 V时,线圈2输出电压为55 V

C.当线圈2输入电压110 V时,线圈1输出电压为220 Vom]

D.当线圈2输入电压110 V时,线圈1输出电压为110 V

2.在某交流电路中,有一正在工作的变压器,原、副线圈匝数分别为n1=600,n2=120,电源电压U1=220 V,原线圈中串联一个0.2 A的保险丝,为保证保险丝不被烧毁,则AC

A.负载功率不能超过44 W

B.副线圈电流最大值不能超过1 A

C.副线圈电流有效值不能超过1 A

D.副线圈电流有效值不能超过0.2 A

试题详情

3、  减小电流,提高输出电压,⊿p与输出电压U平方反比

C.其他方面的能量损失-输电线上的电压损失,除与输电线的电阻有关,还与感抗和容抗有关。当输电线路电压较高、导线截面积较大时,电抗造成的电压损失比电阻造成的还要大。

[例5] 在远距离输电时,要考虑尽量减少输电线上的功率损失。有一个坑口电站,输送的电功率为P=500kW,当使用U=5kV的电压输电时,测得安装在输电线路起点和终点处的两只电度表一昼夜示数相差4800度。求:⑴这时的输电效率η和输电线的总电阻r。⑵若想使输电效率提高到98%,又不改变输电线,那么电站应使用多高的电压向外输电?

解;⑴由于输送功率为P=500kW,一昼夜输送电能E=Pt=12000度,终点得到的电能E /=7200度,因此效率η=60%。输电线上的电流可由I=P/U计算,为I=100A,而输电线损耗功率可由Pr=I 2r计算,其中Pr=4800/24=200kW,因此可求得r=20Ω。  

⑵输电线上损耗功率,原来Pr=200kW,现在要求Pr/=10kW ,计算可得输电电压应调节为U  / =22.4kV。

[例6]发电机输出功率为100 kW,输出电压是250 V,用户需要的电压是220 V,输电线电阻为10 Ω.若输电线中因发热而损失的功率为输送功率的4%,试求:

(1)在输电线路中设置的升、降压变压器原副线圈的匝数比.

(2)画出此输电线路的示意图. (3)用户得到的电功率是多少?

解析:输电线路的示意图如图所示,

输电线损耗功率P线=100×4% kW=4 kW,又P线=I22R线[

输电线电流I2=I3=20 A

原线圈中输入电流I1= A=400 A

所以,这样U2=U1=250×20 V=5000 V

U3=U2-U线=5000-20×10 V=4800 V,所以

用户得到的电功率P=100×96% kW=96 Kw

试题详情

2、  减小电阻 减小导线长度L,减小电阻率(铜和铝)增大截面积s

试题详情

A、明确物理量

   电源的输出电压U,输出功率p

   导线上损失电压△U,损失功率△p

   用户得到的电压U′,得到的功率p′

B.怎样减少电能损失

1、 减小时间t

试题详情

4、 多组副线圈

(1)无论原副线圈,磁通量变化率相同,所以有 (类比:砌墙)

 

(2)   

   令

[例1] 理想变压器初级线圈和两个次级线圈的匝数分别为n1=1760匝、n2=288匝、n3=800 0匝,电源电压为U1=220V。n2上连接的灯泡的实际功率为36W,测得初级线圈的电流为I1=0.3A,求通过n3的负载R的电流I3

解:由于两个次级线圈都在工作,所以不能用I∝1/n,而应该用P1=P2+P3Un。由Un可求得U2=36V,U3=1000V;由U1I1=U2I2+U3I3I2=1A可得I3=0.03A。

[例2]在变电站里,经常要用交流电表去监测电网上的强电流,所用的器材叫电流互感器。如下所示的四个图中,能正确反应其工作原理的是  A

  

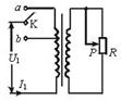
[例3]如图,为一理想变压器,K为单刀双掷开关,P为滑动变阻器的滑动触头,U1为加在原线圈两端的电压,I1为原线圈中的电流强度,则(A、B、D)

A.保持U1P的位置不变,K由a合到b时,I1将增大

B.保持U1P的位置不变,K由b合到a时,R消耗的功率减小

C.保持U1不变,K合在a处,使P上滑,I1将增大

D.保持P的位置不变,K合在a处,若U1增大,I1将增大

[例4]一台理想变压器原线圈匝数n1=1100匝,两个副线圈的匝数分别是n2=60匝,n3=600匝,若通过两个副线圈中的电流强度分别是I2=1 A,I3=4 A,求原线圈中的电流强度.

根据电功率公式有:I1U1=I2U2+I3U3   ①,  又因为U2=   ②[

U3=U1      ③,  把②③代入①,整理得:I1n1=I2n2+I3n3[

所以I1 = A = 2.24 A

试题详情

3、电流规律

理解:

    R增大,I2 减小,p2 减小,p1减小,I1 减小

    n2增加,U2增加,I2 增加,p2增加,p1增加,I1增加[

结论:I1随I2地变化而变化

试题详情

2、功率规律   

理解:(1)理想变压器只传递能量,不消耗能量

   (2)p1随p2的变化而变化,但p1不能无限地变大,要受到发电机最大输出功率地限制(类比:银行出纳)[

试题详情

1、电压规律 

理解:(1)U1由电源决定,U2 随U1和n的变化而变化,副线圈相当于一个新电源

   (2)U / n 表示单匝线圈的电压。(类比于砌墙)

试题详情

4、理想变压器的理想化条件及其规律.

在理想变压器的原线圈两端加交变电压U1后,由于电磁感应的原因,原、副线圈中都将产生感应电动势,根据法拉第电磁感应定律有:,忽略原、副线圈内阻,有 U1E1U2E2,另外,考虑到铁心的导磁作用而且忽略漏磁,即认为在任意时刻穿过原、副线圈的磁感线条数都相等,于是又有 由此便可得理想变压器的电压变化规律为

在此基础上再忽略变压器自身的能量损失(一般包括线圈内能量损失和铁芯内能量损失这两部分,分别俗称为“铜损”和“铁损”),有 ,而

于是又得理想变压器的电流变化规律为,由此可见:理想变压器的理想化条件一般指的是:忽略原、副线圈内阻上的分压,忽略原、副线圈磁通量的差别,忽略变压器自身的能量损耗(实际上还忽略了变压器原、副线圈电路的功率因数的差别.)

试题详情


同步练习册答案