题目列表(包括答案和解析)

 0  157667  157675  157681  157685  157691  157693  157697  157703  157705  157711  157717  157721  157723  157727  157733  157735  157741  157745  157747  157751  157753  157757  157759  157761  157762  157763  157765  157766  157767  157769  157771  157775  157777  157781  157783  157787  157793  157795  157801  157805  157807  157811  157817  157823  157825  157831  157835  157837  157843  157847  157853  157861  447348 

3.下列运动过程中,机械能一定守恒的是 

A.跳伞员带着张开的降落伞匀速下降  

B.做自由落体运动的小球

C.沿粗糙圆弧槽加速滑下的物块            

D.竖直平面内做匀速圆周运动的物体

试题详情

2.如图,小物体m与圆盘保持相对静止,随盘一起做匀速圆周运动,下列关于物体受力情况说法错误的是

A.受重力、支持力、摩擦力和向心力的作用

B.摩擦力的方向始终指向圆心O

C.重力和支持力是一对平衡力 

D.摩擦力是使物体做匀速圆周运动的向心力

试题详情

1.关于质点做匀速圆周运动的下列说法中,正确的是

A.由a= 可知,ar成反比

 B.由ω=2πf可知,ωf成正比

C.由v=ωr可知,ωr成反比     

D.由a=ω2r可知,ar成正比

试题详情

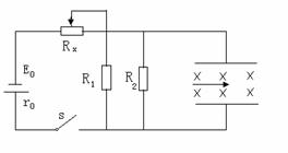
17.如图所示,电源电动势。内阻,电阻。间距的两平行金属板水平放置,板间分布有垂直于纸面向里、磁感应强度的匀强磁场。闭合开关,板间电场视为匀强电场,将一带正电的小球以初速度沿两板间中线水平射入板间。设滑动变阻器接入电路的阻值为Rx,忽略空气对小球的作用,取

(1)当Rx=29Ω时,电阻消耗的电功率是多大?

(2)若小球进入板间做匀速圆周运动并与板相碰,碰时速度与初速度的夹角为,则Rx是多少?

试题详情

16.如图所示,某一真空区域内充满匀强电场和匀强磁场,此区域的宽度 d = 8 cm ,电场强度为E,方向竖直向下,磁感应强度为 B ,方向垂直纸面向里,一电子以一定的速度沿水平方向射入此区域.若电场与磁场共存,电子穿越此区域时恰好不发生偏转。(1)求电子射入时的初速度的表达式。(2)若射入时撤去磁场,电子穿越电场区域时,沿电场反方向偏移量 y=3.2 cm ,则若射入时撤去电场,求电子穿越磁场区域时沿电场方向发生的偏移量.(不计电子重力)

试题详情

15.如图,MNP 为竖直面内一固定轨道,其圆弧段MN与水平段NP相切于N、P端固定一竖直挡板。M相对于N的高度为h,NP长度为s.一木块自M端从静止开始沿轨道下滑,与挡板只发生一次碰撞后以相同速率反向弹回最后停止在水平轨道上某处。若在MN段的摩擦可忽略不计,物块与NP段轨道间的滑动摩擦因数为μ,求物块停止的地方与N点距离。

试题详情

14.直流电动机M的直流电阻一定,当电压U=0.3V时不转动,电流表的示数为0.3A,当U=2V时,M正常工作,电流表的示数为0.8A。求电动机正常工作时的机械功率.如果电动机正常工作时转子突然被卡住,电动机的发热功率为多大?

试题详情

13.在世博园区,运行着许多氢燃料汽车,其动力来源是氢燃料电池(结构如图)。

(1)以下是估测氢燃料电池输出功率的实验步骤:

①把多用表的选择开关调至电流档,并选择恰当量程,串联在电路中。读出电流I

②把多用表的选择开关调至电压档,把红、黑表笔并联在电动机两端,其中红表笔应该接在图中     (填“A”或“B”)端。读出电压U

③重复步骤①和②,多次测量,取平均值;

④根据公式P=     计算氢燃料电池输出功率。

(2)在上述第②步中遗漏的操作是           

(3)如果该电动机的效率为,汽车运动的速度为v,则汽车的牵引力为     

试题详情

12.《描绘小灯泡的伏安特性曲线》的实验中,测小灯泡电阻时,接安培表时应采用     (填“外接法”或“内接法”),接滑动变阻器时采用     (填“分压式”或“限流式”),请在右边方框中画出实验电路图。

(电源、电键和部分导线已画出)

试题详情

11.电流表的内阻Rg=100Ω,满偏电流Ig=3mA的,要把它改装成量程为3A的电流表,应该    联一个     Ω的电阻,要把它改装成量程为6v的电压表,应该    联一个    Ω的电阻。

试题详情


同步练习册答案