题目列表(包括答案和解析)

 0  159119  159127  159133  159137  159143  159145  159149  159155  159157  159163  159169  159173  159175  159179  159185  159187  159193  159197  159199  159203  159205  159209  159211  159213  159214  159215  159217  159218  159219  159221  159223  159227  159229  159233  159235  159239  159245  159247  159253  159257  159259  159263  159269  159275  159277  159283  159287  159289  159295  159299  159305  159313  447348 

2、下列关于电场强度的叙述正确的是(     )

A、电场中某点的场强在数值上等于单位电荷受到的电场力

B、电场中某点的场强与该点检验电荷所受的电场力成正比

C、电场中某点的场强方向就是检验电荷在该点所受电场力的方向

D、电场中某点的场强与该点有无检验电荷无关

试题详情

1、如图所示,在一端封闭的U形管中,三段水银柱将三段空气柱A、B、C封在管中,当竖直放置时,A和B两气柱的下表面在同一水平面上,另两段水银柱长度分别是h1和h2,以ρ表示水银的密度,P0表示外界大气压,则下列气体压强的表达式中正确的有(    )

A、PC=P0                 B、PA=PB

C、PA=PC+ρgh2                 D、PB=P0+ρgh1

试题详情

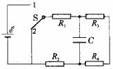
20.如图中电路的各元件值为:R1=R2=10Ω,R3=R4=20Ω,C=300μF,电源电动势=6V,内阻不计,单刀双掷开关S开始时接通触点2,求:

(1)当开关S从触点2改接触点1,且电路稳定后,电容C所带电。

(2)若开关S从触点1改接触点2后,直至电流为零止,通过电阻R1的电量.

试题详情

19.如图所示,电阻R1=4Ω, R2=6Ω,电源内阻r=0.6Ω,如果电路消耗的总功率为40W,电源的输出功率为37.6W,则电源的电动势和R3的阻值分别为多大?

 

试题详情

18.如图所示,R为电阻箱,V为理想电压表.当电阻箱读数为R1=2Ω时,电压表读数为U1=4V;当电阻箱读数为R2=5Ω时,电压表读数为U2=5V.求:

(1)电源的电动势E和内阻r

(2)当电阻箱R读数为多少时,电源的输出功率最大?最大值Pm为多少?

试题详情

17.如图所示,电源的电动势E=42V,内阻r=1Ω,R=20Ω,M为直流电动机,其电枢电阻r/=1Ω,电动机正常工作时,电压表读数为21V,求:

(1)电动机M中的电流.

(2)电动机转变为机械能的功率.

(3)电动机的输入功率.

(4)电路的发热功率.

(5)电源的总功率.

试题详情

16.某房间的入户电源线如图所示.现有工作电压为220V的电器如下:

100 W的灯泡6只,200 W的电视机1台,1000 W的电冰箱1台,1500 W的洗衣机1台,700 W的微波炉1台和1 000 W的暖风机1台,还有三只额定电流均为8 A的保险盒.如何将上述电器全部合理地接人电路?

要求画出接线图,电器用后面指定的符号表示,例如功率为100W的灯泡用表示,功率为200W的电视机用表示,保险盒用表示.图中a是火线,b是零线.

试题详情

15.两根同种材料的电阻丝,长度之比为1∶5,横截面积之比为2∶3,则它们的电阻值之比为______.将它们串联后接入电路中,则它们两端电压之比为__________,电流之比为__________;如果将它们并联后接入电路中,则它们两端电压之比为__________,电流之比为______.

试题详情

14.一节新的普通国产5号干电池,额定电压为1.5v,做放电试验时,用5Ω照明电珠放电(放电方式为每天点亮5min)。累计可放电75 min,此后基本失效。上述干电池用于石英电子钟,可使钟走动一年时间,则可估算出石英电子钟的平均耗电功率约为 ______ w.

试题详情

13.一灵敏电流计,允许通过的最大电流(满刻度电流)为Ig=50μA,表头电阻Rg=1kΩ,若改装成量程为Im=1mA的电流表,应并联的电阻阻值为      Ω。若将改装后的电流表再改装成量程为Um=10V的电压表,应再串联一个阻值为    Ω的电阻。

试题详情


同步练习册答案