题目列表(包括答案和解析)

 0  159521  159529  159535  159539  159545  159547  159551  159557  159559  159565  159571  159575  159577  159581  159587  159589  159595  159599  159601  159605  159607  159611  159613  159615  159616  159617  159619  159620  159621  159623  159625  159629  159631  159635  159637  159641  159647  159649  159655  159659  159661  159665  159671  159677  159679  159685  159689  159691  159697  159701  159707  159715  447348 

14. 将1cm的油酸溶液溶于酒精,制成2000 cm的酒精油酸溶液,已知1cm溶液有50滴,现取1滴酒精油酸溶液滴到水面上,随着酒精溶于水中,油酸在水面上形成一单分子薄层,已测出这一薄层的面积为200cm,则1滴酒精油酸溶液中纯油酸的体积是____________ cm ,由此可估算出油酸分子的直径多是____________m

试题详情

13.如图6所示,在粗糙绝缘水平面上固定一点电荷Q,从M点无初速释放一带有恒定负电荷的小物块,小物块在Q的电场中从M运动到N点静止。则从M点运动到N点的过程中,下列说法中正确的是 :(     ) 

A.小物块所受电场力逐渐减小

B.小物块具有的电势能逐渐减小

C.M点的电势可能高于N点的电势

D.小物块电势能变化量的大小等于克服摩擦力做的功

试题详情

12.设电子在运动过程中只受电场力作用.在下述的哪一种电场中可能出现以下情况:只要给电子一个适当的初速度它就能始终沿同一条电场线运动;而给电子另一个适当的初速度它就能始终沿某一个等势面运动:(     )      

A.正点电荷产生的电场      B.负点电荷产生的电场

C.匀强电场           D.等量异种点电荷产生的电场

试题详情

11.如图5所示电路中,电源内阻不能忽略,当变阻器R的滑片向下移动时,电路中的电压表V1  、V2和电流表A的示数变化情况是:(    )

A.V1示数变大,V2示数变小,A示数变小  

B.V1示数变大,V2示数变小,A示数变大

C.V1示数变小,V2示数变大,A示数变小  

D.V1示数变小,V2示数变大,A示数变大

试题详情

10.如图4所示,有三个质量相等分别带正电、负电和不带电的小球,从平行板电场中的P点以相同的初速垂直于E进入电场,它们分别落到A、B、C三点,则可判断:(    ) 

   A.落到A点的小球带正电,落到B点的小球不带电;

   B.三小球在电场中运动时间相等;

   C.三小球到达正极时的动能关系是EKA>EKB>EKC

   D.三小球在电场中运动的加速度关系是:αABC  

试题详情

9.电冰箱能够不断地把热量从温度较低的冰箱内部传给温度较高的外界空气,这说明了                       

   A.热量能自发地从低温物体传给高温物体            (    )

   B.在一定条件下,热量可以从低温物体传给高温物体

   C.热量的传导过程具有方向性

D.热量的传导过程不具有方向性

试题详情

8.下列说法正确的是 : (    )

A.一定质量的气体被压缩时,气体的压强不一定增大

B.一定质量的气体温度不变压强增大时,其体积也增大

C.气体压强是由气体分子间的斥力产生的

D.在失重的情况下,密闭在容器中的气体对器壁没有压强

试题详情

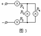
7.如图3所示,四个灯泡的电阻分别是R1=R3=10欧,R2=R4=30欧,分别用P1、P2、P3、P4表示这四个灯泡的电功率,那么(    )

A.P1>P2>P3>P4       B.P1>P3>P2>P4

C.P4>P3>P2>P1     D.P2>P1>P3>P4

试题详情

6.如图2所示,两个固定的等量异种电荷,在它们连线的垂直平分线上有a、b、c三点,下列说法正确的是:(    )

   A.a点电势比b点电势高;

   B.a、b两点场强方向相同,b点场强比a大;

   C.a、b、c三点与无穷远电势相等;

D.一带电粒子(不计重力),在a点无初速释放,则它将在a、b线上运动。

试题详情

5.两个分子相距较远(此时它们之间的分子力可以忽略),在把它们尽量靠近的过程 

A.分子势能逐渐减小      B.分子势能逐渐增大        (    )

   C.分子势能先减小后增大    D.分子势能先增大后减小

试题详情


同步练习册答案