题目列表(包括答案和解析)

 0  159847  159855  159861  159865  159871  159873  159877  159883  159885  159891  159897  159901  159903  159907  159913  159915  159921  159925  159927  159931  159933  159937  159939  159941  159942  159943  159945  159946  159947  159949  159951  159955  159957  159961  159963  159967  159973  159975  159981  159985  159987  159991  159997  160003  160005  160011  160015  160017  160023  160027  160033  160041  447348 

6、如图3所示,甲分子固定在坐标原点O,乙分子位于x轴上;甲、乙两分子间的作用力与分子间距离的关系如图所示。现乙分子从处向甲靠近,则(   )

A、乙分子从一直加速  

B、乙分子从加速,从减速

C、乙分子从过程中,两分子间的分子势能先减小后增大

D、乙分子从向甲靠近的过程中,两分子间的分子势能先减小后增加

图3

试题详情

5、下列说法正确的是:

A、机械能全部变成内能是可能的

B、第二类永动机不可能制造成功是因为违背了能的转化和守恒定律

C、根据热力学第二定律可知,热量不可能从低温物体传到高温物体

D、能量耗散从能量转化的角度反映出自然界中的宏观过程具有方向性

试题详情

4、如图2所示为质点的振动图像,下列判断中正确的是

A、质点振动周期是8s;

B、振幅是4cm

C、4s末质点的速度为负,加速度为零;

D、10s末质点的加速度为正,速度最大。

图2

试题详情

3、液体表面具有收缩的趋势,其原因是:(   )

A、由于液面分子间的距离小于液体内部分子间的距离,因此液面分子间表现斥力较强,而形成液体表面收缩的趋势。

B、由于液体表面分子间的距离大于液体内部分子间的距离,因此液体表面分子间相互作用的引力较强,而形成液体表面收缩的趋势。

C、由于与液面接触的容器壁的分子对液体表面的分子的吸引力,造成液体表面收缩的趋势。

D、因液体可以流动,因而形成液体表面有收缩的趋势。

试题详情

2、一个弹簧振子在光滑的水平面上做简谐振动,x表示偏离平衡位置的位移,F表示回复力,a表示回复力产生的加速度,则图l中正确的图象是(   )

试题详情

1、关于布朗运动,下列说法正确的是(   )

A、布朗运动是在显微镜中看到的液体分子的无规则运动

B、布朗运动是液体分子无规则运动的反映

C、悬浮在液体中的微粒越小,液体温度越高,布朗运动越显著

D、布朗运动的无规则性反映了小颗粒内部分子运动的无规则性

试题详情

23.(8分)在平面直角坐标系中,有一质量为、电量为的正的点电荷正从原点沿轴正方向以初速度出发,电荷重力不计,试在电荷运动的空间内加上电场,使该电荷能通过第一象限的已知点P()(P点坐标为已知量),且电荷在P点的动能和电荷在原点的初动能相等.要求:所加电场尽可能简单,常规,电荷的运动也尽可能简单.

请设计出两种方案,用必要的文字简单的描述这两种方案中电场的特点,并求出这两种方案中,原点处的场强大小. (用题设已知条件和有关常数表示)

上期半期考试

试题详情

22.(8分)如图所示,一质量m 的塑料球形容器放在桌面上,它的内部有一劲度系数为k的轻弹簧,弹簧直立地固定于容器内壁的底部,弹簧上端经绝缘物系住一只带正电q、质量也为的m小球。从加一个向上的场强为E的匀强电场起,到容器对桌面压力减为零时为止。求在此过程中:

(1)小球的电势能改变量;

(2)容器对桌面压力减为零时小球的速度大小.

试题详情

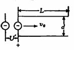
21.(10分) 如图所示,一束电子从静止开始经U′= 5000V的电场加速后,从水平放置的一对平行金属板正中水平射入偏转电场中,若金属极板长L = 0.05m,两极板间距d = 0.02m,试求:

(1)两板间至少要加多大的电压才能使电子恰不飞出电场?

(2)在上述电压下电子到达极板时的动能。

试题详情

20.(8分)已经证实,质子、中子都是由上夸克和下夸克两种夸克组成的,上夸克带电为,下夸克带电为e为电子所带电量的大小,已知中子不带电,若中子是由三个夸克组成,且各个夸克之间的距离都为,试计算中子内相邻两个夸克之间的库仑力。

试题详情


同步练习册答案