题目列表(包括答案和解析)

 0  159944  159952  159958  159962  159968  159970  159974  159980  159982  159988  159994  159998  160000  160004  160010  160012  160018  160022  160024  160028  160030  160034  160036  160038  160039  160040  160042  160043  160044  160046  160048  160052  160054  160058  160060  160064  160070  160072  160078  160082  160084  160088  160094  160100  160102  160108  160112  160114  160120  160124  160130  160138  447348 

19、一质量为m、带电量为e的电子,以一定的初速度从M小孔进入一磁感应强度为B的匀强磁场中,磁场是一具有弹性绝缘内壁、半径为R的圆柱形磁场.电子初速度指向圆心O,它与内壁先后碰撞两次(能量和电量均无损失)又恰好从M孔射出,试求:(1)电子的初速度大小;(2)电子在磁场内运动的时间.

试题详情

18、如图所示,竖直平面内有长金属导轨处于B=0.5T的水平向里的匀强磁场中,导轨中串有电阻为0.2Ω、额定功率为5W的小灯泡,质量为50g、长为0.5m的金属棒ab。ab可沿导轨做无摩擦滑动,导轨和金属棒电阻不计,g=10m/s2。求:

(1)棒ab要以多大速度向上匀速运动,才能使灯泡正常发光?

(2)若让它自由下落,当速度达到稳定后灯泡能否正常发光?

(计算说明)

试题详情

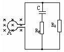
17、截面积为0.2m2的100匝线圈A,处在均匀磁场中,磁场的方向垂直线圈截面,如图所示,磁感应强度为B=(0.6-0.2t)T(t为时间,以秒为单位),R1=4Ω,R2=6Ω,C=30μF,线圈电阻不计。

(1)求通过R1的电流;

(2)求电容器C上的电量,并说明上极板带何电荷。

试题详情

16、如图所示,MN、PQ为水平放置的金属导轨,导轨间距L=10cm,直导线ab与导轨垂直放置,其电阻为0.4Ω,导轨所在区域处在匀强磁场中,磁场方向竖直向下,磁感应强度B=0.2T,电池电动势E=1.5V,内电阻r=0.18Ω,电阻R=1.6Ω,电键K接通后ab仍静止不动,求ab所受的摩擦力的大小和方向。

试题详情

15、由法拉第电磁感应定律推导导体做切割磁感线运动产生感应电动势的公式.

试题详情

14、如图中甲图为一台内阻及损耗均不计的直流电机,定子的磁场恒定,电机转子线圈与一电阻R连接,电机转子的轴上绕有足够长的轻绳,绳下端悬挂一质量为m的物体,当重物以速率υ1匀速下落时,电路中的电流强度I=_   ___。若将一电动势为E,内阻不计的电源接入该电路内如图乙,将该电机作为电动机使用,当原重物匀速上升时,其回路内电流大小不变,其上升速率υ2=__  __。

试题详情

13、如图所示,垂直U型导轨的匀强磁场B = 0.5T,导轨中串接的电阻R = 4Ω,垂直磁感线的导体AB长L = 0.4m,其电阻为1Ω,导体AB沿水平方向运动的速度为5m/s,则当电键打开时AB间的电势差为   V;当电键闭合时AB间的电势差为    V。

试题详情

12、如图所示是“研究电磁感应现象”的实验装置。

(1)将右图中所缺导线补接完整。

(2)如果在闭合电键时发现灵敏电流计的指针向右偏了一下,那么合上电键后,将原线圈A迅速插入副线圈B时,电流计指针____ ___;原线圈A插入副线圈B后,将滑动变阻器滑片迅速向左移动时,电流计指针___  ___。(填“向右偏”、“向左偏”或“不动”)

试题详情

11、如图所示,矩形线圈从匀强磁场中,第一次以速度υ匀速拉出,第二次以速度2υ匀速拉出,则第一、二次外力做功之比为________,拉力的功率之比为__ ____.线框产生的热量之比是__ __,通过导线截面的电量之比是_______。

试题详情

10.如图所示,圆形线圈垂直放在匀强磁场里,第1秒内磁场方向指向纸里,如图(b).若磁感应强度大小随时间变化的关系如图(a),那么,下面关于线圈中感应电流的说法正确的是(  )

A.在第1秒内感应电流增大,电流方向为逆时针

B.在第2秒内感应电流大小不变,电流方向为顺时针

C.在第3秒内感应电流减小,电流方向为顺时针

D.在第4秒内感应电流大小不变,电流方向为顺时针

试题详情


同步练习册答案