题目列表(包括答案和解析)

 0  161205  161213  161219  161223  161229  161231  161235  161241  161243  161249  161255  161259  161261  161265  161271  161273  161279  161283  161285  161289  161291  161295  161297  161299  161300  161301  161303  161304  161305  161307  161309  161313  161315  161319  161321  161325  161331  161333  161339  161343  161345  161349  161355  161361  161363  161369  161373  161375  161381  161385  161391  161399  447348 

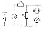
10、在如图所示的电路中,电池的电动势为E,内电阻为r,R1、R2 为 两个阻值固定的电阻,当可变电阻R的滑片向下移动时,电流表的示数I和电压表的示数U将(  )

A.I变大,U变小   B.I变小,U变小

C.I变小,U变大   D.I变大,U变大

试题详情

9、在正电荷周围的电场中,有a、b两点,以下说法中正确的是  (    )

A.这两点的电场强度一定不相同,电势也一定不相同

B.这两点电场强度有可能相同,电势有可能相同

C.这两点电场强度一定不相同,但电势有可能相同

D.这两点电场强度有可能相同,但电势一定不相同

试题详情

8、如图8所示,质量为m,带电量为q的粒子,以初速度v0,从A点竖直向上射入真空中的沿水平方向的匀强电场中,粒子通过电场中B点时,速率vB=2v0,方向与电场的方向一致,则A,B两点的电势差为:(     )

试题详情

7、已知如图,两只灯泡L1、L2分别标有“110V,60W”和“110V,100W”,另外有一只滑动变阻器R,将它们连接后接入220V的电路中,要求两灯泡都正常发光,并使整个电路消耗的总功率最小,应使用下面哪个电路?                       (   )

A.         B.           C.        D.        

试题详情

6、已知如图6所示,光滑绝缘水平面上有两只完全相同的金属球A、B,带电量分别为-2Q与-Q。现在使它们以相同的初动能E0(对应的动量大小为p0)开始相向运动且刚好能发生接触。

图6
 
接触后两小球又各自反向运动。当它们刚好回到各自的出发点时的动能分别为E1和E2,动量大小分别为p1和p2。有下列说法正确的是  (   )

A.E1=E2> E0,p1=p2> p0

B.E1=E2= E0,p1=p2= p0

C.接触点一定在两球初位置连线的中点右侧某点

D.两球必将同时返回各自的出发点。                         

试题详情

5、如图5中接地的金属球A的半径为R,点电荷的电量Q,到球心距离为r,该点电荷的电场在球心O处的场强等于: (   )

 

试题详情

4、用伏安法测某一电阻时,如果采用如图4所示的甲电路,测量值为R1 ,如果采用乙电路,测量值为R2 ,那么R1 、R2与真实值R之间满足关系(   )

A、R1>R>R2    B、R>R1>R2

C、R1<R<R2    D、R<R1<R2

试题详情

3、如图3,电源的内阻不可忽略.已知定值电阻R1=10Ω,R2=8Ω.当电键S接位置1时,电流表的示数为0.20A.那么当电键S接位置2时,电流表的示数可能是下列的哪些值 (   )

A.0.28A       B.0.25A   

C.0.22A       D.0.19A

试题详情

2、点电荷A和B,分别带正电和负电,电量分别为4Q和Q,在AB连线上,如图2,电场强度为零的地方在      (   )

A.A和B之间         B.B左侧 

C.A右侧            D.A的右侧及B的左侧

试题详情

1、如图1所示,实线是一个电场中的电场线,虚线是一个负检验电荷在这个电场中的轨迹,若电荷是从a处运动到b处,以下判断正确的:        (   )

A.电荷从a到b加速度减小

B.b处电势能大

C.b处电势高

D.电荷在b处速度小于a处

试题详情


同步练习册答案