题目列表(包括答案和解析)

 0  161209  161217  161223  161227  161233  161235  161239  161245  161247  161253  161259  161263  161265  161269  161275  161277  161283  161287  161289  161293  161295  161299  161301  161303  161304  161305  161307  161308  161309  161311  161313  161317  161319  161323  161325  161329  161335  161337  161343  161347  161349  161353  161359  161365  161367  161373  161377  161379  161385  161389  161395  161403  447348 

15、(16分)三只灯泡L1L2L3的额定电压分别为1.5 V、1.5 V和2.5 V,它们的额定电流都为0.3 A.若将它们连接成题15图1、题15图2所示电路,且灯泡都正常发光,

(1)   试求题15图1电路的总电流和电阻R2消耗的电功率;

(2)   分别计算两电路电源提供的电功率,并说明哪个电路更节能。

试题详情

14、(16分)如图所示,两平行光滑金属导轨宽d,与电源连通,导轨平面与水平方向的夹角θ角,导轨上放置一质量为m的金属棒MN。当导体棒中通有电流I时,为使其能静止在导轨上,需在金属棒所在的空间加一匀强磁场。

(1)如果导体棒MN静止在导轨上且对导轨无压力,则所加的匀强磁场的磁感强度大小和方向如何?

(2)若要磁场的磁感应强度最小,所加磁场方向如何? 磁感应强度最小值为多大?

试题详情

13、 (12分)表格中所列数据是测量小灯泡U-I关系的实验数据:

U( V)
0.0
0.2
0.5
1.0
1.5
2.0
2.5
3.0
I( A )
0.000
0.050
0.100
0.150
0.180
0.195
0.205
0.215

(1)分析上表内实验数据可知,应选用的实验电路图是图    (填“甲”或“乙” );

(2)在方格纸内画出小灯泡的U-I曲线。分析曲线可知小灯泡的电阻随I变大而     (填“变大” 、“变小”或“不变” );

(3)如图丙所示,用一个阻值为10Ω定值电阻R和上述小灯泡组成串联电路,连接到内阻不计、电动势为3V的电源上。则流过灯泡的电流约为    A。

试题详情

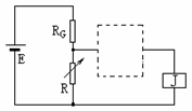
12、(6分)某同学设计了一个路灯自动控制门电路,如图所示。天黑了,让路灯自动接通,天亮了,让路灯自动熄灭。图中RG是一个光敏电阻,当有光照射时,光敏电阻的阻值会显著地减小。R是可调电阻,起分压作用。J为路灯总开关控制继电器(图中未画路灯电路)

(1)请在图中虚线框内填入需要的门电路符号

(2)如果路灯开关自动接通时天色还比较亮,为了让路灯在天色更暗时才自动接通开关,应      使电阻R      (选填增加或减小)

试题详情

11、(6分)一根长为1m的均匀电阻丝需与一“10V,5W”的灯同时工作,电源电压恒为100V,电阻丝阻值R=100Ω(其阻值不随温度变化).现利用分压电路从电阻丝上获取电能,使灯正常工作.

(1)在右面方框中完成所需电路;

(2)电路中电流表的量程应选择___(选填:“0-0.6A”或“0-3A”)

(3)灯正常工作时,与其并联的电阻丝长度为____m(计算时保留小数点后二位).

试题详情

10、图(1)中R1为光敏电阻,R2为定值电阻.将图(2)中的方波电压加在小灯泡两端,灯泡随方波电压而明灭变化.灯光照到R1上,引起R2的电压的变化.图(3)的四幅图象能够正确反映A、B两点间电压U2随时间变化的是

试题详情

9、如图所示的是电视机显像管及其偏转线圈L,如果发现电视画面幅度比正常时偏小,可能是下列哪些原因造成的

A、电子枪发射能力减弱,电子数减少

B、加速电场电压过高,电子速率偏大

C、偏转线圈匝间短路,线圈匝数减小

D、偏转线圈电流过小,偏转磁场减弱

试题详情

8、在图所示电路中,电容器C的上极板带正电,为了使该极板带正电且电量增大,下列办法中可行的是

A、增大R1,其它电阻不变

B、增大R2,其它电阻不变

C、增大R3,其它电阻不变

D、增大R4,其它电阻不变

试题详情

7、如图所示的天平可用来测定磁感应强度.天平的右臂下面挂有一个矩形线圈.宽度为l,共N匝,线圈下端悬在匀强磁场中,磁场方向垂直纸面.当线圈中通有电流I时(方向如图),在天平左右两边加上质量各为m1m2的砝码,天平平衡,当电流反向(大小不变)时,右边再加上质量为m的砝码后,天平重新平衡,由此可知

A.磁感应强度的方向垂直纸面向里,大小为(m1-m2)g/NIl

B.磁感应强度的方向垂直纸面向里,大小为mg/2NIl

C.磁感应强度的方向垂直纸面向外,大小为(m1-m2)g/NIl

D.磁感应强度的方向垂直纸面向外,大小为mg/2NIl

试题详情

6、用欧姆表测一个电阻R的阻值,选择旋钮置于“×10”档,测量时指针指在100与200刻度弧线的正中间,可以确定

A、R=150Ω               B、R=1500Ω

C、1000Ω<R<1500Ω         D、1500Ω<R<2000Ω

试题详情


同步练习册答案