题目列表(包括答案和解析)

 0  161670  161678  161684  161688  161694  161696  161700  161706  161708  161714  161720  161724  161726  161730  161736  161738  161744  161748  161750  161754  161756  161760  161762  161764  161765  161766  161768  161769  161770  161772  161774  161778  161780  161784  161786  161790  161796  161798  161804  161808  161810  161814  161820  161826  161828  161834  161838  161840  161846  161850  161856  161864  447348 

5.图中甲图所示的线圈为5匝,其端点a、b与电压表相连,线圈内磁通量变化规律如乙图所示,则a、b两点的电势高低及电压表读数为      (   )

A.UaUb,2V  

B.UaUb,1V

C.UaUb,2V  

D.UaUb,1V

试题详情

4.如图所示为某一时刻的波形曲线,波的传播方向沿方向,下列说法中正确的是       (   )

A.质点AD的振幅不等

B.该时刻质点BE的速度相等            

C.该时刻质点DF的加速度为零

D.该时刻质点C正向上运动

试题详情

3.关于光在传播过程中所表现的现象有下述说法             (   )

①雨后天空出现的彩虹是光的衍射现象;

②白光通过分光镜在光屏上形成的彩色光带是的光色散现象;

③涂有增透膜的照相机镜头呈淡紫色,说明增透膜增强了对淡紫色的透射程度;

④夜间观看到天边星座的位置比实际位置高,这是光的折射现象。

上述说法中,正确的是

A.①②    B.②④    C.②③    D.①④ 

试题详情

2.下列现象中,属于电磁感应现象的是                 (   )

A.磁场对电流产生力的作用      

B.变化的磁场使闭合电路产生电流

C.插在通电螺线管中的软铁棒被磁化   

D.电流周围产生磁场

试题详情

1.一个正常工作的理想变压器的原副线圈中,下列的哪个物理量不一定相等(   )

A.电流的有效值

B.电功率

C.交流电的频率

D.磁通量的变化率

试题详情

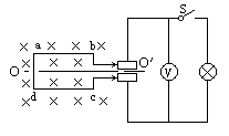
16.(12分) 如图所示,一台模型发电机的电枢是矩形导线框abcd,其abcd边长L1=0.4m,adbc边长=0.2m,匝数n=100匝,它在磁感应强度B=0.2T的匀强磁场中绕通过线框对称中心线且垂直于磁场方向的轴OO¢匀速转动,当开关S断开时,电压表的示数为V.开关S闭合时,外电路上标有“10V,10W”的灯泡恰好正常发光.求:

(1)导线框abcd在磁场中转动的角速度?

(2)S闭合后,当导线框从图示位置转过θ时的过程中通过灯泡的电量.

  17.(12分)如图所示,磁感应强度B = 0.5T的匀强磁场中,垂直于磁场方向水平放置着两根相距h = 0.1m的平行金属导轨MNPQ导轨电阻忽略不计。两根导轨的端点NQ之间连接一阻值R = 0.3Ω的电阻,导轨上跨放着一根长L = 0.2m,每米长的电阻为r = 2.0Ω的金属棒ab,金属棒与导轨正交放置,交点为c、d。当金属棒以V=4. 0m/s的速度向左做匀速运动时,试求:

  (1)电阻R中的电流大小和方向;

  (2)使金属棒匀速运动的外力;

  (3)金属棒ab两端点间的电势差。

18 (14分).如图,一个被x轴与曲线方程(m)所围的空间中存在着匀强磁场。磁场方向垂直纸面向里,磁感应强度B=0.2T。正方形金属线框abcd的边长L=0.40m,总电阻R=0.1Ω,它的cd边与x轴重合,在拉力F的作用下,线框以v=10m/s的速度水平向右匀速运动。

求:(1)拉力F的最大值?

(2)在坐标系上定性画出线圈中感应电流随时间的变化     规律?(要求:电流以abcda为正方向,重要的数据要在坐标轴上标出)

(3)拉力F要做多少功才能把线框拉过磁场区?

高二物理第一学期期末模拟试题

试题详情

15.(9分)一台电枢电阻为1的直流电动机与R=1的电阻串联后,接在110V的电路上工作,通过电动机的电流强度为10A,求:(1)电动机消耗的电功率。(2)整个电路的发热功率。(3)电动机输出的机械功率。

试题详情

14.(9分)⑴  a、螺旋测微器读数:用螺旋测微器测量一根电阻丝的直径,测量结果如图,其读数为      mm。

b、甲、乙、丙三位同学在使用不同的游标卡尺测量同一物体的

长度时,测量的结果分别如下: 

甲同学:使用游标为50分度的卡尺,读数为12.045cm

乙同学:使用游标为10分度的卡尺,读数为12.04cm

丙同学:使用游标为20分度的卡尺,读数为12.045cm

从这些数据中可以看出读数肯定有错误的是    同学.

⑵  在使用多用电表测某一个电阻时若将选择开关置于×100档,正确调零后进行测量,指针恰好指在刻度盘上的20与30的正中央,则待测电阻的

阻值     2.5KΩ(填“>”、“=”或“<”)

⑶  有一多用电表,它的欧姆刻度线中心刻度值是15,当用R×10档去测量某待测电阻(阻值约为1000Ω)时,指针偏转角度较小。为了减小测量误差,应该重新测量。其实验步骤最佳的顺序是        (填写字母) 

A. 将多用电表的选择开关扳至交流高压最大档

B. 将待测电阻两端分别与两表笔连接,并读出数据

C. 将选择开关扳至R×1档

D. 将选择开关扳至R×100档

E. 调节调零电阻,使表头指针满偏

F. 将欧姆表两表笔短接

试题详情

13.(8分)如图为“研究电磁感应现象”的实验装置。

(1)将图中所缺的导线补接完整。

(2)如果在闭合电键时发现灵敏电流计的指针向右偏了一下,那么合上电键后可能现的情况有:

A.将原线圈迅速插入副线圈时,灵敏电流计指针将____________

B.原线圈插入副线圈后,将滑动变阻器触头迅速向左拉时,灵敏电流计指针___________

试题详情

12.如图是测量汽车质量的地磅示意图,汽车的质量可通过电流表的示数读出,下列说法正确的是          

A.电流表的示数越大说明被测汽车质量越大

B.电流表的示数越大说明被测汽车质量越小

C.地磅的最大量程只由弹簧的劲度系数决定,与电路                的有关参数无关 

D.把图中的电流表换成电压表同样能测量汽车的质量

卷Ⅱ(选择题 共64分)

试题详情


同步练习册答案