题目列表(包括答案和解析)

 0  162019  162027  162033  162037  162043  162045  162049  162055  162057  162063  162069  162073  162075  162079  162085  162087  162093  162097  162099  162103  162105  162109  162111  162113  162114  162115  162117  162118  162119  162121  162123  162127  162129  162133  162135  162139  162145  162147  162153  162157  162159  162163  162169  162175  162177  162183  162187  162189  162195  162199  162205  162213  447348 

15.如图12所示,电感线圈的自感系数L=1MH,O点在滑动变阻器的中点,电流表表盘的零刻度线在正中间。当滑动触点P在a处时,电流表指针左偏,示数为2A;当触点P在b处时,电流表指针右偏,示数也为2A。触点P由a滑到b经过的时间为0.02s,问当P由a滑到b时,在线圈L两端出现的平均自感电动势多大?方向如何?

试题详情

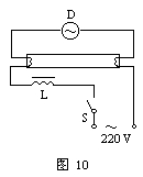
14、如图10所示,为日光灯的工作电路.

 (1)开关S刚合上前,启动器D的静触片和动触片是____(填接通的、断开的).

 (2)开关S刚合上时,220V电压加在____.使____灯发出红光.

 (3)日光灯启辉瞬间,灯管两端电压____220V(填大于、等于、小于).

 (4)日光灯正常发光时,启动器D的静触片和动触片____(填接触、断开).

   

试题详情

13、如图9所示,两灯D1、D2完全相同,电感线与负载电阻及电灯电阻均为R.当电键S闭合的瞬间,较亮的灯是____;电键S断开的瞬间,看到的现象是____.

试题详情

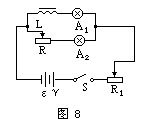
12、图8所示是演示自感现象的实验电路图,L是电感线圈,A1、A2是规格相同的灯泡,R的阻值与L的电阻值相同.当开关由断开到合上时,观察到自感现象是____,最后达到同样亮.

试题详情

11、图7所示为一演示实验电路图,图中L是一带铁心的线圈,A是一个灯泡,电键S处于闭合状态,电路是接通的.现将电键S打开,则在电路切断的瞬间,通过灯泡A的电流方向是从____端到____端.这个实验是用来演示____现象的.

试题详情

10、自感系数为100mH,通入变化规律如图6所示的电流。从0到2s时间内自感电动势大小是____V;在2到4s时间内自感电动势大小是____V;在4到5s时间内自感电动势大小是____V。

试题详情

9、一个线圈,接通电路时,通过它的电流变化率为10A/s,产生的自感电动势为2.0V;切断电路时,电流变化率为5.0×103A/s,不生的自感电动势是____V,这线圈的自感系数是____H。

试题详情

8.如图5所示,LA和LB是两个相同的小灯泡,L是一个自感系数相当大的线圈,其电阻值与R相同。由于存在自感现象,在电键S闭合和断开时,灯LA和LB先后亮暗的顺序是 [ ]

 A.接通时,LA先达最亮,断开时,LA后暗

 B.接通时,LB先达最亮,断开时,LB后暗

 C.接通时,LA先达最亮,断开时,LA先暗

 D.接通时,LB先达最亮,断开时,LB先暗

试题详情

7.如图4所示电路,电感线圈L的自感系数足够大,其直流电阻忽略不计,LA、LB是两个相同的灯泡,则 [ ]

 A.S闭合瞬间,LA不亮,LB很亮;S断开瞬间,LA、LB立即熄灭

 B.S闭合瞬间,LA很亮,LB逐渐亮;S断开瞬间,LA逐渐熄灭,LB立即熄灭

 C.S闭合瞬间,LA、LB同时亮,然后LA熄灭,LB亮度不变;S断开瞬间,LA亮一下才熄灭,LB立即熄灭;

 D.S闭合瞬间.A、B同时亮,然后A逐渐变暗到熄灭,B变得更亮;S断开瞬间,A亮一下才熄灭,B立即熄灭

试题详情

6.如图3电路(a)、(b)中,电阻R和自感线圈L的电阻值都是很小.接通S,使电路达到稳定,灯泡A发光 [ ]

 A.在电路(a)中,断开S,A将渐渐变暗

 B.在电路(a)中,断开S,A将先变得更亮,然后渐渐变暗

 C.在电路(b)中,断开S,A将渐渐变暗

 D.在电路(b)中,断开S,A将先变得更亮,然后渐渐变暗

试题详情


同步练习册答案