题目列表(包括答案和解析)

 0  162245  162253  162259  162263  162269  162271  162275  162281  162283  162289  162295  162299  162301  162305  162311  162313  162319  162323  162325  162329  162331  162335  162337  162339  162340  162341  162343  162344  162345  162347  162349  162353  162355  162359  162361  162365  162371  162373  162379  162383  162385  162389  162395  162401  162403  162409  162413  162415  162421  162425  162431  162439  447348 

10.某发电厂发电机的输出电压为U1,发电厂至学校的输电导线总电阻为R,通过导线的电流为I,学校得到的电压为U2,假设整个输电过程中无变压器的升压、降压过程。则输电导线上损耗的功率可表示为(    )

A.    B.  C.I2R  D.I(U1-U2)

试题详情

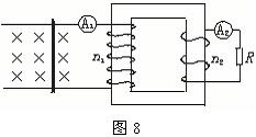
9.如图8所示,理想变压器原副线圈匝数比n1n2=4∶1,当导体棒向右匀速切割磁感线时,电流表A1的读数是12mA,则副线圈中电流表A2的读数应该为(  )

A.3mA

B.48mA

C.0

D.与R阻值有关

试题详情

8.如图7所示表示一交流电的电流随时间而变化的图像。此交流电流的有效值是(    )

A.A

B.5A

C.A

D.3.5A

试题详情

7.如图6所示,固定在水平桌面上的两平行光滑的金属导轨MN,垂直放着两可自由滑动的金属杆abcd,在导线框内,竖直放置一条形磁铁,当条形磁铁迅速上升时,导线abcd将(    )

A.保持静止

B.相互靠近

C.相互远离

D.先靠近后远离

试题详情

6.如图5所示,abcd是由粗细均匀的电阻丝制成的长方形线框,导体棒MN无电阻,可在ad边与bc边上无摩擦滑动,且接触良好,线框处于垂直纸面向里的匀强磁场中。当MN棒由靠ab边处向cd边匀速移动的过程中,下列说法中正确的是(    )

A.MN棒中电流先减小后增大

B.MN棒两端电压先增大后减小

C.MN棒上拉力的功率先增大后减小

D.矩形线框中消耗的电功率先减小后增大                    

试题详情

5.矩形导线框abcd固定在匀强磁场中,磁感线的方向与导线框所在平面垂直,规定磁场的正方向垂直纸面向里,磁感应强度B随时间变化的规律如图4(甲)所示。若规定顺时针方向为感应电流I的正方向,图4(乙)中正确的是(    )

试题详情

4.在等边三角形的三个顶点abc处,各有一条长直导线垂直穿过纸面,导线中通有大小相等的恒定电流,方向如图3所示。过c点的导线所受安培力的方向(    )

  A.与ab边平行,竖直向上

  B.与ab边平行,竖直向下

  C.与ab边垂直,指向左边

  D.与ab边垂直,指向右边

试题详情

3.如图2所示,一带电小球用丝线悬挂在水平方向的匀强电场中,当小球静止后把悬线烧断,则小球将做(    )

 A.自由落体运动

 B.曲线运动

 C.沿着悬线的延长线做匀加速运动

 D.变加速直线运动

试题详情

2.如图1所示,R1为定值电阻,R2为一种热敏电阻(温度升高时,阻值降低),L为小灯泡,当温度降低时(    )

A.R1两端的电压增大

B.电流表的示数增大

C.小灯泡的亮度变强

D.小灯泡的亮度变弱

试题详情

1.关于产生感应电流的条件,下列说法正确的是(    )

A.只要闭合电路内有磁通量,闭合电路中就有感应电流产生

B.穿过螺线管的磁通量发生变化时,螺线管内部就一定有感应电流产生

C.线框不闭合时,即使穿过线圈的磁通量发生变化,线圈中也没有感应电流

D.只要电路的一部分做切割磁感线运动,电路中就一定有感应电流

试题详情


同步练习册答案