题目列表(包括答案和解析)

 0  162306  162314  162320  162324  162330  162332  162336  162342  162344  162350  162356  162360  162362  162366  162372  162374  162380  162384  162386  162390  162392  162396  162398  162400  162401  162402  162404  162405  162406  162408  162410  162414  162416  162420  162422  162426  162432  162434  162440  162444  162446  162450  162456  162462  162464  162470  162474  162476  162482  162486  162492  162500  447348 

7.两个带有等量异种电荷的相同金属小球甲和乙之间的相互作用力为F,其间的距离远大于小球的直径。现有一个带有绝缘柄、原来不带电的同样的金属球丙,让它先和甲接触,再和乙接触,最后移去。则移去丙后,甲和乙之间的相互作用力的大小为:

   A.F/8      B.F/4     C.3F/8   D.F/2 

试题详情

6.如图所示,电子在电势差为 U1 的加速电场中由静止开始加速,然后射入电势差为 U2  的两块平行板间的电场中,入射方向跟极板平行,整个装置处在真空中,重力可忽略,在满足电子能射出平行板区的条件下,下列情况中,一定能使电子的偏转角θ变大的是:

A.U1 变大,U2 变大;    

B.U1 变小,U2 变大;

C.U1 变大,U2 变小;    

D.U1 变小,U2 变小.

试题详情

5.如图所示,平行板电容器两极板间电压恒定,带电的油滴在两板间p点(未画出)静止,若将板间距离增大一些,则油滴将:

A.向下运动   B.向上运动

C.向左运动   D.仍然静止

试题详情

4.如图所示,在P点放置一个正点电荷+q,在点电荷附近放置一个金属导体,a、b表示同一条电场线上的两点,c、d表示导体内部的任意两点,则下列说法中正确的是(E表示场强,φ表示电势):

A.Ea>Eb   φa<φb

B.Ea>Eb   φa>φb

C.Ec=Ed    φcd

D.Ea>Eb   φa>φb

试题详情

3.关于分子间的作用力,下列说法正确的是(r0 为分子的平衡位置):

A.两个分子间的距离小于r0 时,分子间只有斥力

B.两个分子间的距离大于 r0 时,分子间只有引力

C.两个分子间的距离由较远逐渐减小到 r =r0的过程中,分子力一直增大,为引力

D.两个分子间的距离由极小逐渐增大到 r =r0 的过程中,引力和斥力都同时减小,分子力为斥力

试题详情

2.如图10-7所示,是一列简谐横波在某一时刻的波形图,波向左传播,则此时刻有:

A.各质点的位移都是5cm

B.x=2m处的质点速度沿y轴正方向

C.x=4m处的质点加速度为正的最大值

D.若波的频率为5Hz,则波速为80m/s

试题详情

1.关于布朗运动,下列说法中正确的是:

A.布朗运动就是液体分子的热运动

B.布朗运动间接表明液体分子的热运动

C.液体表面积越大,布朗运动越激烈

D.悬浮的小颗粒越大,撞击它的分子数越多,布朗运动越激烈

试题详情

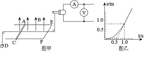
17.(14分)如图甲所示,不计电阻的“U”形光滑导体框架水平放置,框架中间区域有竖直向上的匀强磁场,磁感应强度B=1.0T,有一导体杆AC横放在框架上,其质量为m=0.10kg,电阻为R=4.0Ω。现用细绳栓住导体杆,细绳的一端通过光滑的定滑轮绕在电动机的转轴上,另一端通过光滑的定滑轮与物体D相连,物体D的质量为M=0.30kg,电动机的内阻为r=1.0Ω。接通电路后,电压表的示数恒为U=8.0V,电流表的示数恒为I=1.0A,电动机牵引原来静止的导体杆AC平行于EF向右运动,其运动的位移-时间图像如图乙所示。取g=10m/s2。求:匀强磁场的宽度;

试题详情

16.(14分)如图所示,n=50匝的矩形线圈abcd,边长ab=20cm,bc=25cm,放在磁感强度B=0.4T的匀强磁场中,绕垂直于磁感线且通过线圈中线的OO’轴匀速转动,转动角速度ω=50rad/s,线圈的总电阻r=1Ω,外电路电阻R=9Ω。试求:(1)线圈在图示位置(线圈平面与磁感线平行)时,感应电动势大小。(2)线圈从图示位置转动90°过程中通过电阻R的电量。(3)1min时间内电阻R上产生的热量。

试题详情

15.(14分)某发电站的输出功率为,输出电压为4kV,通过理想变压器升压后向80km远处供电。已知输电导线的电阻率为,导线横截面积为,输电线路损失的功率为输出功率的4%,求:(1)升压变压器的输出电压;(2)输电线路上的电压损失。

试题详情


同步练习册答案