题目列表(包括答案和解析)

 0  162558  162566  162572  162576  162582  162584  162588  162594  162596  162602  162608  162612  162614  162618  162624  162626  162632  162636  162638  162642  162644  162648  162650  162652  162653  162654  162656  162657  162658  162660  162662  162666  162668  162672  162674  162678  162684  162686  162692  162696  162698  162702  162708  162714  162716  162722  162726  162728  162734  162738  162744  162752  447348 

6.下列各图是电子技术中的常用电路,其中,乙图中的电容器的电容C较小,丙图中的电容器的电容C较大.ab是部分电路的输入端,其中输入的高频成分用“--”表示,低频成分用“-”表示,直流成分用“-”表示.关于负载电阻R中得到的电流特征,下列说法中正确的是

A.图甲中R得到的是交流成分    B.图乙中R得到的是高频成分

C.图乙中R得到的是低频成分    D.图丙中R得到的是直流成分

试题详情

5.将一个半径为10cm的100匝圆形金属线框置于匀强磁场中,线框平面与磁场方向垂直,线框总电阻为3.14Ω,磁感应强度B随时间t的变化关系如图所示。则线框中感应电流的有效值为

A.×10-2A        B.2×10-2A

C.2×10-2A     D.×10-2A

试题详情

4.如图所示,一个弹簧振子在AB间做简谐运动,O是平衡

位置,以某时刻作为计时零点(t=0),经过1/4周期,振子具

有正方向的最大加速度,那么正确反映振子的振动情况的图线是

试题详情

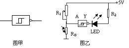
3.图甲为斯密特触发器,当加在它的输入端A的电压逐渐上升到某个值(1.6V)时,输出端Y会突然从高电平跳到低电平(0.25V),而当输入端A的电压下降到另一个值的时候(0.8V),Y会从低电平跳到高电平(3.4V)。图乙为一光控电路,用发光二极管LED模仿路灯,RG为光敏电阻。关于斯密特触发器和光控电路的下列说法中错误的是

A.斯密特触发器的作用是将数字信号转换为模拟信号

B.斯密特触发器是具有特殊功能的非门

C.要想在天更暗时路灯才会亮,应该把R1的阻值调大些

D.当输出端Y突然从高电平跳到低电平时,二极管发光

试题详情

2.如图所示,等腰直角三角形OPQ区域内存在匀强磁场,另有一等腰直角三角形导线框ABC以恒定的速度沿垂直于磁场方向穿过磁场,穿越过程中速度方向始终与AB边垂直,且保持AC平行于OQ。关于线框中的感应电流,以下说法正确的是

A.开始进入磁场时感应电流最小

B.开始穿出磁场时感应电流最大

C.开始进入磁场时感应电流沿顺时针方向

D.开始穿出磁场时感应电流沿顺时针方向

试题详情

1.把一条形磁铁从图示位置由静止释放,穿过采用双线绕法的通电线圈,此过程中条形磁铁做

A.减速运动

B.匀速运动

C.自由落体运动

D.变加速运动

试题详情

15.(14分)如图所示为气压式保温瓶的原理图,保温瓶内水面与出水口的高度差为h=0.10 m,瓶内密封空气体积为V=1.0×10-3 m3,已知水的密度为ρ=1.0×103 kg/m3,大气压强为p0=1.01×105 Pa,欲使水从出水口流出,需要向下按压保温瓶上部的活塞,使瓶内水面上部的空气体积变小。设瓶内出水管的体积不计,压水前管内无水,压水前后瓶内气体的温度保持不变。g取10m/s2.

  (1)欲使水从出水口流出,则瓶内气体的压强至少为多大?

    (2)若瓶内空气的压强和体积满足关系式pV=常量,欲使水从出水口流出,瓶内空气的压缩量△V至少为多少?

  16.(14分)一列简谐横波由质点A向质点B传播。已知AB两点相距4m,这列波的波长大于2m而小于20m。下图表示在波的传播过程中AB两质点的振动的图象。求波的传播速度。

试题详情

14.(10分)某一密闭容器中密封着一定质量的某种实际气体,气体分子间的相互作用力表现为引力。

  (1)若这种气体的体积为V,摩尔体积为V0,阿伏加德罗常数为NA,写出此种气体分子数的估算表达式。

  (2)若上述气体从外界吸收了4. 2 × 105 J的热量,同时气体膨胀对外界做了6×105J的功,问:物体的内能变化了多少?其分子势能是增加还是减少?其分子动能如何变化?

试题详情

13.(10分)如图甲所示为一列简谐横波在t=6.0×10-2s时的波形图,图乙是这列波中P质点的振动图象,两个图象对应着相同的时间起点。P点的平衡位置坐标是x=10m。

  (1)试求这列波的传播速度和传播方向;

  (2)试求P质点在t=×10-2s时刻的位移;

  (3)试在图甲中画出t=9.5×10-2s时的波形图象。

   

甲                 乙

试题详情

12.(6分)某同学用时间传感器代替了秒表做“用单摆测定重力加速度”的实验,他的设计如图(1)所示:长为l的摆线一端固定在铁架台上,另一端连接一质量为m,半径为r的小球,在摆线上紧临小球套有一小段轻细挡光管,在单摆摆动到平衡位置时,挡光管就能挡住从光源A正对光敏电阻R1发出的细光束,信号处理系统就能形成一个电压信号。R2为定值电阻。

(1)    某同学用10分度的游标卡尺测小球直径,如图(3)所示。正确的读数是________mm。

    (2)如图(2)所示,记录了单摆每次摆动到平衡位置时R1两端电压u与时间t的关系(单摆在其它位置时R1两端的电压图中未画出),则用此装置测得的重力加速度表达式为       

试题详情


同步练习册答案