题目列表(包括答案和解析)

 0  164446  164454  164460  164464  164470  164472  164476  164482  164484  164490  164496  164500  164502  164506  164512  164514  164520  164524  164526  164530  164532  164536  164538  164540  164541  164542  164544  164545  164546  164548  164550  164554  164556  164560  164562  164566  164572  164574  164580  164584  164586  164590  164596  164602  164604  164610  164614  164616  164622  164626  164632  164640  447348 

1.实验室中有电流表、电压表、电阻箱、滑线变阻器等仪器,下列各种仪器的组合(加上导线、电键),恰好可以用来测定一节干电池的电动势、内电阻的是(    )

A.电流表、电压表、滑线变阻器

B.电流表、电压表、滑线变阻器、电阻箱

C.电流表、电阻箱     D.电压表、电阻箱

试题详情

6.如图2-59示的电路中,R1 R2为标准电阻,测定电源的电动势和内阻时,如果偶然误差可以忽略不计,则电动势的测量值真实值,内阻的测量值      真实值,产生误差的             

课后巩固

试题详情

5.一位同学记录的6组数据见表。试根据这些数据在图2-58中画出U-I图线,并根据图线读出电池的电动势E=      V,电池内阻 r =      Ω .

试题详情

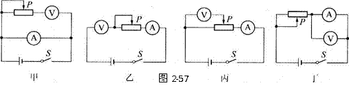
4.用伏安法测电池的电动势和内电阻,由于电路存在问题,当电键S闭合后,移动变阻器的滑片P时,出现下列异常现象.

A.电流表示数可变,电压表示数始终为零

B.电流表示数为零,电压表示数不变

C.电流表烧坏

D.电流表示数不变,电压表示数可变

以上四种情况对应的电路2-57如图中的(A)____,(B)____,(C)____,(D)_____.

试题详情

3. 如图2-56是测量电源电动势和内电阻的电路,关于误差的说法正确的是

A.由于电流表的分压作用,使内电阻的测量值小于真实值;

B.由于电流表的分压作用,使内电阻的测量值大于真实值;

C.由于电压表的分流作用,使内电阻的测量值小于真实值;

D.由于电压表的分流作用,使内电阻的测量值大于真实值;

E.测出的电动势与真实值相同;

F.测出的电动势比真实值小.

试题详情

2.在测定电源的电动势和内阻的实验中,待测电池、开关和导线配合下列哪组仪器,可以达到测定目的                   (   )

A.一只电流表和一个滑动变阻器   B.一只电流表和一只电压表

C.一只电流表和一个电阻箱     D.一只电压表和一个电阻箱

试题详情

1.在测定电源电动势和内电阻的实验中,为使实验效果明显且不会损害仪器,应选择下列电源中                       (   )

A.内阻较大的普通干电池     B.内阻较小的普通干电池

C.小型交流发电机        D.小型直流发电机

试题详情

1.某一发电机的电动势为380V,当它与外电路连接成闭合电路时,电路中的电流强度为5A,发电机在1分钟的时间内将多少机械能转化为电能?发电机做功的功率是多少?将求得的功率与E、I的乘积相比较。你能得到什么启发?

试题详情

2.电动势为20V的电源向外供电,已知它在1min时间内移动120C的电荷量,则:(1)这个回路中的电流是多大?

(2)电源产生了多少电能?

(3)非静电力做的功率是多大?

高考链接

试题详情

1.关于电源电动势,下列说法中正确的   (   )

A.在电源内部,由负极到正极的方向为电动势正方向

B.在闭合电路中,电动势的正方向与内电路中电流方向相同

C.电动势的正方向是电源内部电势升高的方向

D.电动势是矢量

试题详情


同步练习册答案