题目列表(包括答案和解析)

 0  164851  164859  164865  164869  164875  164877  164881  164887  164889  164895  164901  164905  164907  164911  164917  164919  164925  164929  164931  164935  164937  164941  164943  164945  164946  164947  164949  164950  164951  164953  164955  164959  164961  164965  164967  164971  164977  164979  164985  164989  164991  164995  165001  165007  165009  165015  165019  165021  165027  165031  165037  165045  447348 

14、如图所示,带异种电荷的金属小球MN静止在相距较远的AB两点。两球质量和体积相同,所带电荷量分别为-2q、+q。释放后两球沿球心的连线在光滑绝缘水平面上相向运动并发生弹性碰撞后远离,则以下说法正确的是:( )

A. 小球MA开始运动到相碰所用时间t1小于相碰后返回A点所用时间t2

B. MN两金属小球组成的系统动量始终为零

C. 两球组成的系统的电势能先减小后增大

D. MN两金属小球的总机械能一直增大

试题详情

13、如图所示,小车的立柱上O点固定有长L的不可伸长的轻绳,绳的末端拴有小球A(可视为质点)。小车静止在光滑的水平面上且OA水平,此时将小球由静止释放。小车的质量是小球的5倍。小球在摆动时不计空气和摩擦阻力。下面说法中正确的是:( )

A. 小球和小车组成的系统总动量守恒

B. 摆动过程中小球和小车组成系统的机械能守恒

C. 小球向右最大位移为5L/3

D. 当小球摆至最低点时,小球与小车的动量大小相等,方向相反,

此时小车的速度为

试题详情

12、如图所示,一理想变压器,原线圈匝数为n1,四个副线圈的匝数均为n2abcd是四个完全相同的灯泡,二极管(二极管具有单向导电性)、电容和电感线圈都视为理想元件。现从原线圈PQ两点输入正弦交流电,那么下列说法正确的是:(   )

A. 流过b灯的电流仍是交流电 

B. a灯的功率是b灯功率的4倍

C. 此时a灯最亮,cd两灯亮度可能相同

D. 当输入交流电的频率增大、输入电压的峰值不变时,ab两灯

 亮度不变,c灯变亮,d灯变暗

试题详情

11、AB两质量相同的小球,在光滑的水平面上沿同一直线向同一方向运动,A球的动量为8kg·m / s,B球的动量为4kg·m / s。当A球追上B球时发生碰撞,则碰撞后,AB两球的动量可能是:( )

A. 6kg·m / s,6kg·m / s;              B. 2kg·m / s,9kg·m / s;

C. 7kg·m / s,5kg·m / s;              D. -5kg·m / s,17kg·m / s.

试题详情

10、图甲为波源质点的振动图象。已知波源在x轴原点,波源振动发出的横波沿x轴传播,则t=17s时波形为:(   )

 

试题详情

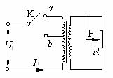
9、如图所示为一理想变压器,K为单刀双掷开关,P为滑动变阻器的滑动触头,U1为加在原线圈两端的电压,I1为原线圈中的电流,则下列说法错误的是:(  )

A. 保持U1及P的位置不变,K由ab时,I1将增大

B. 保持U1及P的位置不变,K由ba时,R消耗的功率减小

C. 保持U1不变,K接a时,使P上滑,I1将增大

D. 保持P的位置不变,K接a时,若U1增大,则I1将增大

试题详情

8、右图中的线段abc分别表示在光滑水平面上沿同一条直线运动的滑块Ⅰ、Ⅱ和它们发生正碰后结合体的位移图线。由图象给出的信息可以判定:( )

A. 碰前滑块Ⅰ的速率为0.8m/s

B. 碰后滑块的共同速率为0.6m/s

C. 碰前滑块Ⅰ的动量比滑块Ⅱ的动量大

D. 滑块Ⅰ的质量是滑块Ⅱ的质量的6倍

试题详情

7、小型交流发电机中,矩形金属线圈在匀强磁场中匀速转动,产生的感应电动势与时间呈正弦函数关系,如图所示。此线圈与一个R=10Ω的电阻构成闭合电路。不计电路的其他电阻,下列说法正确的是:( )

A.交变电流的周期为0.125s  

B.交变电流的频率为8Hz

t/s
 
C.交变电流的有效值为A 

D.交变电流的最大值为4A

试题详情

6、已知一列简谐横波的传播速度v=0.5m/s,在某时刻的波形如图中实线所示,经过一段时间后波形变为虚线,在这段时间中,质点P通过的路程可能是:( )

A. 0.4m        B. 0.5m

C. 0.6m         D. 1.0m

试题详情

5、如图所示,两个半径分别10m和5m的光滑的圆弧状轨道在最低点相切,将一小球(可视为质点)从距最低点5cm 处由静止释放。则下列说法正确的是:(   )

A. 小球往返运动一次的周期比小球在半径为10m的光滑圆弧上做

  简谐运动时的周期大

B. 小球在最低点左右两侧上升的最大高度相同

C. 小球在最低点左右两侧通过的最长弧长相等

D. 小球在最低点右侧的最大摆角是左侧的两倍

试题详情


同步练习册答案