题目列表(包括答案和解析)

 0  167675  167683  167689  167693  167699  167701  167705  167711  167713  167719  167725  167729  167731  167735  167741  167743  167749  167753  167755  167759  167761  167765  167767  167769  167770  167771  167773  167774  167775  167777  167779  167783  167785  167789  167791  167795  167801  167803  167809  167813  167815  167819  167825  167831  167833  167839  167843  167845  167851  167855  167861  167869  447348 

9.有关电功率的几个问题

有关电源的功率有以下几种:电源的转化功率,即电源功率:P=IE;电源的内部损耗功率:P=I2r;电源的输出功率:P=P-P=IU;电源的效率:

η=×100%=×100%=×100%(纯电阻电路)。

电源的输出功率曲线如图所示,当R=r时,电源输出功率最大

Pmax=。当RrRr时,电源有可能输出相同的功率。

用电器在额定电压下消耗的电功率叫额定功率,P=IU。用电器在实际电压下消耗的电功率叫实际功率,P=IU。实际功率不一定等于额定功率。

用电器的电功率为P=UI,电流的发热功率为P=I2R。对于纯电阻电路,两者相等;对于非纯电阻电路,电功率大于热功率。

试题详情

8.复杂电路的识别方法

复杂电路的识别,要熟练地利用分支法和等势法,具体要注意以下几点:

(1)两种方法可以交替使用,灵活地解决问题。

(2)理想的电流表可视作短路。

(3)理想的电压表和电压稳定时的电容器可以视作断路。

(4)两等势点之间的电阻可省去或视作短路。

(5)无电流的支路可去除。

(6)理想导线可任意长短。

试题详情

7.含有电容器电路的分析与计算方法

电容器是一个储存电能的元件。在直流电路中,当电容器充、放电时,电路里有充、放电电流,一旦电路达到稳定状态,电容器在电路中就相当于一个阻值无限大(只考虑电容器是理想的、不漏电的情况)的元件,在电容器处的电路可看作是断路,简化电路时可去掉它。简化后若要求电容器所带的电荷量时,可在相应的位置补上。分析和计算含有电容器的直流电路时,需注意以下几点:

(1)电路稳定后,由于电容器所在支路无电流通过,所以在此支路中的电阻无电压降,因此电容器两极间的电压就等于该支路两端的电压。

(2)当电容器和电阻并联后接入电路时,电容器两极间的电压与其并联电阻两端的电压相等。

(3)电路中的电流、电压变化时,将会引起电容器的充(放)电。如果电容器两端电压升高,电容器将充电;如果电压降低,电容器将通过与它并联的电路放电。

对含有电容器的电路计算应给予充分重视,解决这类问题,要认清电容器与谁并联,电容器的极板间电压等于电路中哪两点间的电压;当电路变化时,极板间电压怎样变化,带电量如何变化,是充电还是放电,充放电电流通过的是哪个回路等。

试题详情

6.理解电流表和电压表在电路中的作用

理想情况:电表内阻RA=0、RV=∞,对电路无影响,在分析和计算时,常将电流表视为短路,将电压表视为断路。

实际情况:把内阻RA串入电路,把RV并入电路。

试题详情

5.电路变化的分析方法

电路的变化分析就是根据闭合电路或部分电路的欧姆定律及串、并联电路的性质,分析电路中某一电阻变化而引起的整个电路中各部分电流、电压和功率的变化情况。

基本思路是“部分→整体→部分”,即首先从阻值变化的部分入手,由串、并联规律判知R的变化情况,再根据闭合电路欧姆定律判知IU的变化情况,最后再根据部分电路欧姆定律和串、并联的特点判知各部分电流、电压和功率的变化情况。具体过程是:

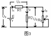
如图3所示,当滑动片P向下滑动时,用“↑”表示增大,用“↓”表示减小,用“→”表示因果,其分析过程如下。

P下滑:

试题详情

4.部分电路中RIU的关系

(1)任一电阻Ri的阻值增大(电路中其余电阻不变),必将引起该电阻中电流Ii的减小,该电阻两端电压Ui的增大。反之亦然。

Ri↑→    Ri↓→

(2)任一电阻Ri的阻值增大,必将引起与之并联的支路中电流I的增大,与之串联的各电阻电压U的减小,反之亦然。

Ri↑→    Ri↓→

试题详情

3.闭合电路中ER总、I总、U端的关系

(1)EU≥0

断路时:R→∞,U=E    短路时:R→0,U=0

(2)R↑→I=↓→U=E-Ir↑    反之,R↓→I↑→U

试题详情

2.关于电阻串、并联的规律

(1)串、并联混合电路的总电阻,总是随其中任一电阻的增大而增大、减小而减小。

(2)分压器电路的阻值:如图1所示,R1R2组成分压器电路。当R1的串联部分阻值RAP增大时,总电阻RAB增大;RAP减小时,总电阻RAB减小。

(3)双臂环路的阻值:如图2所示,由R1R2R组成双臂环路。当AR1P支路和AR2P支路总阻值相等时,RAB最大;当P滑到某端,使某一支路阻值最小时,RAB最小。

试题详情

1.电路的表征量ErR

在电路的分析和计算时,一般认为Er是不变的,最活跃的是R。当电路中某一部分电阻发生变化时,整个电路各部分的电流、电压和功率都将重新分配。

试题详情

14.试用下列实验器材测定水的折射率:表面平整的方木块(边长约20cm)、边长大于20cm的长方形水槽、米尺、大头针若干、铅笔.

解答

试题详情


同步练习册答案