题目列表(包括答案和解析)

 0  167980  167988  167994  167998  168004  168006  168010  168016  168018  168024  168030  168034  168036  168040  168046  168048  168054  168058  168060  168064  168066  168070  168072  168074  168075  168076  168078  168079  168080  168082  168084  168088  168090  168094  168096  168100  168106  168108  168114  168118  168120  168124  168130  168136  168138  168144  168148  168150  168156  168160  168166  168174  447348 

18、(13分)如图12所示,光滑金属导轨PMNQ的质量为M,水平固定在一个竖直向下的匀强磁场中,导轨上跨放一根质量为的金属棒,导轨的MN边和金属棒平行,它们的电阻分别是R和r,导轨的其余部分的电阻不计。若沿着MP方向作用很短时间,使由静止开始运动起来,获得动能。设导轨足够长。求:

(1)该过程中导轨MN边和金属棒的电热之比;

(2)该过程中金属棒中产生的热量。

试题详情

17.(13分)如图所示,一环状平行光束垂直投射到光屏上,形成一个直径为8cm的极细的环状亮斑,现将一只内外半径分别为3cm和5cm玻璃球壳置于平行光束中,光束的细亮环形状不变,试计算玻璃壳的折射率。

试题详情

16、(12分)两个氘核聚变产生一个中子和一个氦核,已知氘核质量mD=2.0136u 氦核质量mHe=3.0150u,中子质量mn=1.0087u。1u相当于 931.50MeV。

(1)写出聚变方程并计算出释放的核能;

(2)若反应前两氘核的动能均为,它们正面对撞发生核聚变,且反应后释放的核能全部转变为动能,则反应产生的氦核和中子的动能各为多大?(可认为mHe:mn=3:1)

试题详情

15、(12分)如图10(a)所示的螺线管,匝数n=1500匝,横截面积S=20cm2,电阻r=1.5,与螺线管串联的外电阻R1=3.5,R2=25。方向向左,穿过螺线管的匀强磁场的磁感强度按图10(b)所示规律变化。求(1)电阻R2的电阻功率;(2)a、b两点的电势

  (设c点电势为零)。

试题详情

14、(1)行星的平均密度是,靠近行星表面的卫星运转周期是T,试证明:T2是一个常量,即对任何行星都相同。

(2)设卫星做圆周运动的轨道半径为r,运动周期为T,试证明:是一个常数,即对于同一天体的所有卫星来说,均相等。

试题详情

13、(8分)现有一个量程约为3V的电压表(表盘中只有30等分刻度而未标有数值),共内阻约为9,请你从给定的以下器材中选出应用的器材,并设计一个能较准确测定电压表  的内阻的电路。

  器材:A、6伏蓄电池(内阻很小,可忽略)

     B、最大值约为20的滑线变阻器R1

     C、最大值约为2K的滑线变阻器R2

     D、0~999的电阻箱R3

     E、0~999的电阻箱R4

     F、开关S

     G、导线若干条

     要求:(1)画出实验电路图,并在图中标出所选用的器材符号(画在右边方框内)

     (2)按操作顺序写出主要的实验步骤。

试题详情

12、气垫导轨是常用的一种实验仪器,它能使滑块悬浮在导轨上,滑块在导轨上的运动可视为无摩擦的.在实验室中我们可以用带竖直挡板C和D的气垫导轨和质量均为M的滑块A和B做验证动量守恒定律的实验,如图8所示,实验步骤如下:

  (1)在A上固定一质量为m的砝码,在A和B之间放入一个压缩状态的弹簧,用电动卡销置于气垫导轨上;

 (2)按下电钮放开卡销,同时分别记录滑块A、B运动时间的计时器开始工作,当滑块A、B分别碰撞C、D挡板时记时结束,计时装置自动记下A、B分别到达C、D的运动时间t1、t2。重复几次实验。问:

  ①在调整气垫导轨时应注意___________;

 ②还应测量的数据有_______;

③只要关系式_______成立即可验证该过程动量守恒.

试题详情

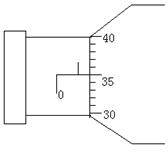
11、(6分)(1)某一工人用螺旋测微器在测定某一金属丝直径时,测得的结果如图所示,则该金属丝的直径d=________mm

(2)他又用一游标尺上标有20等分刻度的游标卡尺测一工件的长度,测得的结果如图所示,则该工件的长度L=       

试题详情

10、如图是产生X射线的装置,叫做X射线管,图中的K是阴极,A是阳极,通电时,由阴极发出的电子,打在阳极上,从阳极上激发出X射线(也称X光),设其中光子能量的最大值等于电子到达阳极时的动能,已知阴极与阳极之间电势差U、普朗克常量h电子电荷量e和光c,则(设电子初速为零)

A.高压电源的a端为正极

   B.高压电源的a端为负极

   C.X射线管发出的X光的最长波长为

   D.X射线管发出的X光的最短波长为

试题详情

9、如图所示是一个理想变压器的示意图,S为单刀双掷开关,  P是滑动变阻器的滑动触头,U1为加在原线圈两端的交变 电压,I1为原线圈中的电流                  (   )

A.若保持P的位置及U1不变,S由a合到b处,则I1将减小

B.若保持P的位置及U1不变,S由b合到a处,则R上消耗的功率增大

C.若保持U1不变,S合到b处,将P向上滑动,则I1减小

D.若保持P的位置不变,S合到a处,将U1增大,则I1增大

试题详情


同步练习册答案