题目列表(包括答案和解析)

 0  167939  167947  167953  167957  167963  167965  167969  167975  167977  167983  167989  167993  167995  167999  168005  168007  168013  168017  168019  168023  168025  168029  168031  168033  168034  168035  168037  168038  168039  168041  168043  168047  168049  168053  168055  168059  168065  168067  168073  168077  168079  168083  168089  168095  168097  168103  168107  168109  168115  168119  168125  168133  447348 

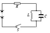
7、如右图所示电路,电感线圈电阻不计,若从开关 S 断开瞬间计时,以下说法正确的是(    )

A、t = 0 时,电容器C 上板带正电,下板带负电

B、t = 时刻,线圈 L 的感应电动势最大

C、t = 时刻,流过线圈 L 的电流最大,方向在图中为自下而上通过线圈 L

D、t = 时刻,电容器C 两极间电压最大

试题详情

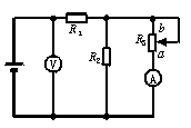
6、如右图所示,当滑动变阻器滑动触点向b移动时,以下说法正确的是(    )

A、电压表的读数增大,电流表的读数减小

B、电压表和电流表的读数都增大

C、电压表和电流表的读数都减小

D、电压表的读数减小,电流表的读数增大

试题详情

5、如右图所示,虚线a、b、c代表电场中的三个等势面,相邻等势面之间的电势差相等,即Uab= Ubc,实线为一带正电的质点仅在电场力作用下通过该区域时的运动轨迹,P、Q 是这条轨迹上的两点,据此可知(    )

A、三个等势面中,a的电势最高

B、带电质点通过 P 点时电势能较大

C、带电质点通过 P 点时的动能较大

D、带电质点通过 P 点时的加速度较大

试题详情

4、如右图所示,完全相同的直角三角形滑块AB,按右图所示叠放,设AB接触的斜面光滑,A与桌面的动摩擦因数为μ,现在B上作用一水平推力F,恰好使AB一起在桌面上匀速运动,且AB保持相对静止,则A与桌面的动摩擦因数μ跟斜面倾角θ的关系为(    )

A、μ=tanθ            B、μ=tanθ/2

C、μ=2tanθ            D、μθ无关

试题详情

3、质量为m的小球用长为L的轻绳悬挂在O点,小球在水平拉力F的作用下,从平衡位置P缓慢地移动到Q点,如图所示,则拉力F做的功大小是(     )

A、mgLcosθ B、mgL(1-cosθ)  C、FLsinθ  D、FL cosθ

试题详情

2、关于能源的开发和利用,您认为以下哪些观点是错误的:(     )

A、能源是有限的,无节制的利用常规能源,如石油之类,是一种盲目的短期行为;

B、根据能量守恒定律,担心能源枯竭实在是一种杞人忧天的表现;

C、能源的开发利用,必须要同时考虑其对环境的影响;

D、通过核聚变和平利用核能是目前开发新能源的一项有效途径。

试题详情

1、特技演员从高处跳下,要求落地时必须脚先着地,为尽量保证安全,他落地时最好是采用哪种方法(   )

A、让脚尖先着地,且着地瞬间同时下蹲

B、让整个脚板着地,且着地瞬间同时下蹲

C、让整个脚板着地,且着地瞬间不下蹲

D、让脚跟先着地,且着地瞬间同时下蹲

试题详情

13.为演示著名的“杨氏双缝干涉实验”的实验,现准备了下列仪器:  A.白炽灯  B.双窄缝片 C.单窄缝片 D.波光色片 E.白光屏.  把以上仪器装在光具座上时,正确的排列顺序是_         ____.(填代号)14.如图,用某种透光物质制成的直角三棱镜ABC;在垂直AC面的直线MN上插两枚大头针P1、P2,在AB面的左侧透过棱镜观察大头针P1、P2的像,调整视线方向,直到P1的像 ,再在观察的这一侧先后插上两枚大头针P3、P4,使P3 ,P4 ,记下P3P4的位置,移去大头针和三棱镜,过P3、P4作直线与AB面相交于D,量出该直线与AB面的夹角为45°;则该透光物质的折射率n为 ,并在图中画正确完整的光路图. 15.在测定玻璃的折射率的实验中,以下叙述中不正确的是?() ?A.玻璃砖的宽度宜大些 ?B.大头针应垂直地插在纸面上 ?C.每边的两个大头针的距离要近些,以便于观察 ?D.入射角适当大些

试题详情

12.用如图所示的装置测定玻璃的折射率.在光具盘的中央固定一个半圆形的玻璃砖,使二者的圆心O重合.使激光束从玻璃圆弧面一侧入射并垂直直径平面通过圆心O射出玻璃砖,记下入射光束在光具盘上所对应位置的刻度,以圆心O为轴逆时针缓慢转动光具盘,同时观察直径平面一侧出射光线的变化:出射光线不断向下偏转并越来越暗,直到刚好看不到出射光线为止,并记下这时入射光线在光具盘上位置的刻度,光具盘上两次刻度之间的夹角θ就是光束从玻璃射向空气的________.玻璃的折射率表达式n=________.

试题详情

11.某种酒精油酸溶液中油酸的体积百分比浓度为0.04%,40滴这种溶液的总体积为1mL,将1滴这样的溶液滴在足够大的水面上,酒精溶于水并很快挥发后,最后在水面上形成的油膜最大面积约为

  A.10cm2    B.103cm2     C.104cm2     D.105cm2

试题详情


同步练习册答案