题目列表(包括答案和解析)

 0  168222  168230  168236  168240  168246  168248  168252  168258  168260  168266  168272  168276  168278  168282  168288  168290  168296  168300  168302  168306  168308  168312  168314  168316  168317  168318  168320  168321  168322  168324  168326  168330  168332  168336  168338  168342  168348  168350  168356  168360  168362  168366  168372  168378  168380  168386  168390  168392  168398  168402  168408  168416  447348 

13.下面图13-8是4种亮度可调的台灯的电路示意图,它们所用的白炽灯泡相同,且都是

“220V,40W”.当灯泡的功率均调到额定功率时,哪种台灯消耗的电功率最小   

当灯泡所消耗的功率都调至20瓦时,哪种台灯消耗的电功率最小     

 

试题详情

12.无线电发射装置的振荡电路的电容为30Pf时,发射的无线电波的频率为1607KHz。若

保持回路的电感不变,将电容调为270PF,这时发射的无线电波的波长为     (   )

A.62m         B.187m         C.560m        D.1680m

试题详情

11.如图13一7,A、C两个线圈的匝数比为2:1,相

距1m宽的平行金属导轨处在磁感强度为1T的匀

强磁场中,电阻不计的金属棒MN在导轨上以5m/s

的速度向左作匀速运动,若导轨及导线的电阻均可

忽略不计,灯泡L1和L2上的电压分别为 (   )

A.5V  0V       B.5V  2.5V       C.0V  2.5V      D.0V  0V

试题详情

10.晶体二极管具有单向导通、反向截止的性能,即电流只能从它的“十”极流向“一”极,

不能从它的“-”极流向“十”极。图13-6是二极管调温型电热毯接在220V的交流

电源上的简图。对于它的工作情况,下列说法正确的有                  (   )

A.电键s接B时为加热状态,接A时为保温

状态

B.电键s接A时为加热状态,接B时为保

温状态

C.加热状态与保温状态电热毯的发热功率之

 比为2:1

D.加热状态与保温状态电热毯的发热功率之比为4:1

试题详情

9.如图13-5所示的电路中,电感线圈的电阻不计,原来开关S闭合。从断开开关S的瞬

  间开始计时,以下说法正确的是                                     (   )

A.t=0时刻,电容器C的上极板带正电荷,

下极板带负电荷

B.时刻,电感线圈L的感应电

动势零

C.时刻,通过电感线圈L的电

流最大,且方向向下

D.(n=0、1、2、3……)时刻,电容器C的电压均为最大

试题详情

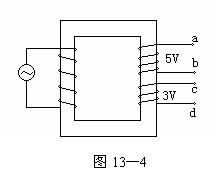
8.如图13-4所示,理想变压器有两个副线圈,输出电压分别为5V和3V,要获得8V输出

  电压(两个副线圈的绕向和输出端如图所示),

  两个副线圈连接方法是       (   )

A.b、c连接,a、d两端输出

B.a、d连接,b、c两端输出

C.a、c连接,b、d两端输出

D.b、d连接,a、c两端输出

试题详情

7.两个相距较远的平行金属板之间有一带电粒子(重力不计),今在两极板间加上如图13

  -3所示的交流电压,则粒子于某一时刻被释放后可能的运动是             (   )

A.在板间做往复运动

B. 往一个方向做变速直线运动

C. 做匀速直线运动

D.在某一平衡位置附近做简谐运动

试题详情

6.如图13-2为LC振荡电路在振荡过程中某时刻电容器内电场线和电感线圈的磁感线情

 况,由此可判定此时刻                                            (   )

A.电容器正在充电

B.电容器正在放电

C.回路中电流方向为顺时针方向

D.电容器右极板带正电

试题详情

5.两理想变压器的原线圈的匝数相同,输入电压也相同。变压器1的副线圈为n1匝,跟负

  载电阻R1连成闭合电路,副线圈中的电流为I1,副线圈中消耗电功率为P1;变压器2的

  副线圈为n2匝,跟负载电阻R2连成闭合电路,副线圈中的电流为I2,副线圈中消耗电功

  率为P2。则有                                                  (   )

A.若n1>n2,则一定有I1>I2          B.若R1<R2,则一定有I1>I2

C.若,则一定有I1>I2        D.若,则一定有P1>P2

试题详情

4.如图13-1所示,一理想变压器原线圈匝数n1=1000匝,副线圈匝数 n2=200匝,交流电

  源的电动势,电阻R=88Ω。电流表、电压表对电路影响可忽略不计。

                                                                (   )

A.A1的示数约为0.10A

B. V1的示数约为311V

C. V2的示数约为44V

D.A2的示数约为0.75A

试题详情


同步练习册答案