题目列表(包括答案和解析)

 0  172583  172591  172597  172601  172607  172609  172613  172619  172621  172627  172633  172637  172639  172643  172649  172651  172657  172661  172663  172667  172669  172673  172675  172677  172678  172679  172681  172682  172683  172685  172687  172691  172693  172697  172699  172703  172709  172711  172717  172721  172723  172727  172733  172739  172741  172747  172751  172753  172759  172763  172769  172777  447348 

15.使金属钠产生光电效应的光最长波长是500nm,因此,金属钠的逸出功W0=____.现用频率在3.90×1014Hz-7.5×1014Hz范围内的光照射钠,使钠产生光电效应的频率范围是____.(普朗克常量h=6.63×10-34J·s)

试题详情

14.在光电效应中,能否产生光电效应由____决定;光电流强度在饱和前由____决定,饱和时由____决定.

试题详情

13.两束与主轴距离相等的单色可见光A和B,平行于主轴射向凸透镜,经透镜折射后相交于P点,如图17-14所示.则A、B两束光的光子能量的大小关系是EA____EB(填大于、等于、小于).

试题详情

12.红光在玻璃中的波长与绿光在真空中的波长相等,若玻璃对红光的折射率是1.5,则红光与绿光在真空中的波长之比为____,红光与绿光的频率之比是____.

试题详情

11.对红外线、紫外线、X射线作比较时,它们的显著特征:红外线是____;紫外线是____,X射线是____.

试题详情

10.一束强弱不变的紫外线照射到一块锌板上,锌板与一个不带电的验电器相连,则下列现象中可能发生的是      [   ]

A.从锌板上发射的各个光电子具有相同的初动能

B.锌板会吸收周围空气中的正离子

C.验电器的金箔会张开

D.验电器的金箔带负电

试题详情

9.用单色光通过小圆盘或小圆孔做衍射实验时,在光屏上得到的衍射图样  [   ]

A.是中央均为暗点的同心圆条纹

B.是中央均为亮点的明暗间隔不均匀的同心圆条纹

C.是中央均为亮点的明暗间隔均匀的同心圆条纹

D.用小圆盘时中央是暗的,用小圆孔时中央是亮的

试题详情

8.关于光谱,下面说法中正确的是[   ]

A.炽热的液体发射连续谱

B.太阳光谱中的暗线说明太阳上缺少与这些暗线相应的元素

C.线状光谱和吸收光谱都可用于对物质成分进行分析

D.发射光谱一定是连续谱

试题详情

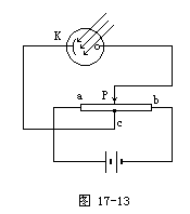
7.用图17-13所示装置研究光电效应现象,光阴极K与滑动变阻器的中心抽头c相连.当滑动头P从a移到c的过程中,光电流始终为零.为了产生光电流,可采取的措施是  [   ]

A.增大入射光的强度

B.增大入射光的频率

C.把P向a移动

D.把P从c向b移动

试题详情

5.某激光器的功率是P,辐射光的波长λ,频率为v,则激光器每1s内辐射的光子数为  [   ]

           

 6.图17-12是双缝干涉实验装置,使用波长为600nm的橙色光照射,在光屏中心P点呈现亮条纹.在P点上方的P1点到S1、S2的路程差恰为λ,现改用波长为400nm的紫色光照射,则  [   ]

A.P和P1都出现亮纹

B.P为亮纹,P1为暗纹

C.P为暗纹,P1为亮纹

D.P和P1都是暗纹

试题详情


同步练习册答案