0  117660  117668  117674  117678  117684  117686  117690  117696  117698  117704  117710  117714  117716  117720  117726  117728  117734  117738  117740  117744  117746  117750  117752  117754  117755  117756  117758  117759  117760  117762  117764  117768  117770  117774  117776  117780  117786  117788  117794  117798  117800  117804  117810  117816  117818  117824  117828  117830  117836  117840  117846  117854  447090 

3.电阻率的测定原理

把金属丝接入如图7-3-4所示的电路中,用电压表测金属丝两端的电压,用电流表测金属丝中的电流,根据Rx=计算金属丝的电阻Rx,然后用毫米刻度尺测量金属丝的有效长度l,用螺旋测微器测量金属丝的直径d,计算出金属丝的横截面积S;根据电阻定律Rx=,得出计算金属丝电阻率的公式ρ==.

图7-3-4

 

试题详情

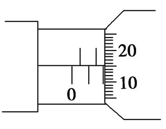
2.0 mm+15.0×0.01 mm=2.150 mm.

试题详情

2.螺旋测微器

(1)构造:如图7-3-2,S为固定刻度,H为可动刻度.

(2)原理:可动刻度H上的刻度为50等份,则螺旋测微器的精确度为0.01 mm.

图7-3-2

 

(3)读数:

①测量时被测物体长度的半毫米数由固定刻度读出,不足半毫米部分由可动刻度读出.

②测量值(mm)=固定刻度数(mm)(注意半毫米刻度线是否露出)+可动刻度数(估读一位)×0.01(mm)

图7-3-3

③如图7-3-3所示,固定刻度示数为2.0 mm,不足半毫米,而从可动刻度上读的示数为15.0,最后的读数为:

试题详情

1.游标卡尺(如图7-3-1)

图7-3-1

 

(1)构造:主尺、游标尺(主尺和游标尺上各有一个内外侧量爪)、游标尺上还有一个深度尺,尺身上还有一个紧固螺钉.

 (2)用途:测量厚度、长度、深度、内径、外径.

(3)原理:利用主尺的最小分度与游标尺的最小分度的差值制成.

不管游标尺上有多少个小等分刻度,它的刻度部分的总长度的比主尺上的同样多的小等分刻度少1 mm.常见的游标卡尺的游标尺上小等分刻度有10个的、20个的、50个的,见下表:

 

刻度格数
(分度)
刻度总长度
每小格与1 mm
的差值
精确度
(可准确到)
10
9 mm
0.1 mm
0.1 mm
20
19 mm
0.05 mm
0.05 mm
50
49 mm
0.02 mm
0.02 mm

(4)读数:若用x表示由主尺上读出的整毫米数,K表示从游标尺上读出与主尺上某一刻线对齐的游标的格数,则记录结果表达为(xK×精确度)mm.

试题详情

3.会用伏安法测电阻,并能测定金属的电阻率.

实验原理

试题详情

2.掌握电流表、电压表和滑动变阻器的使用方法及电流表和电压表的读数方法.

试题详情

1.掌握螺旋测微器的原理及读数方法.

试题详情

6.(2011·江苏高考)某同学用如图2-5-7所示的实验装置来验证“力的平行四边形定则”.弹簧测力计A挂于固定点P,下端用细线挂一重物M,弹簧测力计B的一端用细线系于O点,手持另一端向左拉,使结点O静止在某位置.分别读出弹簧测力计AB的示数,并在贴于竖直木板的白纸上记录O点的位置和拉线的方向.

图2-5-7

(1)本实验用的弹簧测力计示数的单位为N,图中A的示数为________N.

(2)下列不必要的实验要求是________.(请填写选项前对应的字母)

A.应测量重物M所受的重力

B.弹簧测力计应在使用前校零

C.拉线方向应与木板平面平行

D.改变拉力,进行多次实验,每次都要使O点静止在同一位置

(3)某次实验中,该同学发现弹簧测力计A的指针稍稍超出量程,请您提出两个解决办法.

[解析] (1)由图知弹簧测力计的分度值为0.2 N,按“二分之一”估读法可知小数点后保留一位,故读得结果为3.6 N.

(2)本实验中是利用平衡条件确定两拉力的合力与重物M所受重力等大反向,故A是必要的.因弹簧测力计的零点误差影响到各拉力的测量值,故B也是必要的.因只有拉线方向与木板平行时才能保证各力在竖直板上记录的方向与真实方向相同,故C亦是必要的.由于本实验中只需测出两拉力的大小和方向以及重物的重力即可验证平行四边形定则,而测力计A的拉力不同时O点的位置就不同,故不可能也无必要使O点静止在同一位置,答案为D.

(3)①改变弹簧测力计B拉力的大小;

②减小重物M的质量.

(或将A更换成较大量程的弹簧测力计、改变弹簧测力计B拉力的方向等)

[答案] (1)3.6 (2)D (3)见解析

试题详情

5.(2010·天津高考)在探究求合力的方法时,先将橡皮条的一端固定在水平木板上,另一端系上带有绳套的两根细绳.实验时,需要两次拉伸橡皮条,一次是通过两细绳用两个弹簧秤互成角度地拉橡皮条,另一次是用一个弹簧秤通过细绳拉橡皮条.

(1)(多选)实验对两次拉伸橡皮条的要求中,下列哪些说法是正确的( )

A.将橡皮条拉伸相同长度即可

B.将橡皮条沿相同方向拉到相同长度

C.将弹簧秤都拉伸到相同刻度

D.将橡皮条和绳的结点拉到相同位置

(2)(多选)同学们在操作过程中有如下议论,其中对减小实验误差有益的说法是( )

A.两细绳必须等长

B.弹簧秤、细绳、橡皮条都应与木板平行

C.用两弹簧秤同时拉细绳时两弹簧秤示数之差应尽可能大

D.拉橡皮条的细绳要长些,标记同一细绳方向的两点要远些

[解析] (1)实验中,两次拉伸橡皮条应使橡皮条沿相同方向拉到相同长度,即把橡皮条和绳的结点拉到相同位置,B、D正确.

(2)为了减小实验误差应使细线长一些,且标记拉力方向的两点远些,故D正确.此实验操作要求弹簧秤、细绳、橡皮条与木板平行,故B项正确.

[答案] (1)BD (2)BD

试题详情

4.(2012·浙江高考)在“探究求合力的方法”实验中,现有木板,白纸、图钉、橡皮筋、细绳套和一把弹簧秤.

(1)为完成实验,某同学另找来一根弹簧,先测量其劲度系数,得到的实验数据如下表:

 

弹力F(N)
0.50
1.00
1.50
2.00
2.50
3.00
3.50
伸长量
x(102m)
0.74
1.80
2.80
3.72
4.60
5.58
6.42

用作图法求得该弹簧的劲度系数k=________N/m;

(2)某次实验中,弹簧秤的指针位置如图2-5-6所示,其读数为________N;同时利用(1)中结果获得弹簧上的弹力值为2.50 N,请画出这两个共点力的合力F

图2-5-6

(3)由图得到F=________N.

[解析] 以水平方向为x轴,竖直方向为F轴,建立直角坐标系,然后找点,选尽可能多的点连成一条线,其图线的斜率即为弹簧的劲度系数kk= N/m≈53 N/m.

(2)弹簧秤的读数为2.10 N,选标度

合力的图示如图所示.

(3)经测量合力F=3.3 N.

[答案] (1)见解析图 53(说明:±2范围内都可)

(2)2.10(说明:有效数字位数正确,±0.02范围内都可)

见解析图 (3)3.3(说明:±0.2范围内都可)

试题详情


同步练习册答案