0  120767  120775  120781  120785  120791  120793  120797  120803  120805  120811  120817  120821  120823  120827  120833  120835  120841  120845  120847  120851  120853  120857  120859  120861  120862  120863  120865  120866  120867  120869  120871  120875  120877  120881  120883  120887  120893  120895  120901  120905  120907  120911  120917  120923  120925  120931  120935  120937  120943  120947  120953  120961  447090 

10.(07年重庆卷)建造重庆长江大桥复线桥高将长百米、重千余吨的钢梁从江水中吊起(题22图2)、施工时采用了将钢梁与水面成一定倾角出水的起吊方案,为了探究该方案的合理性,某研究性学习小组做了两个模拟实验.研究将钢板从水下水平拉出(实验1)和以一定倾角拉出(实验2)的过程中总拉力的变化情况.

①必要的实验器材有:钢板、细绳、水盆、水、支架、刻度尺、计时器和     等.

根据实验曲线(题22图3),实验2中的最大总拉力比实验1中的最大总拉力降低了 

③ 根据分子动理论,实验1中最大总拉力明显增大的原因是           ④ 可能导致测量拉力的实验误差的原因有:读数不准、钢板有油污、           等等(答出两个即可)

 

答案:①测力计(弹测力计、力传感器等等)

②13.3(允许误差±0.5)   0.27(允许误差±0.03)N

③分子之间存在引力,钢板与水面的接触面积大.

④快速拉出、变速拉出、出水过程中角度变化、水中有油污、水面波动

 

 

2008

电学实验

(08全国卷1)Ⅱ.(12分)一直流电压表V,连成为1V,内阻为1000Ω。现将一阻值在5000~7000Ω之间的固定电阻R1与此电压表串联,以扩大电压表的连成。为求得扩大后量程的准确值,再给定一直流电源(电动势E为6~7V,内阻可忽略不计),一阻值R2=2000Ω的固定电阻,两个单刀开关S1S2及若干导线。

(1)为达到上述目的,将答题卡上对应的图连成一个完整的实验电路图.

(2)连线完成以后,当S1S2均闭合时,电压表的示数为0.90 V;当S1闭合,S2断开时,电压表的示数为0.70 V,由此可以计算出改装后电压表的量程为     V,电源电动势为     V.

答案:7,6.3

解析:(1)将待测电压表与标准电阻串联后与电源连接即可。设电源电动势为E,则由闭合电路欧姆定律,当两开关都闭合时,R2被短路,有:当S1闭合,S2断开时,解两式得:R1=6000Ω ,E=6.3V;根据串联分压原理,可得电压表量程为7V。

(08全国卷2)(2)(13分)右图为一电学实验的实物连线图. 该实验可用来测量待测电阻Rx的阻值(约500Ω). 图中两具电压表量程相同, 内阻都很大. 实验步骤如下:

①调节电阻箱, 使它的阻值R0与待测电阻的阻值接近; 将滑动变阻器的滑动头调到最右端.

②合上开关S

③将滑动变阻器的滑动头向左端滑动, 使两个电压表指针都有明显偏转.

④记下两个电压表V1和V2的读数U1U2

⑤多次改变滑动变阻器滑动头的位置, 记下V1和V2的多组读数U1U2

⑥求Rx的平均值.

回答下面问题:

(Ⅰ)根据实物连线图在虚线框内画出实验的电路原理图,其中电阻箱的符号为, 滑动变阻器的符号为,其余器材用通用的符号表示。

(Ⅱ)不计电压表内阻的影响,用U1U2R0表示Rx的公式为Rx=___________

(Ⅲ)考虑电压表内阻的影响, 用U1U2R0、V1的内阻r1、V2的内阻r2表示Rx的公式为Rx=__________________

答案:(1)4.592~4.594;

(2)I电路如图:.

II

III.

解析:(1)螺旋测微器固定刻度部分读数为4.5mm,可动刻度部分读数为0.093mm,所以所测铜丝直径为4.593mm。

(2)不计电压表内阻,根据串联分压原理,有:

(3)可考电压表内阻影响,则R与Rv1的并联电阻与R与Rv2的并联电阻串联分压,即:解得:

(北京卷)(1)用示波器观察某交流信号时,在显示屏上显示出一个完整的波形,如图。经下列四组操作之一,使该信号显示出两个完整的波形,且波形幅度增大。此组操作是           。(填选项前的字母)

A.调整X增益旋钮和竖直位移旋钮

B.调整X增益旋钮和扫描微调旋钮

C.调整扫描微调旋钮和Y增益旋钮

D.调整水平位移旋钮和Y增益旋钮

答案:(1)C

解析:调整扫描微调旋钮,使该信号显示出两个完整的波形,调整Y增益旋钮,使波形幅度增大。

(08天津卷)(2)用下列器材组装成描绘电阻R伏安特性曲线的电路,请将实物图连线成为实验电路。

   微安表μA(量程200μA,内阻约200);

   电压表V(量程3V,内阻约10K);

   电阻R(阻值约20k);

   滑动变阻器R(最大阻值50,额定电流1 A).

   电池组E(电动势3V,内阻不计);

开关S及导线若干。

答案:实物连接如图

解析:从题目中给的电压表的内阻和电流表的内阻以及待测电阻R0的阻值可以判断测量电路要用伏安法的内接法,变阻器的电阻比较小,所以电源电路采用分压法。

(08四川卷)Ⅱ.(8分)图为用伏安法测量电阻的原理图。图中, 为电压表,内阻为4000Ω;为电流表,内阻为50Ω。E为电源,R为电阻箱,Rx为待测电阻,S为开关。

   (l)当开关闭合后电压表读数U=l.6V,电流表读数I=2.0mA。若将作为测量值,所得结果的百分误差是____________。

   (2)若将电流表改为内接。开关闭合后,重新测得屯压表读数和电流表读数,仍将电压表读数与电流表读数之比作为测量值,这时结果的百分误差是______________。

  (百分误差 )

解析:(1)测量值为,因电流表外接,所以,故真实值为,对应的百分误差

(2)电流表内接时,百分误差

(08江苏卷)(2)该同学经实验测量及相关计算得到如下数据:

  电阻 
   (Ω)
121.O
50.O
23.9
IO.O
3.1
导线直径 d
   (mm)
O.80l
0.999
1.20l
1.494
1.998
导线截面积 S
  (mm)
O.504
0.784
1.133
1.753
3.135

    请你根据以上数据判断,该种导线的电阻R与截面积S是否满足反比关系?若满足反   比关系,请说明理由;若不满足,请写出RS应满足的关系.

(2)直接用两组RS值相乘(50×0.784=39.2,10.0×1.753=17.53),可得RS明显不相等,可迅速判断结果“不满足”;并同时可简单计算50.0×0.9994≈50×1,10×1.4944≈10×1.54=50,两者接近相等,即R与d的四次方成反比,可迅速得出R与S2成反比。计算时选择合适的数据可使自己计算简单方便,如本题中的(50.0,0.999,0.784)和(10.0,1.494,1.753)。

(3)若导线的电阻率ρ=5.1×10-7Ω·m,则表中阻值为3.1Ω的导线长度l=     m(结果保留两位有效数字)

答案:(1)1.200  (2)不满足,RS2成反比(或RS2=常量)(3)19

解析:根据有:=≈19

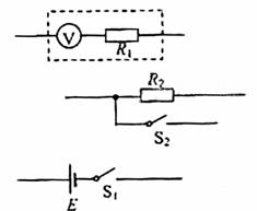
(重庆卷)(2)某研究性学习小组设计了题22图3所示的电路,用来研究稀盐水溶液的电阻率与浓度的关系.图中E为直流电源,K为开关,K1为单刀双掷开关,V为电压表,A为多量程电流表,R为滑动变阻器,Rx为待测稀盐水溶液液柱.

①实验时,闭合K之前将R的滑片P置于       (填“C”或“D”)端;当用电流表外接法测量Rx的阻值时,K1应置于位置       (填“1”或“2”)

试题详情

9.(07年北京卷)某同学用图2 所示的实验装置研究小车在斜面上的运动。实验步骤如下:

a.安装好实验器材。

b、接通电源后,让拖着纸带的小车沿平板斜面向下运动,重复几次。选出一条点迹比较清晰的纸带,舍去开始密集的点迹,从便于测量的点开始,每两个打点间隔取一个计数点,如图3中0、1、2……6点所示。

c、测量1、2、3……6计数点到0计数点的距离,分别记作:S1S2S3……S6

d、通过测量和计算,该同学判断出小车沿平板做匀速直线运动。

e、分别计算出S1S2S3……S6与对应时间的比值

f、以为纵坐标、t为横坐标,标出与对应时间t的坐标点,划出t图线。

结合上述实验步骤,请你完成下列任务:

(1)实验中,除打点及时器(含纸带、复写纸)、小车、平板、铁架台、导线及开关外,在厦门的仪器和器材中,必须使用的有         。(填选项代号)

A、电压合适的50Hz交流电源    B、电压可调的直流电源 

C、刻度尺  D、秒表   E、天平   F、重锤

(2)将最小刻度为1mm的刻度尺的0刻线与0计数点对齐,0、1、2、5计数点所在位置如图4所示,则S2=     cm,S5=     cm。

 

(3)该同学在图5中已标出1、3、4、6计数点对应的坐标,请你在该图中标出与2、5两个计数点对应的坐标点,并画出t

(4)根据t图线判断,在打0计数点时,小车的速度v0=     m/s;它在斜面上运动的加速度a=    m/s2

答案:(1) A   C

    (2)2.97~2.99   13.19~13.21

    (3)

  

  (4) 0.16~0.20   4.50~5.10

试题详情

8.(07年全国卷Ⅰ)用示波器观察频率为900Hz的正弦电压信号。把该信号接入示波器Y输入。

(1)当屏幕上出现如图1所示的波形时,应调节    钮。如果正弦波的正负半周均超出了屏幕的范围,应调节     钮或    钮,或这两个钮配合使用,以使正弦波的整个波形出现在屏幕内。

(2)如需要屏幕上正好出现一个完整的正弦波形,应将    钮置于      位置,然后调

    钮。

答案:(1)竖直位移或   衰减或衰减调节    y增益

    (2) 扫描范围      1k挡位  扫描微调

试题详情

7.(07年广东卷)实验室新进了一批低电阻的电磁螺线管,已知螺线管使用的金属丝电阻率ρ=1.7×10-8Ωm。课外活动小组的同学设计了一个试验来测算螺线管使用的金属丝长度。他们选择了多用电表、电流表、电压表、开关、滑动变阻器、螺旋测微器(千分尺)、导线和学生电源等。

   (1)他们使用多用电表粗测金属丝的电阻,操作工程分一下三个步骤:(请填写第②步操作

①将红、黑表笔分别插入多用电表的“+”、“-”插孔;选择电阻档“×1”;

                             

③把红黑表笔分别与螺线管金属丝的两端相接,多用表的示数如图(a)所示。

(2)根据多用电表示数,为了减少实验误差,并在试验中获得较大的电压调节范围,应从图(b)的A、B、C、D四实验中获得较大的电压调节范围,应从图(b)的A、B、C、D四个电路中选择   电路来测量金属丝电阻;

(3)他们使用千分尺测量金属丝的直径,示数如图10所示,金属丝的直径为      mm;

(4)根据多用电表测得的金属丝电阻值,可估算出绕制这个螺线管所用金属丝的长度

        (结果保留两位有效数字)

(5)他们正确连接电路,接通电源后,调节滑动变阻器,发现电流始终无示数。请设计一种方案,利用多用电表检查电路故障并写出判断依据。(只需写出简要步骤)

答案:(1)②将红、黑表笔短接,调整调零旋钮调零

    (2)  D

   (3)  0.260

    (4)  12m-13m

     (5) ①使用多用电表的电压档位,接通电源,逐个测量各元件、导线上的电压,若电压等于电源电压,说明该元件或导线断路故障。或②使用多用电表的电阻档位,断开电路或拆下元件、导线,逐个测量各元件、导线上的电阻,若电阻为无穷大,说明该元件或导线断路故障.

试题详情

6.(07山东理综)检测一个标称值为5 Ω的滑动变阻器。可供使用的器材如下:

A.待测滑动变阻器Rx,全电阻约5 Ω(电阻丝绕制紧密,匝数清晰可数)

B.电流表A1,量程0.6 A,内阻约0.6 Ω

C.电流表A2,量程3 A,内阻约0.12 Ω

D.电压表V1,量程15 V,内阻约15 kΩ

E.电压表V2,量程3 V,内阻约3 kΩ

F.滑动变阻器R,全电阻约20 Ω

G.直流电源E,电动势3 V,内阻不计

H.游标卡尺

I.毫米刻度尺

J.电键S、导线若干

⑴用伏安法测定Rx的全电阻值,所选电流表___________(填“A1”或“A2”),所选电压表为_________(填“V1”或“V2”)。

⑵画出测量电路的原理图,并根据所画原理图将下图中实物连接成测量电路。

⑶为了进一步测量待测量滑动变阻器电阻丝的电阻率,需要测量电阻丝的直径和总长度,在不破坏变阻器的前提下,请设计一个实验方案,写出所需器材及操作步骤,并给出直径和总长度的表达式。

答案:⑴A1;  V2

⑵电路原理图和对应的实物连接如图

  

解析:方案一:

需要的器材:游标卡尺、毫米刻度尺

主要操作步骤:

①   数出变阻器线圈缠绕匝数n

②   用毫米刻度尺(也可以用游标卡尺)测量所有线圈的排列长度L,可得电阻丝的直径为d=L/n

③   用游标卡尺测量变阻器线圈部分的外径D,可得电阻丝总长度l=nπ(D-)也可以用游标卡尺测量变阻器瓷管部分的外径D,得电阻丝总长度l=n(D-)。

④   重复测量三次,求出电阻丝直径和总长度的平均值

方案二

需要的器材:游标卡尺

主要的操作步走骤:

①   数出变阻器线圈缠绕匝数n

②   用游标卡尺测量变阻器线圈部分的外径D1 和瓷管部分的外经D2,可得电阻丝的直径为d=

电阻丝总长度l=π(D1+D2

重复测量三次,求出电阻丝直径和总长度的平均值

试题详情

5.(07宁夏理综) ⑴由绝缘介质隔开的两个同轴的金属圆筒构成圆柱形电容器,如图所示。试根据你学到的有关平行板电容器的知识,推测影响圆柱形电容器电容的因素有      

⑵利用伏安法测量干电池的电动势和内阻,现有的器材为:

干电池:电动势约为1.5 V,符号

电压表:量程1 V,内阻998.3 Ω,符号

电流表:量程1 A,符号

滑动变阻器:最大阻值99999.9 Ω,符号

单刀单掷开关1个,符号

导线若干

①设计测量电源电动势和内阻的电路并将它画在指定的方框内,要求在图中标出电压表、电流表的接线柱的正负。

 ②为了满足本实验要求并保证实验的精确度,电压表量程应扩大为原量程的   倍,电阻箱的阻值应为    Ω。

答案:⑴HR1R2ε(正对面积、板间距离、极板间的介质)

⑵①

   

②2;  998.3

试题详情

4.(07江苏卷)要描绘某电学元件(最大电流不超过6 mA,最大电压不超过7 V)的伏安特性曲线,设计电路如图,图中定值电阻R为1 kΩ,用于限流;电流表量程为10 mA,内阻约为5 Ω;电压表(未画出)量程为10 V,内阻约为10 kΩ;电源电动势E为12 V,内阻不计。

⑴实验时有两个滑动变阻器可供选择:

a、阻值0到200 Ω,额定电流0.3 A

b、阻值0到20 Ω,额定电流0.5 A

本实验应选的滑动变阻器是     (填“a”或“b”)

⑵正确接线后,测得数据如下表

 
1
2
3
4
5
6
7
8
9
10
U(V)
0.00
3.00
6.00
6.16
6.28
6.32
6.36
6.38
6.39
6.40
I(mA)
0.00
0.00
0.00
0.06
0.50
1.00
2.00
3.00
4.00
5.50

(a)根据以上数据,电压表是并联在M        之间的(填“O”或“P”)

   (b)根据以上数据,画出该元件的伏安特性曲线为             

⑶画出待测元件两端电压UMOMN间电压UMN变化的示意图为(无需数值)

答案:⑴a

⑵(a)P

(b)如图

    

  

 

试题详情

3.(07海南卷)图1中电源电动势为E,内阻可忽略不计;电流表  具有一定的内阻,电压表   的内阻不是无限大,S为单刀双掷开关,R为待测电阻。当S向电压表一侧闭合时,电压表读数为U1,电流表读数为I1;当S向R一侧闭合时,电流表读数为I2

   ⑴根据已知条件与测量数据,可以得出待测电阻R     

   ⑵根据图1所给出的电路,在图2的各器件实物图之间画出连接的导线。

  

答案:(1)

(2)连线如图

   

 

 

试题详情

2.(07广东卷)实验室新进了一批低电阻的电磁螺线管,已知螺线管使用的金属丝电阻率ρ=1.7×108 Ωm。课外活动小组的同学设计了一个试验来测算螺线管使用的金属丝长度。他们选择了多用电表、电流表、电压表、开关、滑动变阻器、螺旋测微器(千分尺)、导线和学生电源等。

⑴他们使用多用电表粗测金属丝的电阻,操作过程分以下三个步骤:(请填写第②步操作

①将红、黑表笔分别插入多用电表的“+”、“-”插孔;选择电阻档“×1”;

②________________________________________________________________;

③把红黑表笔分别与螺线管金属丝的两端相接,多用表的示数如图9(a)所示。

⑵根据多用电表示数,为了减少实验误差,并在实验中获得较大的电压调节范围,应从图9(b)的A、B、C、D四个电路中选择_________电路来测量金属丝电阻;

⑶他们使用千分尺测量金属丝的直径,示数如图10所示,金属丝的直径为_________mm;

⑷根据多用电表测得的金属丝电阻值,可估算出绕制这个螺线管所用金属丝的长度约为_________m。(结果保留两位有效数字)

⑸他们正确连接电路,接通电源后,调节滑动变阻器,发现电流始终无示数。请设计一种方案,利用多用电表检查电路故障并写出判断依据。(只需写出简要步骤)

_________________________________________________________________________

答案:⑴将红、黑表笔短接,调整调零旋钮调零

⑵D

⑶0.260 mm (0.258—0.262 mm均给分)

⑷12m或13m

⑸以下两种解答都正确:

①使用多用电表的电压档位,接通电源,逐个测量各元件、导线上的电压,若电压等于电源电压,说明该元件或导线断路故障。

②使用多用电表的电阻档位,断开电路或拆下元件、导线,逐个测量各元件、导线上的电阻,若电阻为无穷大,说明该元件或导线断路故障.

试题详情

1.(07全国理综Ⅱ)有一电流表,量程为1 mA,内阻r1约为100 Ω。要求测量其内阻。可选用器材有:电阻器R0,最大阻值为99999.9 Ω;滑动变阻器甲,最大阻值为10 kΩ;滑动变阻器乙,最大阻值为2 kΩ;电源E1,电动势约为2 V,内阻不计;电源E2,电动势约为6 V,内阻不计;开关2个,导线若干。

采用的测量电路图如图所示,实验步骤如下:①断开S1S2,将R调到最大;②合上S1调节R使满偏;③合上S2,调节R1使半偏,此时可以认为的内阻rgR1,试问:

①在上述可供选择的器材中,可变电阻R1应该选择    ;为了使测量尽量精确,可变电阻R应该选择    ;电源E应该选择   

②认为内阻rgR1,此结果与rg的真实值相比    。(填“偏大”、“偏小”或“相等”)

答案:①R0;滑动变阻器甲;E2   ②偏小

试题详情


同步练习册答案