0  157491  157499  157505  157509  157515  157517  157521  157527  157529  157535  157541  157545  157547  157551  157557  157559  157565  157569  157571  157575  157577  157581  157583  157585  157586  157587  157589  157590  157591  157593  157595  157599  157601  157605  157607  157611  157617  157619  157625  157629  157631  157635  157641  157647  157649  157655  157659  157661  157667  157671  157677  157685  447090 

2.关于运动的性质,以下说法中正确的是(   )

A.曲线运动一定是变速运动     B.变速运动一定是曲线运动

C.曲线运动一定是匀加速运动    D.加速度和速度数值均不变的运动是直线运动

试题详情

1.汽车上坡时,司机一般都将变速档换到低速档位上,这样做主要是为了(   )

    A.节省燃料                      B.使汽车获得较大的功率

    C.使汽车获得较大的牵引力          D.避免因车速过大而发生危险

试题详情

17.(16分)

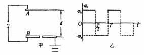
如图甲所示,A、B两块金属板水平放置,相距为d=0.6 cm,两板间加有一周期性变化的电压,当B板接地()时,A板电势,随时间变化的情况如图乙所示.现有一带负电的微粒在t=0时刻从B板中央小孔进入电场,且进入电场时初速度可忽略不计.若该带电微粒受到的电场力为重力的两倍,求:

(1)在这两段时间内微粒的加速度大小和方向;

(2))要使该微粒不与A板相碰,所加电压的周期最长为多少(g=10 m/s2).

试题详情

16.(12分)如图所示,一轻质弹簧竖直固定在地面上,自然长度为lm,上面连接一个质量为ml=l kg的物体,平衡时物体离地面0.9 m.距物体m1正上方高为0.3 m处有一个质量为m2=1kg的物体自由下落后与弹簧上物体m1碰撞立即合为一体,一起在竖直面内做简谐运动.当弹簧压缩量最大时,弹簧长为0.6 m.求(g取10 m/s2):

    (1)碰撞结束瞬间两物体的动能之和是多少?

    (2)两物体一起做简谐运动时振幅的大小? 

    (3)弹簧长为0.6m时弹簧的弹性势能大小?

试题详情

15.(8分)

设雨点下落过程受到的空气阻力与雨点的横截面积S成正比,与雨点下落的速度v的平方成正比,即。(其中k为比例系数).雨点接近地面时近似看做匀速直线运动,重力加速度为g.若把南点看做球形,其半径为r,球的体积为,横截面积,设雨点的密度为,求:

    (1)每个雨点最终的运动速度。(用、r、g、k表示);

    (2)雨点的速度达到时,雨点的加速度a为多大?

试题详情

14.(1)(2分)用螺旋测微器测量金属导线的直径,其示数如图所示,该金属导线的直径为        mm。

  (2)(11分)小灯泡灯丝的电阻会随温度的升高而变化,一研究性学习小组在实验室通过实验研究这一问题,实验室备有的器材是:电压表(0.3 V,3 k)、电流表(0-0.6A,0.1)、电池、开关、滑动变阻器、待测小灯泡、导线若干。实验时,要求小灯泡两端电压从零逐渐增大到额定电压以上.

①他们应选用图中    图所示电路进行实验.(4分)

②根据实验测得数据描绘出如图所示U-I图象,由图分析可知,小灯泡电阻随温度T变化的关系是                 。(2分)

           

③已知实验中使用的小灯泡标有1.5 V字样,请你根据上述实验结果求出小灯泡在1.5V电压下的实际功率是        W(保留两位有效数字),在0.6V电压下的小灯泡电阻为        。(保留一位有效数字)(5分)

试题详情

13.(4分)

如图所示,有一带电粒子贴A板沿水平方向射入匀强电场,当偏转电压为U1时,带电粒子沿轨迹①从两板正中间飞出;当偏转电压为U2时,带电粒子沿轨迹②落到B板中间;设两次射入电场的水平速度相同,则电压U1、U2之比为        

试题详情

12.(4分)

在研究微型电动机的性能时,应用如图所示的实验电路.当调节滑动变阻器R,使电动机停止转动时,电流表和电压表的示数分别为0.50A和2.0V。重新调节R并使电动机恢复正常运转,此时电流表和电压表的示数分别为2.0A和24.0V。则这台电动机内阻为

     ,正常运转时输出功率为     W。

试题详情

11.(3分)

传感器是把非电学量(如速度、温度、压力等)的变化转换成电学变化的一种元件,在自动控制中有着相当广泛的应用,如图所示是一种测量液面高度的电容式传感器的示意图,金属芯线与导电液体之间形成一个电容器,从电容大小的变化就能反映液面的升降情况.当测得电容值增大时,可以确定h将        。(填增大、减小、不变)

试题详情

10.如图所示,在光滑的水平面上有质量相等的木块A、B,木块A以速度前进,木块B静止.当木块A碰到木块B左侧所固定的弹簧时(不计弹簧质量),则

    A.当弹簧压缩最大时,木块A减少的动能最多,木块A的速度要减少v2

    B.当弹簧压缩最大时,整个系统减少的动能最多,木块A的速度减少v2

    C.当弹簧由压缩恢复至原长时,木块A减少的动能最多,t木块A的速度要减少v

    D.当弹簧由压缩恢复至原长时,整个系统动能不变,木块A的速度也不减小

第II卷  (60分)

试题详情


同步练习册答案