0  194563  194571  194577  194581  194587  194589  194593  194599  194601  194607  194613  194617  194619  194623  194629  194631  194637  194641  194643  194647  194649  194653  194655  194657  194658  194659  194661  194662  194663  194665  194667  194671  194673  194677  194679  194683  194689  194691  194697  194701  194703  194707  194713  194719  194721  194727  194731  194733  194739  194743  194749  194757  447090 

15.(4分)声纳是利用        原理探测海洋深度的; 汽车的后视镜、街头拐角弯处的反光镜都对光线有      作用; 我们看电视时可以利用遥控器发射       来控制频道和音量; 液体温度计是根据液体           的规律制成的。

试题详情

14.(2分)一束激光在空气中传播2秒钟,通过的路程约为       m;当这束激光垂直入射到平面镜上时,反射角是     度。(光速取3×10 8m╱s)

试题详情

13.(4分)手机是我们生活中常用的通信工具,当有电话时手机便会通过喇叭的       发出铃声,铃声通过     传入耳中使我们听到。人们在不同场合使用手机时会选择不同的音量,改变音量是改变了声音的     (选填“音调”、“音色”或“响度”);当你接听电话时,一般能够根据声音的      知道对方是熟人还是陌生人。

试题详情

12.如图3,串联在电路里的两盏灯甲和乙,若甲比乙亮,则通过甲灯的电流I与通过乙灯的电流I的大小相比较是(   )

A.I > I     

B.I < I      

C.I = I     

D.无法判断

试题详情

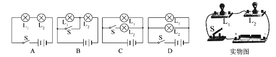
11.下列图2中,电路图与实物图一致的是

图2

试题详情

10.下列用电器是家庭中常见的家电,其中工作时电流约为4A的是(    )

A.电饭锅      B.电灯泡  

C.电风扇     D.电视机

试题详情

9.用与橡胶棒摩擦过的毛皮靠近与丝绸摩擦过的玻璃棒,则毛皮与玻璃棒(    )

   A.相互排斥       B.相互吸引  

C.无相互作用       D.无法判断

试题详情

8. 常见的视力缺陷有近视和远视.如图1所示是一位视力缺陷人员的眼球成像示意图,他的视力缺陷类型及矫正视力需要配戴的透镜种类是(   )

A、远视眼,凸透镜     B.远视眼,凹透镜  

C.近视眼,凸透镜     D.近视眼,凹透镜

    图1

试题详情

7.下列现象,需要吸收热量的是  (    )

A.秋天的早晨,小草上霜的形成     

B.雨后山上雾的形成

C.寒冷的冬天,室外潮湿的衣服结冰了 

D.养鱼缸里的水一段时间后变浅了

试题详情

6.通常情况下,对下列物质分类正确的是(    )

  A.冰、玻璃、松香是晶体    

  B.盐、玻璃、铁是金属

  C.玻璃、松香、橡胶是非晶体  

  D.冰、铁、玻璃是绝缘体

试题详情


同步练习册答案