0  195162  195170  195176  195180  195186  195188  195192  195198  195200  195206  195212  195216  195218  195222  195228  195230  195236  195240  195242  195246  195248  195252  195254  195256  195257  195258  195260  195261  195262  195264  195266  195270  195272  195276  195278  195282  195288  195290  195296  195300  195302  195306  195312  195318  195320  195326  195330  195332  195338  195342  195348  195356  447090 

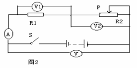
59、小丽同学按图20连接电路,研究通过导体的电流与导体两端的电压、导体电阻的关系。若R1不变,当移动滑片P时,使V1表示数分别2伏、4伏和6伏,V2表、V表和A表相应示数如下表所示:

(1)对表格中三只电压表的示数关系进行分析,可得到的结论是                                    

(2)对表格中V1表示数和A表示数的变化规律分析,可得到的结论是            

                                 

(3)对表中A和R2示数的变化规律分析:电流与电阻      (成/不成)反比,这与欧姆定律     (相符/不符),其原因是         

次数
R2
A/A
V1/V
V2/V
V/V
1
50
0.2
2
10
12
2
20
0.4
4
8
12
3
10
0.6
6
6
12

试题详情

58、为了测试一下谁眼明手快,小房、小华、小惠、小刚设计了一个测试实验,如图19甲所示。他们让小方竖直拿着尺的一端,其他同学分别在尺的正下端位置张开手指,然后小方松开手将尺自由落下,被测试的同学迅速用手抓住尺,比较三位同学手抓尺部位的高低,就能判断人的反应快慢。通过实验,小华、小惠和小刚分别抓住了尺上的A、B、C三点,如图乙所示。

(1)你认为谁的反应更快?                   

(2)小方用秒表测出从自己松开手到小华抓住尺的时间为0.5s,他再根据小华抓尺的部位,判断尺在这段时间内运动了30cm,于是他利用公式v=s/t计算出A点通过小华手指时的速度为0.6m/s。你认为小方的理解正确吗?     (填“正确”或“不正确”)你的理由是           

(3)请你对该实验做出两点简要评价:

a.                              

b.                             

试题详情

57、小洋在探究光的折射规律时做了如图所示的实验,下表中是她测出的数据,根据实验现象和表中数据,她得出了如下结论:光从空气斜射入其他介质中时,折射光线靠近法线,折射角小于入射角。

(1)你认为小洋的探究结论是否可靠?说出你的理由。

(2)如果小洋想验证折射现象中光路是否可逆,她应该怎样做?

试题详情

56、小明家电热毯的电阻线断了,他把电阻线接上后继续使用一段时间,发现接头处烧焦了。

 (1)请你判断小明是用图中______的接线方法,你判断的依据是接头处的电阻  (选填“变大”或“变小”),相同时间热量增多,是接头处烧焦的原因。

 

           甲              乙

 (2)剪下包含有接头处的电阻线一段(足够长),请你设计一个实验来验证你的猜测。

  要求:①画出所用的电路图。②写出实验步骤。

试题详情

55、为了探究“通电导体产生的热量与电阻的关系”,设计了如图所示的实验(甲、乙两个相同的烧瓶里装满煤油,玻璃管内液面相同)。

⑴电阻丝甲与乙采用串联的连接方式,其目的是    

                

⑵已知电阻丝的阻值R>R,通电一段时间后,     _____烧瓶中的玻璃管液面上升较高。

(3)保持电源电压不变,利用该实验装置,还可以探究通电导体产生的热量与      的关系(写出一种即可)。

(4)下列事例或实验中,用到的科学方法与本实验相同的有________________

A、研究电流与电压、电阻的关系     B、研究导体的电阻与哪些因素有关

C、扩散现象表明分子是运动的      D、运动的篮球有动能,运动的分子也有动能

试题详情

54、有一种家用电器,设计安装了调节温度的旋钮式多档开关,其内部电路简图如图甲所示,两电阻丝阻值R1=R2=242Ω,旋转多档开关的旋钮可以改变a、b、c、d四个接线之间的连接情况,从而使家用电器达到所需温度。图乙给出了其中的五种连接方式。则:

(1)图乙中电路连接不正确的是哪一个?__________(2)计算图乙中各种电路连接时,家用电器的电功率分别为多大?并简单说明电路的连接情况。备注:第(1)问中电路连接不正确的除外。

试题详情

53、小欣同学尝到了知识归纳整理的甜头,学习物理后,对知识归纳如下,错误的是(   )

A.能量转化B。各类仪器的原理

C.生活工具原理   D。物理量单位

试题详情

52、如图所示,M是一个放在桌面上的方格盘,N是垂直于盘面的一块玻璃板。盘中有两粒黑色棋子,它们在玻璃板中所成的像应是图中的               (   )

 

A        B         C         D

试题详情

51、小明在探究“串联电路中电压的规律”时,电路连好后(如右图),闭合开关,两灯均不亮。经检查,电路连接无误,老师告诉他是一个小灯泡坏了。小明仔细想了想后,用下列方法进行了判断,其中判断正确的是                    (   )

A、把一根导线连接在AB两点,若L1灯亮,则表示L2灯坏

B、把一只电压表并接在BC两点,若电压表无示数,则表示L2灯坏

C、把一只电流表并接在AB两点,若电流表无示数,则表示L1灯坏

D、把一只小灯泡并接在BC两点,若L1灯亮,则表示L2灯坏

试题详情

50、在一堂物理活动课上,同学们正以“假如失去……”为主题展开讨论。以下是由四位同学提出的具有代表性的观点,你认为正确的是                 (   )

A.假如失去了摩擦力,任何物体都不可能处于静止状态

B.假如导体都失去了电阻,那么所有的用电器都不能正常工作

C.假如失去了重力,天平就不能再用来测量物体的质量

D.假如磁体周围失去了磁场,世界上就再不会有电的产生

试题详情


同步练习册答案