0  200263  200271  200277  200281  200287  200289  200293  200299  200301  200307  200313  200317  200319  200323  200329  200331  200337  200341  200343  200347  200349  200353  200355  200357  200358  200359  200361  200362  200363  200365  200367  200371  200373  200377  200379  200383  200389  200391  200397  200401  200403  200407  200413  200419  200421  200427  200431  200433  200439  200443  200449  200457  447090 

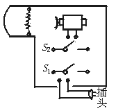
2.在图5-64中,有带风叶的小电动机一只,电热丝一段,开关两只(S1S2),插头一只,导线若干,利用这些器材可以连接成一个有冷、热两档风的电吹风电路.要求:只闭合S1时吹冷风,只闭合S2时既无风又不发热,同时闭合S1S2时吹热风.请你用笔画线作导线按要求将图中的元件连接起来(连线不要交叉).

图5-64

试题详情

1.如图5-63所示,通过L1的电流估计为0.4 A,通过L2的电流估记为0.7 A,要求:

图5-63

(1)灯L1L2并联,电流表A1L1的电流,电流表A2测干路电流,请用笔画线代替导线把实物连接起来,导线不交叉.

(2)根据你连接的实物图画出电路图.

试题详情

11.在表演台上,某人声称具有特异功能--“不怕电”.他把灯泡接到家庭电路的两根电线上,灯泡亮,取下灯泡后,他用双手同时抓住这两根电线芯,并让别人用测电笔触其肌肤,众人见氖管发光而瞠目结舌.对此,某班同学展开讨论后形成以下观点,其中不正确的是

A.这是伪科学的招摇撞骗行为

B.此人也许真有不导电的特异功能

C.此人与大地之间一定有良好的绝缘

D.他去抓那两根电线前,零线已被助手切断

试题详情

10.小红家的家庭电路进户开关上安装着漏电保护器,上面写着右表中的一些数据.在以下几种说法中,正确的是

A.漏电电流大于30 mA,保护器会在0.1 s之内切断电源

B.漏电持续时间超过0.1 s时保护器才能工作

C.当漏电电流达到以15 mA时就能起到可靠的保护作用

D.只有当进户电压大于220 V或用电电流大于20 A时,才能起保护作用

试题详情

9.小刚家中的几盏电灯突然全部熄灭了,检查保险丝发现并未烧断,用试电笔测试各处电路时,氖管都发光.他对故障作了下列四种判断,其中正确的是

A.灯泡全都烧坏

B.进户零线断路

C.室内线路发生短路

D.进户火线断路

试题详情

8.图5-61中,L1L2是两只完全相同的灯泡,闭合开关S后,电流表的示数如图5-62所示,则通过L1的电流为

   

图5-61               图5-62

A.0.5 A       B.0.25 A         C.2.5 A         D.1.25 A

试题详情

7.学生使用电流表时,本应使用“+”和“3”两接线柱,但误将“+”和“0.6”两接线柱接入电路,而电流还是从“+”流入电流表,从“0.6”流出电流表,这样做的结果将是

A.指针偏转的角度小了

B.指针偏转的角度大,电流表全损坏,电流表可能被损坏

C.指针不动

D.指针会反向偏转,电流表会损坏

试题详情

6.如图5-60所示,用电流表测量通过灯泡L2的电流的四个电路图中,其测量方法正确的是

图5-60

试题详情

5.如图5-59所示,若闭合开关S,将会发生的现象是

图5-59

A.L2发光,L1不发光

B.电池被烧坏

C.L1L2都发光

D.L1被烧坏

试题详情

4.将两盏小灯泡和一个开关接入电路中,下列说法正确的是

A.若开关同时控制两盏灯,两盏灯一定是串联

B.若开关同时控制两盏灯,两盏灯一定是并联

C.若开关只控制一盏灯,则两盏灯一定是并联

D.以上说法都不正确

试题详情


同步练习册答案