0  245313  245321  245327  245331  245337  245339  245343  245349  245351  245357  245363  245367  245369  245373  245379  245381  245387  245391  245393  245397  245399  245403  245405  245407  245408  245409  245411  245412  245413  245415  245417  245421  245423  245427  245429  245433  245439  245441  245447  245451  245453  245457  245463  245469  245471  245477  245481  245483  245489  245493  245499  245507  447090 

4、一定质量的理想气体(  )

A.先等压膨胀,再等容降温,其温度必低于起始温度

B.先等温膨胀,再等压压缩,其体积必小于起始体积

C.先等容升温,再等压压缩,其温度不可能等于起始温度

D.先等容加热,再绝热压缩,其内能必大于起始内能

试题详情

3..如图所示,弹簧下端悬一滑轮,跨过滑轮的细线两端系有A、B两重物, mB=2kg,不计线、滑轮质量及摩擦,则A、B两重物在运动过程中,弹簧的示数可能为:(g=10m/s2)(  )

(A)40N    (B)60N   (C)80N     (D)100N

试题详情

2. 如右图所示,位于竖直平面内的固定光滑圆环轨道与水平面 相切于M点,与竖直墙相切于A点,竖直墙上另一点B与M的连线和水平面的夹角为600,C是圆环轨道的圆心.已知在同一时刻:ab两球分别由A、B两点从静止开始沿光滑倾斜直轨道分别AM、BM运动到M点;c球由C点自由下落到M点;则(  )                 

(A)a球最先到达M点.  (B)b球最先到达M点.

(C)c球最先到达M点.  (D)b球和c球都可能最先到达M点.

试题详情

1.下列说法正确的是(  )

  (A)光波是-种概率波   (B)光波是一种电磁波

  (C)单色光从光密介质进入光疏介质时.光子的能量改变

  (D)单色光从光密介质进入光疏介质时,光的波长不变

试题详情

12.如图所示,劲度系数为k的轻质弹簧上端悬挂在天花板上,下端连接一个质量为M的铁块A,铁块下面用细线挂一质量为m的物体B,断开细线使B自由下落,当铁块A向上运动到最高点时,弹簧对A的拉力大小恰好等于mg,此时B的速度为v,则

  A.A、B两物体的质量相等

  B.A与弹簧组成的振子的振动周期为4v/g

  C.在A从最低点运动到最高点的过程中弹簧弹力做功为M2g2/k

  D.在A从最低点运动到最高点的过程中弹力的冲量为2mv

选择题专项训练59答案

1
2
3
4
5
6
7
8
9
10
11
12
A
B
C
D
C
A
B
BCD
AB
AB
BCD
CD

选择题专项训练60

试题详情

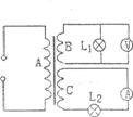
11.如图所示,理想变压器三个线圈A、B、C,其中B、C的匝数分别为n2、n3,电压表的示数为U,电流表的示数为I,L1,L2是完全相同的灯泡,根据以上条件可以汁算出的物理量是:

  A.线圈A的匝数   B.灯L2两端酌电压   .

  C.变压器的输入功率  D.通过灯L1的电流强度

试题详情

10.如图所示,子弹水平射入放在光滑水平地面上静止的木块后不再穿出,此时木块动能增加了6J,那么此过程产生的内能可能为

A.10J   B.8J

C.6J   D.4J

试题详情

9.已知介质对某单色光的临界角为θ,则

  A.该介质对此单色光的折射率为(1/sinθ)

  B.此单色光在该介质中的传播速度等于csinθ(c是真空中的光速)

  c.此单色光在该介质中的频率是在真空中频率的sinθ倍

  D.此单色光在该介质中的波长是在真空中波长的l/sinθ

试题详情

8.一列简谐波沿绳子传播,振幅为0.2m,传播速度为lm/s,频率为0.5Hz。在to时刻,质点a 正好经过平衡位置。沿着波的传播方向

  A.在t0时刻,距a点为2m处的质点离开平衡位置的距离为0.2m

  B.在(to+0.5s)时刻,距a点为lm处的质点离开平衡位置的距离为0.2m

  C.在(to+1.5s)时刻,距a点为lm处的质点离开平衡位置的距离为0.2m

  D.在(to+2S)时刻;距a点为0.5m处的质点离开平衡位置的距离为0.2m

试题详情

7.如图所示,杯中装满水,上方有一点A,杯底有一点B,AB连线和水面的交点为0,现在A点用很细的一束红光照向水面上的P点,正好在B点形成亮点,若在A点用很细的一束紫光照向水面上的Q点,也正好在B点形成亮点,下列说法正确的是

A.P点和Q点都在O点的左边,Q点距0点较远

B.P点和Q点都在O点的右边,Q点距O点较远

C.P点和Q点都在O点的左边,Q点距O点较近

D.P点和Q点都在0点的右边,Q点距0点较近

试题详情


同步练习册答案