0  245424  245432  245438  245442  245448  245450  245454  245460  245462  245468  245474  245478  245480  245484  245490  245492  245498  245502  245504  245508  245510  245514  245516  245518  245519  245520  245522  245523  245524  245526  245528  245532  245534  245538  245540  245544  245550  245552  245558  245562  245564  245568  245574  245580  245582  245588  245592  245594  245600  245604  245610  245618  447090 

1.一物体在两个力作用下静止,若使其中一个力不变,另一力逐渐减小到零,再按原方向逐渐恢复到原值,则物体在此过程中的运动情况是

  A.一直加速     B.一直减速

  C.先加速后减速   D.先减速后加速

试题详情

9.有一个带电荷量为+q、重为G的

小球,从两竖直的带电平行板上方

h处自由落下,两极板间另有匀强

磁场,磁感应强度为B,方向如图所

示.则带电小球通过有电场和磁场的空间时,下列说法错误的是

   A.一定做曲线运动     B.不可能做曲线运动

   C.有可能做匀加速运动   D.有可能做匀速运动

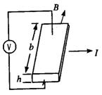
  10.用如图所示的装置可以测定导体

中单位体积内的自由电子数n.现

测得一块横截面为矩形的金属导

体的宽度为b,厚为h,与侧面垂直

的匀强磁场磁感应强度为B.当通

以图示方向电流I时,在导体上下表

面间用电压表可测得电压U.已知自由

电子的电荷量为e则下列判断正确的是

A.上表面电势高

B.下表面电势高

C.该导体单位体积内的自由电子数为I/ehb

D.该导体单位体积内的自由电子数为BI/eUb

选择题专项训练(25)

试题详情

8.如图所示电路中,由于某一电阻断

路,致使电压表和电流表的示数均

比该电阻未断路时要大,则这个断

路的电阻可能是

   A.R1   B.R2   C.R3   D.R4

试题详情

7.一质量为m的带电小球,在竖直方向的匀强电场中以水平速度抛出,小球的加速度大小为2g/3,阻力不计.小球在下落h的过程中,则

   A.小球的动能增加mgh/3

     B.小球的电势能增加mgh/3

   C.小球的重力势能减少2mgh/3

   D.小球的机械能减少2mgh/3

试题详情

6.下列做法中,能使两个点电荷间的库仑力大小变为原来一半的是

   A.不改变电荷间的距离,使每个电荷的电荷量都变为原来的一半

   B.不改变两电荷的电荷量,使电荷间的距离变为原来的

   C.使一个电荷的电荷量加倍,同时使两电荷间的距离加倍

   D.使两个电荷的电荷量和两电荷间的距离都增大到原来的2倍

试题详情

5.甲、乙两个分子相距较远,它们之间的分子力已达到可以忽略的程度.若固定甲分子的位置,使乙分子逐渐靠近甲分子,直到不能接近的整个过程中,分子力对乙分子做功及分子势能变化的情况是

   A.始终做正功,分子势能始终减小

   B.始终做负功,分子势能始终增加

   C.先做正功,后做负功,分子势能先减小后增加

   D.先做负功,后做正功,分子势能先增加后减小

试题详情

4.某物质的摩尔质量为M,密度为ρ,阿伏加德罗常数为NA.设想该物质分子是一个挨一个紧密排列,则估算其分子直径是

   A.       B.

   C.       D.

试题详情

3.如图所示,一列沿x轴传播的横

波,t=0时刻的图象用实线表示,

经Δt=0.2 s时的图象用虚线表示,

有下述说法

  ①若波向右传播,则最大周期是1s

  ②若波向左传播,则最小频率是4.5 Hz

  ③若波向左传播,则最小波速是9 m/s

  ④若波速是19 m/s,则波向右传播

  上述说法中正确的是

   A.①②   B.②③   C.①③   D.②④

试题详情

2.摆长为L的单摆在竖直平面内做小角度摆动,振动周期为T. 为使该单摆的周期变为2T,正确的做法是

   A.将单摆的振幅增大为原来的2倍

   B.将单摆的摆长调整为L/4

   C.将单摆的摆长调整为4L

     D.将单摆摆球的质量增大为原来的2倍

试题详情

1.如图所示,在一个水平圆盘上有一个木块P随圆盘一起绕过O点的竖直轴匀速转动.下面说法中正确的是

   A.圆盘匀速转动的过程中,P受到的静摩擦力的方向指向O点

   B.圆盘匀速转动的过程中,P受到的静摩擦力为零

   C.在转速一定的条件下,P受到的静摩擦力的大小跟P

到O点的距离成正比

   D.在P到O点的距离一定的条件下,P受到的静摩擦力

的大小跟圆盘匀速转动的角速度成正比

试题详情


同步练习册答案