0  296100  296108  296114  296118  296124  296126  296130  296136  296138  296144  296150  296154  296156  296160  296166  296168  296174  296178  296180  296184  296186  296190  296192  296194  296195  296196  296198  296199  296200  296202  296204  296208  296210  296214  296216  296220  296226  296228  296234  296238  296240  296244  296250  296256  296258  296264  296268  296270  296276  296280  296286  296294  447090 

7. 甲、乙、丙、丁四位同学到木工厂参观时,一木工师傅要他们拿尺子帮助检测一个窗框是否是矩形,他们各自做了如下检测:检测后,他们都说窗框是矩形,你认为最有说服力的是

A、甲量得窗框两组对边分别相等   B、乙量得窗框的对角线相等   

C、丙量得窗框的一组邻边相等。D、丁量得窗框的两组对边分别相等且两条对角线也相等。

试题详情

6. 下列各组数的比较中错误的是(   )                     

A、 -  < -2   B、 >   C、>  1.7   D、π>3.14

试题详情

5.如图(1),等边ΔABC中,D为BC上一点, ΔABD经过旋转后到达ΔACE的位置,如果∠BAD=18°,则旋转角等于(   )                           

A、18°     B、 32°    C、60°  D、72°

                        

试题详情

4. 矩形具有而平行四边形不具有的性质是(   )               

A、对角线互相平分        B、两组对边分别相等 

C、相邻两角互补        D、对角线相等  

试题详情

3. 以下列各组数据为边长作三角形,其中能组成直角三角形的是         (   )

A、3、5、3   B、4、6、8   C、7、24、25    D、6、12、13

试题详情

2. 在-、2π、、0 、 中无理数个数为          (   )

A、1个     B、2个  C、3个   D、4个

试题详情

1. 16的平方根是(    )

A、±4   B、-4    C、4   D、±2

试题详情

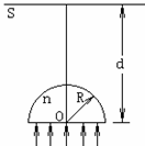
16. 一束截面为圆形(半径为R)的平行单色光正面射向一玻璃半球的平面,如图所示,经折射后在屏S上形成一圆形光斑。已知入射光的波长为λ、功率为P,玻璃半球的半径为R,折射率为n,屏S 到球心O的距离为d(d>3R)

(1)从O点射入玻璃砖的光线要多长时间能到达屏S?

(2)光从圆弧面上什么范围射出?

试题详情

15. 如图,置于空气中的一不透明容器中盛满某种透明液体。容器底部靠近器壁处有一竖直放置的6.0cm长的线光源。靠近线光源一侧的液面上盖有一遮光板,另一侧有一水平放置的与液面等高的望远镜,用来观察线光源。开始时通过望远镜不能看到线光源的任何一部分。将一光源沿容器底向望远镜一侧平移至某处时,通过望远镜刚好可能看到线光源底端。再将线光源沿同一方向移动8.0cm,刚好可以看到其顶端。求此液体的折射率n

试题详情

14. 图丙是北京奥运会期间安置在游泳池底部的照相机拍摄的一张照片,照相机的镜头竖直向上照片中,水利方运动馆的景象呈现在半径的圆型范围内,水面上的运动员手到脚的长度,若已知水的折射率为,请根据运动员的实际身高估算该游泳池的水深,(结果保留两位有效数字)

试题详情


同步练习册答案