0  322547  322555  322561  322565  322571  322573  322577  322583  322585  322591  322597  322601  322603  322607  322613  322615  322621  322625  322627  322631  322633  322637  322639  322641  322642  322643  322645  322646  322647  322649  322651  322655  322657  322661  322663  322667  322673  322675  322681  322685  322687  322691  322697  322703  322705  322711  322715  322717  322723  322727  322733  322741  447090 

12.一只量程为15 V的电压表,串联一个3 kΩ的电阻后,再去测量实际电压为15 V的路端电压时,电压表示数为12 V,那么这只电压表的内阻是_____kΩ.用这串联着3 kΩ电阻的电压表测量某段电路两端电压时,如果电压表的示数为4 V,则这段电路的电压实际为_____V.

[解析] 设电压表内阻为Rg,则

=12                                         ①

由①得

Rg=12 kΩ

设实际电压为U,则:

                                         ②

由②式得

U=5 V

[答案] 12;5

试题详情

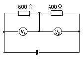
11.如图所示,电压表V1V2的读数都是3.5 V,如果对调这两个电压表,则V1的读数为3.0 V,V2的读数为4.0 V,求这两个电压表的内阻.(不计电源内阻)

[解析] 串联电路中,电阻两端的电压与电阻成正比.又由并联电阻的特点可得.

                                ①

                              ②

由①②可得.

R1=240 Ω,R2=300 Ω

[答案] R1=240 Ω;R2=300 Ω

试题详情

10.有一未知电阻Rx,为了较准确地测出电阻值,先后用如图所示的甲、乙两种电路进行测试,利用甲电路测得的数据为2.7 V、5.0 mA,利用乙电路测得的数据为2.8 V、4.0 mA,那么该电阻测量值较准确的数值等于_____Ω,测量值与真实值的偏差情况是_____.

[解析] 在甲、乙测试电路中,电流由5 mA变为4 mA,说明电压表分流较大,所以应选用乙图,Rx Ω=700 Ω,由于毫安表分压,因而测量值大于真实值.

[答案] 700;比真实值偏大

试题详情

9.如图所示,R1R2串联,它们两端的电压恒定,用同一个电压表分别测得R1R2两端的电压为U1U2,则U1U2=_____.(R1R2为已知量)

[解析] 设电压表内阻为R

                          ①

                          ②

由①②得,

[答案] R1R2

试题详情

8.有一个电压表的量程为3 V,内阻为900 Ω,由于没有电流表,需要将其改装成一个量程为0.6 A的电流表,则应该_____联一个阻值为_____Ω的电阻,当用改装好的电流表去测某一电流时,指针的读数为1.2 V,则对应的电流为_____A.

[解析] 应并联一个分流电阻R,则

IV A= A

IRIAIV=0.6 A- A= A

R Ω=5 Ω

当改装后的电流表的指针指在1.2 V的位置时,对应的电流为

I×0.6 A=0.24 A

[答案] 并;5;0.24

试题详情

7.经过精确校准的电压表V1和V2当分别用来测量某线路中电阻R两端ab间的电压时,如图所示,读数依次为12.7 V和12.3 V,则

ab间的实际电压略大于12.7 V

ab间的实际电压略小于12.3 V

③电压表V1的内阻大于V2的内阻

④电压表V1的内阻小于V2的内阻

以上判断正确的是

A.①③                            B.②④

C.①④                            D.②③

[解析] 并联电压表后,使ab间的电阻变小,从而使ab间的电压变小,即电压表的示数比ab间没有接电压表时的实际电压略小些,而且,电压表的内阻越大,电压表的示数越大,越接近于ab间没接电压表时的实际电压值.故电压表V1的内阻较大,ab间的实际电压略大于12.7 V.①和③正确,选A.

[答案] A

试题详情

6、某同学设计了一个转向灯电路(题15图),其中L为指示灯,L1、L2分别为左、右转向灯,S为单刀双掷开关,E为电源.当S置于位置1时,以下判断正确的是

A.      L的功率小于额定功率

B.      L1亮,其功率等于额定功率

C.      L2亮,其功率等于额定功率

D.     含L支路的总功率较另一支路的大

[答案]A

[解析]本题考查电路分析的有关知识,本题为中等难度题目。由电路结构可知,当S置于1位置时,L与L2串联后再与L1并联,由灯泡的额定电压和额定功率可知,L1和L2的电阻相等。L与L2串联后的总电阻大于L1的电阻,由于电源电动势为6伏,本身有电阻,所以L1两端电压和L与L2的总电压相等,且都小于6伏,所以三只灯都没有正常发光,三只灯的实际功率都小于额定功率。含L的支路的总电阻大于L1支路的电阻,由于两条支路的电压相等,所以。含L的支路的总功率小于另一支路的功率。

试题详情

5.如图所示,电路中L1L2L3是三盏完全相同的白炽小灯泡,把它们串联后接在电压恒为6 V的电源上,三个小灯泡都正常发光,后来三个小灯泡都不亮了,用电压表接ac两端时,示数是6 V;接bd两端时,电压表示数为零.接ab两端时,示数也为零.导线连接良好,则灯丝烧断的小灯泡可能是

A.仅是L1                       B.仅是L2

C.L1L2                          D.L2L3

[解析] 由Ubd=0,知L1断;Uab=0,可知L2断.

[答案] C

试题详情

4.如图所示,两个电阻的阻值均为100 Ω,AB两端的电压保持12 V不变,现用一个内阻为1.45 kΩ的电压表去测量某个电阻两端的电压,读数为

A.6 V                             B.5.8 V

C.5.2 V                            D.6.8 V

[解析] 电压表与电阻R的并联电阻为

R′= Ω=93.5 Ω

电压表的读数为

UV V=5.8 V

[答案] B

试题详情

3.以下关于欧姆表的说法中,不正确的是

A.表盘刻度是非均匀的,从零刻度开始,刻度值越大处,刻度越密

B.红表笔是与表内电源的正极相连的

C.测电阻时,首先要红黑表笔直接相连,调好零点后再去测电阻

D.为了减小误差,应尽量使指针指向中间左右的刻度处

[解析] 欧姆表表盘刻度是非均匀的,刻度值越大处,刻度越密.

[答案] B

试题详情


同步练习册答案