0  329925  329933  329939  329943  329949  329951  329955  329961  329963  329969  329975  329979  329981  329985  329991  329993  329999  330003  330005  330009  330011  330015  330017  330019  330020  330021  330023  330024  330025  330027  330029  330033  330035  330039  330041  330045  330051  330053  330059  330063  330065  330069  330075  330081  330083  330089  330093  330095  330101  330105  330111  330119  447090 

7.下列离子方程式书写正确的是                                      (   )

    A.向苯酚钠溶液中通入少量CO2;C3H2O-+CO2+H2O→C6H8OH+HCO3-

        B.铝片溶于NaOH溶液:Al+2OH-=AlO2+H2

    C.向1mol碘化亚铁的溶液中通入标准状况下22.4L氧气:2Fe2++2I-+2Cl2=2Fe3++I2+4Cl-

    D.Fe3O4溶于稀HNO3:Fe3O4+8H+=Fe2++2Fe3++4H2O

试题详情

6.下列有关元素化合物的叙述中正确的是                               (   )

    A.碱金属原子的最外层电子数都是1,次外层电子数都是8

    B.将SO2通入滴有紫色石蕊试液的水中,溶液变成红色

    C.白磷易溶于水,不能保存在水中

    D.高性能通信材料光 导纤维的主要原料是单品硅

试题详情

5.下图中甲、乙、丙三个有关的指标,甲的变化引起乙、丙的变化对应关系不正确的是(   )

 
A
B
C
D

血糖
物种丰富度
植物细胞质壁分离的程度
光照强度

胰岛素
抵抗力稳定性
细胞液渗透压
五碳化合物

胰岛血糖素
恢复力稳定性
细胞吸水能力
三碳化合物

试题详情

4.调节是生物体维持自身正常生命活动的重要功能,以下表述正确的是         (   )

    A.植物生长素从植物形态学上端向形态学下端的极性运输需要能量

    B.由于敏感性不同,促进芽生长的生长素浓度一定会抑制根的生长

    C.垂体既能分泌激素,又与下丘脑相联系,所以是内分泌活动的枢纽

    D.含有神经递质的突触小泡进入突触间隙作用于突触 后膜会引起后膜发生电位变化

试题详情

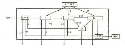
3.下图是某人工生态系统能量流动过程中部分环节涉及的能量值(单位为103kJ/)。下列叙述正确的是                                        (   )

    A.该生态系统生产者固定的总能量是1.1×103kJ/

    B.由生产者,I、Ⅱ、Ⅲ、Ⅳ构成的捕食食物链中,能量流动是单向的、逐级递减的

    C.I为第一营养级,Ⅱ为第二营养级,两者这间的能量传递效率是5.6%

    D.在生物圈中,除了全部的微生物,一些腐生动物也属于类群Ⅳ

试题详情

2.细胞是生物体结构和功能的基本单位,下列关于真核生物的细胞叙述正确的是  (   )

    A.有中心体的细胞一定是动物细胞

    B.没有叶绿体的细胞一定不是植物细胞

    C.有高尔基体的细胞一定可以产生分泌蛋白

    D.没有线粒本的细胞一定不能进行有氧呼吸

试题详情

1.如图表示某二倍体生物一对同源染色体上的部分基因,以下说法正确的是     (   )

    A.图中共存在4对等位基因

    B.图示所有基因的编码区都是不连续的

    C.图中茎高和花色两对相对性状的遗传遵循基因自

由组合定律

    D.甲染色体上所示基因控制的性状在该生物体内可

全部观察到

试题详情

39.(60分)根据材料和图,结合所学知识,回答下列问题。

材料一:加勒比海岛国海地当地时间2010年1月12日16时53分(北京时间13日5时53分)发生里氏7.0级地震,震源深度为13公里。世界卫生组织确认,此次海地地震已造成11.3万人丧生,19.6万人受伤。此次地震中遇难者有联合国驻海地维和部队人员,其中包括8名中国维和人员遇难。智利当地时间2月27日凌晨3时34分(北京时间2月27日14:34),发生里氏8.8级特大地震,震源位于海底59.4公里,地点位于智利马乌莱地区外海,震中距智利城市康塞普西翁100公里,距智利首都圣地亚哥320公里。

材料二:2009年10月3日2016年奥运会举办城市的股票表决活动在丹麦首都哥本哈根举行。在国际奥委会进行了三轮投票后,巴西里约热内卢最终成为2016年第三十一届夏季奥运会的举办地。

  材料三:巴西人口和水系分布图11。

  (1)根据材料一,有关海地与智利发生地震的叙述正确的是(   )(4分)

     ①两次地震均为破坏性深资源地震,均位于环

太平洋地震带中

②智利地震释放的能量大约相当于海地地震的500倍,但烈度却比海地小

③海地与智利的时差为1小时,当智利发生地震时,海地时间为2月27日1时34分

④智利地震的发生将引发近期国际市场上铜价的上涨

  (2)简述巴西人口分布特点及产生的原因。(8分)

  (3)描述图中世界上最大河流的水系特征并解释其原因。(8分)

材料四:“18世纪西班牙与葡萄牙所拥有的地位,就无法像英国那样,既有能力为自己的殖民地产品提供广大市场,使殖民地经济迅速发展,又有能力为殖民地提供任何需要的工业制成品。而处于印第安世界的包围中,就赋予了拉丁美洲国家一种无法摆脱的命运:与印第安人只是现代世界一道风俗式背景的北美洲不同,在拉丁美洲,由于拥有高度发达的农业文明中心与密集的人口,印第安世界是现实活生生的一部分,无法忽视。因此,拉丁美洲的发达,无法仅仅以欧洲文明为要素,而必须以印第安文明与欧洲文明深度融合为前提。他们在寻找发展道路的同时,还要面临寻找身份认同的痛苦过程……”拉美独立后,这片土地上的人民,和马贡多的村民一样,注定是孤独的探求。

--《百年孤独》VS拉美历史

   材料五:“……思想路线是什么?就是坚持马克思主义,坚持把马克思主义同中国实际相结合,也就是坚持毛泽东同志说的实事求是,坚持毛泽东同志的基本思想。……”

  --邓小平《建设有中国特色的社会主义》

  (4)根据材料四结合所学,谈谈是哪些因素使得拉美无法象北美那样走上统一和独立自主地发展资本主义的道路,而“注定是孤独的探求”。(16分)

  (5)结合材料四、五,谈谈拉美和中国在发展道路上的共同点。(4分)

   材料六:《中国对拉丁美洲和加勒比政策文件》是中国政府制定的首份对该地区政策文件,文件阐述了中国对拉美政策的总体目标,全面规划了今后一个时期中拉各领域的友好合作。外交部长杨洁属说:我们对中拉关系的未来是充满了信心,中国是最大的发展中国家,拉美和加勒比是重要的发展中地区,双方有相同的发展任务,双方发展互为机遇,双方完全可以成为平等互利,共同发展的好伙伴。在目前金融危机背景下,中拉在应对金融危机,在防止金融危机向中国、拉丁美洲、加勒比地区实体经济外溢方面有着共同的利益,双方在改革国际金融体制,国际金融的监管体系方面也有着共同的利益。中拉的经贸往来日益增多,贸易额快速上升,这就说明双方的经济,实体经济有相当高的互补性。我们要进一步加强交流,沟通和合作,这是符合中国和拉美地区的共同利益的,也是符合广大的发展中国家的共同利益。

  (6)结合材料六,分析我国政府发表《中国对拉丁美洲和加勒比政策文件》对中拉共同应对国际金融危机及双方友好发展有何政治意义。(10分)

   材料七:国际金融危机致使我国经济出现困难。中共中央政治局会议提出、实施积极的财政政策和适度宽松的货币政策。根据以往经验,每次发生世界金融危机的时候,我国政府都会采取一系列果断措施。下面是我国政府在1997年亚洲金融危机和2008年美国引发全球金融危机时采取的措施。

“要通过多种渠道增加城乡居民特别是低收入群众的收入;加快发展消费信贷,推进城镇住房制度改革,支持居民购买住房和大件耐用消费品;积极引导居民增加文化、娱乐、体育健房和旅游等消费,拓宽服务性消费领域。活跃市场流通,大力开拓国内市场特别是农村市场,生产和供应适销对路商品,以满足广大农村居民生产和生活的需要。”

--节选自《1999年政府工作报告》

     “提高劳动报酬占国民收入的比重,增加对城镇低收入群众和农民的补贴;加快发展旅游休闲消费,扩大文化娱乐、体育健身等服务消费。大力发展社区商业等便民消费,加快建设”“万村千乡”市场工程,推进连锁经济向农村延伸。完善消费政策,优化消费环境。抓紧研究出台鼓励消费的政策措施,积极发展消费信贷。做好“家电下乡”、“农机下乡”等工作。

--节选自《2009年政府工作报告》

  (7)由材料七,指出我国政府应对两次金融危机所采取措施的共同点及其这些措施的哲学依据。(10分)

试题详情


同步练习册答案