0  334822  334830  334836  334840  334846  334848  334852  334858  334860  334866  334872  334876  334878  334882  334888  334890  334896  334900  334902  334906  334908  334912  334914  334916  334917  334918  334920  334921  334922  334924  334926  334930  334932  334936  334938  334942  334948  334950  334956  334960  334962  334966  334972  334978  334980  334986  334990  334992  334998  335002  335008  335016  447090 

14.(8分)如图1-36-14所示,A是硬橡胶圆环;B是一根可以运动的垂直纸面的通电直导线,电流方向如图所示,C是一个与A并排放置的金属圆环.用毛皮摩擦A环,并使它按图示方向逆时针转动,在A环开始转动的瞬间,导线B的运动方向是_______. 

图1-36-14

试题详情

13.(8分)如图1-36-13所示的整个装置在竖直平面内,欲使带负电的油滴P在两平行金属板间静止,导体棒ab沿导轨运动的情况是_______. 

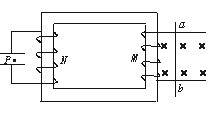
图1-36-13

试题详情

12.(8分)如图1-36-12所示,以O轴为圆心的光滑金属环,O aO b均为一端套在O轴上,另一端可放在圆环上无摩擦自由滑动的金属细棒.整个装置水平放置,除金属棒O b有较小的电阻外,其余电阻均可忽略.竖直向下的匀强磁场,其磁感线垂直穿过圆环平面,若由于金属棒O a绕轴转动,引起O b逆时针转动,则金属棒O a的转动方向是_______;若使穿过圆环平面的磁感线反向,由于O a转动,O b仍逆时针转动,则O a的转动方向是_______;若磁场方向水平向右,则当O a顺时针转动时,O b将_______. 

试题详情

11.(8分)如图1-36-11所示,框架面积为S,框架平面与磁感应强度为B的匀强磁场方向垂直,则穿过线圈平面的磁通量为_______;若使框架绕轴OO′转过60°角,则穿过线框平面的磁通量为_______;若从初始位置转过90°角,则穿过线框平面的磁通量为_______;若从初始位置转过180°角,则穿过线圈平面的磁通量的变化量为_______.

  

图1-36-11      图1-36-12

试题详情

10.磁悬浮高速列车在我国上海已投入正式运行.如图1-36-10所示就是磁悬浮的原理,图中A是圆柱形磁铁,B是用高温超导材料制成的超导圆环.将超导圆环B水平放在磁铁A上,它就能在磁力的作用下悬浮在磁铁A的上方空中 

图1-36-10

A.在B放入磁场的过程中,B中将产生感应电流.当稳定后,感应电流消失 

B.在B放入磁场的过程中,B中将产生感应电流.当稳定后,感应电流仍存在 

C.如AN极朝上,B中感应电流的方向如图所示 

D.如AN极朝上,B中感应电流的方向与图中所示的方向相反

试题详情

9.如图1-36-9所示,电源、滑动变阻器、带铁芯的线圈连接成闭合回路,ab是一个可绕垂直于纸面的O轴转动的闭合矩形金属线框,静止在图中位置,当滑动变阻器的滑动片P自左端向右端滑动时,线框ab将 

图1-36-9

A.保持静止不动 

B.逆时针转动 

C.顺时针转动 

D.发生转动,但因电源极性不明,无法确定转动方向

试题详情

8.边长为h的正方形金属导线框,从图1-36-8所示的位置由静止开始下落,通过一匀强磁场区域,磁场方向水平,且垂直于线框平面,磁场区域宽度为H,上、下边界如图中虚线所示,Hh,从线框开始下落到完全穿过磁场区域的全过程中 

图1-36-8

A.线框中总有感应电流存在 

B.线框受到磁场力的合力方向有时向上,有时向下 

C.线框运动方向始终是向下的 

D.线框速度的大小不一定总是在增加

试题详情

7.如图1-36-7所示为地磁场磁感线的示意图,在北半球地磁场的竖直分量向下,飞机在我国上空匀速巡航,机翼保持水平,飞行高度不变.由于地磁场的作用,金属机翼上有电势差.设飞行员左方机翼末端处的电势为U1,右方机翼末端处的电势为U2 

图1-36-7

A.若飞机从西往东飞,U1U2高         B.若飞机从东往西飞,U2U1高 

C.若飞机从南往北飞,U1U2高         D.若飞机从北往南飞,U2U1

试题详情

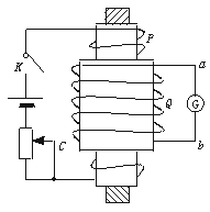
6.如图1-36-6所示,原线圈P内有铁芯,原线圈与变阻器、电源、开关连成电路;副线圈Q套在P上,并与电流计G连成电路.实验时若发现副线圈中有感应电流ia经G流向b,这可能是 

图1-36-6

A.在闭合电键K的瞬间 

B.闭合电键K后,把滑动变阻器的滑动片C向上移动 

C.闭合电键K后,把滑动变阻器的滑动片C向下移动 

D.把铁芯从原线圈中拔出

试题详情

5.在匀强磁场中放一电阻不计的平行金属导轨,导轨跟大线圈M相接,如图1-36-5所示,导轨上放一根导线ab,磁感线垂直于导轨所在平面.欲使M所包围的小闭合线圈N中产生顺时针方向的感应电流,则导线ab的运动情况可能是 

图1-36-5

A.匀速向右运动                        B.加速向右运动 

C.减速向右运动                        D.加速向左运动

试题详情


同步练习册答案