0  344281  344289  344295  344299  344305  344307  344311  344317  344319  344325  344331  344335  344337  344341  344347  344349  344355  344359  344361  344365  344367  344371  344373  344375  344376  344377  344379  344380  344381  344383  344385  344389  344391  344395  344397  344401  344407  344409  344415  344419  344421  344425  344431  344437  344439  344445  344449  344451  344457  344461  344467  344475  447090 

14.传感器是一种采集信息的重要器件,图8是由电容器作为传感器来测定压力变化的电路,当待测压力作用于膜片电极上时,下列说法中正确的是( )

①若F向下压膜片电极,电路中有从a到b的电流;

②若F向下压膜片电极,电路中有从b到a的电流;

③若F向下压膜片电极,电路中不会有电流产生;

④若电流表有示数,说明压力F发生变化;

⑤若电流表有示数,说明压力F不会发生变化.

A.②④ B.①④ C.③⑤ D.①⑤

               第Ⅱ卷

试题详情

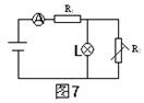
13.金属的电阻率随温度的升高而增大。与金属不同,有些半导体在温度上升时导电能力增强,因此可以用半导体材料制作热敏电阻。如图7所示,R1是定值电阻,R2是用氧化锰制成的热敏电阻,L为小灯泡,当温度降低时(  )

A  R1两端的电压增大  

B  电流表的示数增大

C  小灯泡的亮度变大  

D  小灯泡的亮度变小

试题详情

12.电子秤使用的是(  )

A 超声波传感器   B 温度传感器   C 压力传感器    D 红外线传感器

试题详情

11.有一台使用交流电的电冰箱上标有额定电压为"220V"的字样,这"220V"是指(  )

A 交流电压的有效值     B 交流电压的最大值

C 交流电压的平均值     D 交流电压的瞬时值

试题详情

10.如下图4所示图象中,不属于交流电的有( )

试题详情

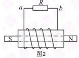
9.分别表示a、b两点的电势.如图2所示,线圈内有条形磁铁,将磁铁从线圈中拔出来时( )

A   B. 

C .电阻中电流方向由a到b 

D. 电阻中电流方向由b到a

试题详情

8.下列关于感应电动势大小的说法中,正确的是( )

A 线圈中磁通量变化越大,线圈中产生的感应电动势一定越大

B 线圈中磁通量越大,产生的感应电动势一定越大

C 线圈放在磁感应强度越强的地方,产生的感应电动势一定越大

D 线圈中磁通量变化越快,产生的感应电动势越大

试题详情

7.如图1所示,在垂直于纸面的范围足够大的匀强磁场中,有一个矩形线圈abcd,线圈平面与磁场垂直,O1O2O3O4都是线圈的对称轴,应使线圈怎样运动才能使其中产生感生电流? (    )

A.向左或向右平动           

B.向上或向下平动

C.绕O1O2转动            

D.绕O3O4转动

试题详情

6. 在下图中,标出了磁场B的方向、通电直导线中电流I的方向,以及通电直导线所受磁场力F的方向,其中正确的是 (    )

 

试题详情

5. 一个电量为q的正点电荷,在电场中从a点移到b点,电场力对该点电荷做功W,那么,ab两点之间的电势差等于 (    )

A. q/W      B. W/q      C.W      D.qW

试题详情


同步练习册答案