0  347449  347457  347463  347467  347473  347475  347479  347485  347487  347493  347499  347503  347505  347509  347515  347517  347523  347527  347529  347533  347535  347539  347541  347543  347544  347545  347547  347548  347549  347551  347553  347557  347559  347563  347565  347569  347575  347577  347583  347587  347589  347593  347599  347605  347607  347613  347617  347619  347625  347629  347635  347643  447090 

19.(10分)如图所示,质量为0.2Kg的物体带电量为+4×10-4C,从半径为1.0m的光滑的1/4圆弧的绝缘滑轨上端静止下滑到底端,然后继续沿水平面滑动。物体与水平面间的滑动摩擦系数为0.4,整个装置处于E=103N/C水平向左的匀强电场中,求

  (1)物体滑到A点时的速度

  (2)物体在水平面上滑行的最大距离

试题详情

18.(10分)一静止的Po核在衰变中放出粒子后变成Pb,已知Po原子核质量为209.982 87 u, Pb原子核的质量为205.97446 u,He原子核的质量为4.00260 u,(已知l u=931.5 MeV,且核反应释放的能量只转化为动能)。

  (1)写出衰变方程                 

  (2)计算在衰变过程中释放的能量;

  (3)计算粒子从Po核中射出的动能.

试题详情

17.(9分)有一个小灯泡上标有“3V 0.2A”的字样,现要描绘并研究其伏安特性曲线,有下列器材可供选用:             

    A.电压表(0-3V, 内阻约2)                

    B.电压表((0-15V,内阻约5)

    C.电流表((0-0.3A,内阻约2)               

    D.电流表(0-6A,  内阻约0.5)

    E.滑动变阻器(10,1A)       F.滑动变阻器(1000,0.3A)

    G.直流电源(6V,内阻不计)另有开关一个、导线若干。

  (1)实验中电压表应选__________,电流表应选 ________,滑动变阻器应选_____________.(只填器材的字母代号)。

  (2)在下面的虚线框中画出实验电路图。

  (3)利用实验中得到实验数据在下图(3)所示的I-U坐标系中,描绘得出了小灯泡的伏安特性曲线。根据此图给出的信息,若把该灯泡接到一个电动势为3.0伏,内阻为10Ω的直流电源时小灯泡消耗的实际功率约为_______________ 。 (结果保留两位有效数字)

试题详情

16.(6分)如图为“探究电磁感应现象”的实验装置。

    如果在闭合电键时发现灵敏电流计的指针向右偏了一下,那么合上电键后可能出现的情况有:

    I.将原线圈迅速插入副线圈时,灵敏电流计指针将____________。(填“向右偏”、“向左偏”或“不偏转”)

    II.原线圈插入副线圈后,将滑动变阻器触头迅速向左拉时,灵敏电流计指针___________。(填“向右偏”、“向左偏”或“不偏转”)

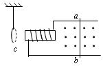
试题详情

15.如图所示,金属导轨上的导体棒ab在匀强磁场中沿导

轨做下列哪种运动时,铜制线圈c中将有感应电流产生

且被螺线管吸引                        (   )

    A.向右做匀速运动              

    B.向左做减速运动

    C.向右做减速运动              

    D.向右做加速运动

试题详情

14.某电场的分布如图所示,带箭头的实线为电场线,虚线

为等势线。A、B、  C三点的电场强度分别为EAEB

EC,电势分别为φAφBφC,关于这三点的电场强

度和电势的关系,下列判断中正确的是   (   )

    A.EA< EB, φB=φC             

    B.EA> EB, φA>φB

    C.EA> EB, φA<φB             

    D.EA= EC, φB=φC

试题详情

13.在变电站里,经常要用交流电表去监测电网上的强电流或高电压,所用的器材叫互感器。如下所示的四个图中,能正确反应其工作原理的是                               (   )

试题详情

12.在电能输送过程中,若输送的电功率一定,则在输电线上损耗的功率        (   )

    A.随输电线电阻的增大而增大

    B.和输电线上电流强度成正比

    C.和输送电压成正比

    D.和输送电压的平方成正比

试题详情

11.一个按正弦规律变化的交流电的图象如图所示,根据图象

可以知道                               (   )

    A.该交流电流的频率是0.02Hz

    B.该交流电流的有效值是14.14A

    C.该交流电流的瞬时值表示式是i=20sin0.02t(A)

    D.该交流电流的周期是0.02s

试题详情

10.如图所示的四个图中,分别标明了通电导线在磁场中的电流方向、磁场方向以及通电导线所受磁场力的方向,其中正确的是                                           (   )

试题详情


同步练习册答案