0  353674  353682  353688  353692  353698  353700  353704  353710  353712  353718  353724  353728  353730  353734  353740  353742  353748  353752  353754  353758  353760  353764  353766  353768  353769  353770  353772  353773  353774  353776  353778  353782  353784  353788  353790  353794  353800  353802  353808  353812  353814  353818  353824  353830  353832  353838  353842  353844  353850  353854  353860  353868  447090 

6.基因型为AAbb与aaBB的小麦进行杂交,这两对等位基因分别位于非同源染色体上,F1杂种形成的配子种类数和F2的基因型种类数分别是    (  )  

A.4和9        B.4和27      C.8和27      D.32和81

试题详情

5.下列不属于伴性遗传的是   (  )                         

A.果蝇的白眼     B.人的血友病    C.人的白化病   D.人的外耳道多毛征

试题详情

4.某DNA分子含胸腺嘧啶200个,胞嘧啶450个,该DNA复制数次后,消耗了周围环境中1400个腺嘌呤脱氧核苷酸,则该DNA分子已经复制了     (  )           

A.2次        B.3次        C.4次         D.5次  

试题详情

3.一个男子把X染色体上的基因传递给孙子的几率为     (  )            

A.l/8         B.1/4        C.0         D.1/2

试题详情

2.对疯牛病的某病原体进行研究时发现,该病原体经各种核酸水解酶处理后仍具有感染性。从生命的化学本质看,与该病原体的感染性相关的物质最可能是    (  )        

A.核酸和蛋白质    B.核酸       C.蛋白质       D.水

试题详情

1.一段信使RNA上有30个碱基,其中A和G有12个,转录出该信使RNA的一段DNA中的C和T的个数是    (  )          

A.45个        B.30个       C.18个       D.12个

试题详情

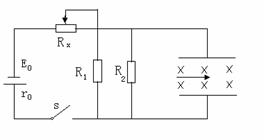
17.如图所示,电源电动势。内阻,电阻。间距的两平行金属板水平放置,板间分布有垂直于纸面向里、磁感应强度的匀强磁场。闭合开关,板间电场视为匀强电场,将一带正电的小球以初速度沿两板间中线水平射入板间。设滑动变阻器接入电路的阻值为Rx,忽略空气对小球的作用,取

(1)当Rx=29Ω时,电阻消耗的电功率是多大?

(2)若小球进入板间做匀速圆周运动并与板相碰,碰时速度与初速度的夹角为,则Rx是多少?

试题详情

4.电源的效率定义为外电路电阻消耗的功率与电源的总功率之

比。在测电源电动势和内电阻的实验中得到的实验图线如图

所示,图中u为路端电压,I为干路电流,a、b为图线上的两

点,相应状态下电源的效率分别为。由图可知

的值分别为  (    )

A.   B.   C.   D.

试题详情

17.如图所示,电源电动势。内阻,电阻。间距的两平行金属板水平放置,板间分布有垂直于纸面向里、磁感应强度的匀强磁场。闭合开关,板间电场视为匀强电场,将一带正电的小球以初速度沿两板间中线水平射入板间。设滑动变阻器接入电路的阻值为Rx,忽略空气对小球的作用,取

(1)当Rx=29Ω时,电阻消耗的电功率是多大?

(2)若小球进入板间做匀速圆周运动并与板相碰,碰时速度与初速度的夹角为,则Rx是多少?

江苏省盐城中学09-10学年高一下学期期末考试

物理试题

注意:本试卷満分150分,考试时间100分钟.请将答案填写在答题卡上,直接写在试卷上不得分.

试题详情

16.如图所示,某一真空区域内充满匀强电场和匀强磁场,此区域的宽度 d = 8 cm ,电场强度为E,方向竖直向下,磁感应强度为 B ,方向垂直纸面向里,一电子以一定的速度沿水平方向射入此区域.若电场与磁场共存,电子穿越此区域时恰好不发生偏转。(1)求电子射入时的初速度的表达式。(2)若射入时撤去磁场,电子穿越电场区域时,沿电场反方向偏移量 y=3.2 cm ,则若射入时撤去电场,求电子穿越磁场区域时沿电场方向发生的偏移量.(不计电子重力)

试题详情


同步练习册答案